Welcome to Garakuta-En !
[May 5, 2003]
2nd : 16MB(EDO type) board.
The 2nd article is about 16MB board. To make this board, you should get a 32MB EDO (Extended Data Output type) S.O.DIMM (144pins Small Outline type Dual In-line Memory Module) at first. When buying the module, check the name of the chip to make sure it is xxx65165x or a compatible one.
The first 65 of 65165 means 64Mbits, the following 165 means 16bits width of data I/O, and the last 5 of 165 means EDO.
If you get the 65160 instead of 65165 by chance, you are very lucky. Congratulations !
65160 is not EDO but Fast Page, which causes less trouble than 65165 does. Skip the rest of article and go to the 3rd article for the Fast Page 65160 chips.
After 32MB modules have been gotten, you should take out two 65165 chips from the module carefully.
Then, you should remove the original 16160/18160 chips on your 4MB board (also carefully).
Put the 65165 chips on the vacant chip's places. Do not hurry to soldering to much. You need to lift off some pins !
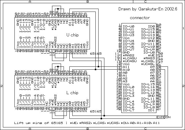
Connections and wiring.
The pins of *WE, *RAS, *OE, *UCAS and *LCAS should be lifted off from the base.
(In my old style the pins of the A0, A1, A10 and the A11 had also be lifted off such as left pictured. Now, I have changed to new style by cutting the pattern of four A-lines at special locations.)
(note : * means "low active signal".)
The each pin of *WE, *RAS, *OE, *UCAS and *LCAS should be tied to its suitable land. Then tied the A0, A1 pin to the A8, A9 of the connector, and the A10, A11 pin to the A10, A11 of the connector, respectively.
This chip is able to worked as a quasi Fast Page mode DRAM by circuitry though it's an EDO type. It's realized by sending the *UCAS signal to the *OE pin by connecting their pins.
The upper left picture shows the example of wiring diagram and the right one shows an example of 16MB board. (There are some not-required jumpers for Vccs and GNDs.)
The detail information on connecting will be seen at Ultra man's 32MB of Mr. HeroHero's site.
A problem.
You will meet a trouble when you use the FDD through the port-replicator.
The trouble is destroying of data of inserted FD. It happens even if just reading the FD. You can avoid it by setting the switch of FD write-protected. If protected, you can read data from the FD safely, but cannot write it.
There's no worry, if you'll not use FDD !
Otherwise, you'll get another solution in the later 4th article.
Go to other articles.
Preface Page, 1st:8MB(FP), 3rd:16MB(FP), 4th:32MB(EDO), 5th:another 32MB(EDO),
6th:improved 16MB(EDO)
Top