1MB Short SVGA

IBM SVGA Adapter/A Driver Disk 
720svga.exe   PC Server 720 SVGA support diskette version 1.01 (CLMODE)
720svga.txt   Readme for 720svga.exe 
@917B.ADF - SVGA Adapter (US/EMEA)
@917A.adf SVGA Adapter (Japan)

CL-542x Data Book
CL-542x Technical Reference Manual

1MB Short SVGA
   Flicker in 1MB SVGA
   Flicker Fix for 1MB SVGA
      Ratings for C31 Replacement
   2MB Short SVGA?
   ADF Section for 917B
Japanese 1MB Short SVGA



1MB Short SVGA 71G0650 Adapter ID is 917B
IBM 1MB SVGA Adapter/A Long card... A long version of the short 71G0650 
J1 Video Port 
U1 Cirrus CL-GD5428-80QC-A 
U2 TI 58AV9VK 
U3 06H2194 
U4 PLCC 06H6915
U5,6  TI 58C3JKK 
U7 NEC 424260-70 
U8 NEC 424260-70

  For the chipheads, the Tech Ref Annexes B-7 thru B-10 have some application notes. Data sheet is 4.8MB, Tech Ref is 2.7MB. Everybody needs to thank Elar Saar for guarding these files until the fullness of time.

Peter says:
   Is it really a 1MB ? I have a card FRU 71G0650 with Cirrus Logic
CL-GD5428-80QC-A chipset right here on my table. Has FCC ID ANO06H3638 and I forgot to write the Card-ID on it ... but I guess it was 917B. This thingy has 2 SMD memory chips NEC 424260-70 in the top / front corner (aligned top-down) which are 512K x 8 bit (or 256K x 16 bit)  IIRC ....

   The CL chipset -by the way- is a mask-programmed graphic chip with integrated timing oscillator (no external Xtal) and integrated 80MHz Ramdac. Very compact design. A similar chipset is used on the Server 320/520 MCA/PCI sysboard. Here they used the CL-GD5430-QC-D and 2 x Siemens HYB514171BJ-70 (256K x 16 bit).



Flicker in 1MB SVGA
 I (god Emperor of Microchannel) and others have noticed that the 1MB SVGA flickers. Behold what devious minds can do-

Dr. Jim
> Technically speaking, what we are seeing is random changes in average brightness level.

Peter:
During my first inspection of the card I came across a constant current source, which consists out of a LM334M (U9), 22 Ohms resistor (R36), 150 Ohms (R37), a "JF" marked SMD diode (D1), a SMD tantalium 2µ2 cap (C31) and a small pF cap (C65). Located in the top / rear corner of the card.

If you check the connections from C31 you will find that the + marked end goes to the V+ input of U9 @ Pin 4, while the unmarked end is tied to +5VDC ...  During operation the + end of C31 is at 3.09V ... and the - end at +5 ... with no dynamic offset of any sorts - I'd tested that with the scope.

Shouldn't that be other way round ?  There is a "+" marking silkscreened on the board, so the cap is mounted correctly regarding the silkscreen - electrically however it is reversed. And this circuit appears to me as the voltage reference for th CL5428-internal RAMDAC. (They pull down a definite current to give the RAMDAC a stable base voltage for the output drivers).

What happens to a capacitor if you permanently run it at reversed polarity - even though the voltage is rather low ? (the cap is rated 20V) Given it develops some "leakage" and causes a parasitic current to +5V - parallel to the current flow through U9 ? That could explain the brightness changes in the video signal.

I'm going to unsolder the C31 next to see how the card behaves without it or if it is intended as some sort of "choke up" capacitor. And what happens if I reverse the polarity.



Fixed 1MB SVGA

Dr. Jim
> We need more empirical data ... !

I replaced the cap on the contemplation card a few minutes ago.  This card was known to flicker, quite badly at times, and was pulled from this machine for that reason.  I used a new 3u3/16v in the same form factor off a scrap PCB from work.

Before I swapped the card, I laid down on the floor with my handheld DMM and confirmed your voltage readings before powering down the 500.  Results; +5.15 VDC on the - terminal of the capacitor, +3.50 VDC on the + terminal.  Backweirdness confirmed.  The + end is 1.65V _more negative_ than the - terminal.

Swapped the cards.  My immediate impression was that the test card produces a much brighter and clearer screen image than the (identical) card I took out.  This may be meaningless however, since I did not retest this card in the 500 before I changed the cap.

I have not noticed any flicker so far.  I will run it for a while and try to observe it as much as I can.  This machine is my APRS server and runs 24/7, so it should be a good test.  Type 4 'Y' at 180 MHz.

David Beem provides another data point:
> Agreed.  Absolutely replace the cap.
    Done. 47uF, 25v. Testing now.

    Fixed! I say a dramatic fix in that. I can reproduce the flickering at will by putting in the unpatched card; It goes away with the patched version, even for a lengthy time span. Who would have knew?



Ratings for C31 Replacement

I had a tag-team of David Beem and Dr. Jim working this out.
>  Point is, within reason the size doesn't matter (just here). Electrolytics are pretty sloppy, probably close to +/- 10% on average. I think Tantalums are generally tighter, and that's what this appears to be.

> > Capacitance range 2.2uF to 4.7uF, voltage of at least 20v? Or would 16 to 25 work? 

   Clone designs were using close to a 3.3uF cap. For voltages 16v is sufficient & a commonly produced capacitor. I would stay within the range of 2.2 to 5 uF.  It is remotely possible that a cap that is too large may draw excessive surge current on power up and let some of that delicate silicon smoke loose inside the chip.



2MB Short SVGA?

  Without the help of Jolt, I asked about pumping up the 1MB SVGA-


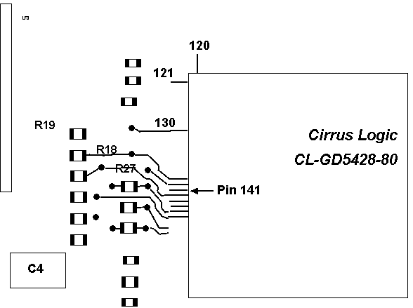
  Pin 141 is right abouve the trace that goes to R27.

>Please point out the second pair of solder pads for additional memory on the short 1MB.

Peter writes:
As far as I have traced the connections on the short Cirrus as well as on the Reply Mod. 80 board you could solder another pair of 424260 (or 4C1627 from Micron) 1:1 over the existing chips - minus the pins 14 on the new ones. These are the RAS pins, which have to be connected via a 22 Ohms resistor to pin 141 on the CL5428 chip. It is marked OE* in the datasheet - but a footnote says it is RAS1 on 5426/28/29 chips for the 2MB RAM configurations.



AdapterId 917b SVGA Adapter

ROM Address
   This is the address range for the video adapter, it cannot be changed 
     <"C0000h-C7FFFh">



Japanese 1MB Short SVGA P/N 84G7001 Adapter ID is 917A

Tatsuo Sunagawa was the source for this.

9595 Main Page