NCR MCA Dual SCSI

MCA Dual SCSI 530-0035438A (SE Version)
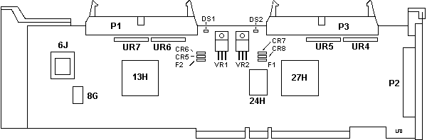
MCA Dual SCSI 530-0035437A (SE Int / Dif Ext)



MCA Dual SCSI 530-0035438A (SE Version)
CR5-8 1N5817 Diodes
F1,2 Littlefuse 1.5A
DS1,2 Indicator LEDs
P1,3 50 pin headers
P2 Solder pads for external port
UR4-7 Resistor SIPP networks
VR1,2 LT1086CT 
6J PLCC
8G 50.0000 MHz osc
13H,27H NCR 53C700-66
24H NCR86C71
1

Resistor SIPP Networks 10 pin "K" inside a "D" 111 F 43 Dale 1-1100F 

What is the ADF? Who has it? Send it to ME!! I think this is supported under W95... As long as someone can find the adf...



MCA Dual SCSI 530-0035437A (SE int, Dif Ext) Thanks to Ralph Plewe up in Canada!
CR5-8 1N5817 Diodes
F1,2 Littlefuse 1.5A
DS1,2 Indicator LEDs
P1 50 pin headers
P3 Solder pads for 50 pin header
P2 HPDB50 external port
UR1-3 Termpacks for external SCSI
UR4,5 solder pads for SIPP resistor networks
UR6,7 Resistor SIPP networks
VR1 LT1086CT 
VR2 Solder pads for second VR
6J PLCC
8G 50.0000 MHz osc
13H,27H NCR 53C700-66
24H NCR86C71
0

UR1-3 Dale MDP1646

9595 Main Page