To get program on a microcomputer, you could buy it on
floppy, tape or cartridge. Cartridges had ROM chips, in which program
was stored, so it was read-only. They were more raliable than disks and
faster than tapes. Illegal copying from cartridge was possible, but it
required better skills from cracker.
In many cases cartridges extended computers possibilities - in Commodore
64 cartridges with Turbo Tape were widely used to avoid long loading of
Turbo Tape from normal cassette. In Atari, every Turbo standard required
its cartridge program to load and save programs with modified tape
recorder.
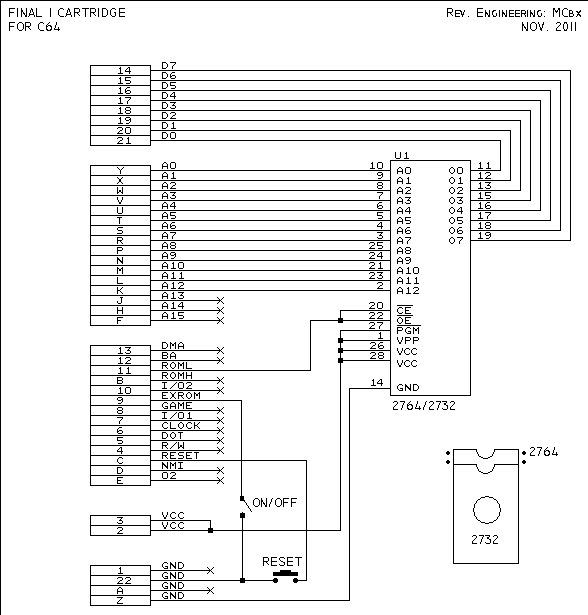
| Final 1 |
|
||||
| Manufactured by: ?? |
|
||||
| Features: - Turbo tape (incompatible with most standards) - Tape tester - Color pattern genertor The silent, high-frequency sound generated by color pattern generator (similar to one in TV testing picture) is definitely NOT from SID. |
|||||
| Description: Very simple cartridge, using switch for /GAME selection. To make it boot, switch has to be moved to the right. So to run programs, switch must be toggled. Definitely NOT the famous Final Cartridge |
|||||
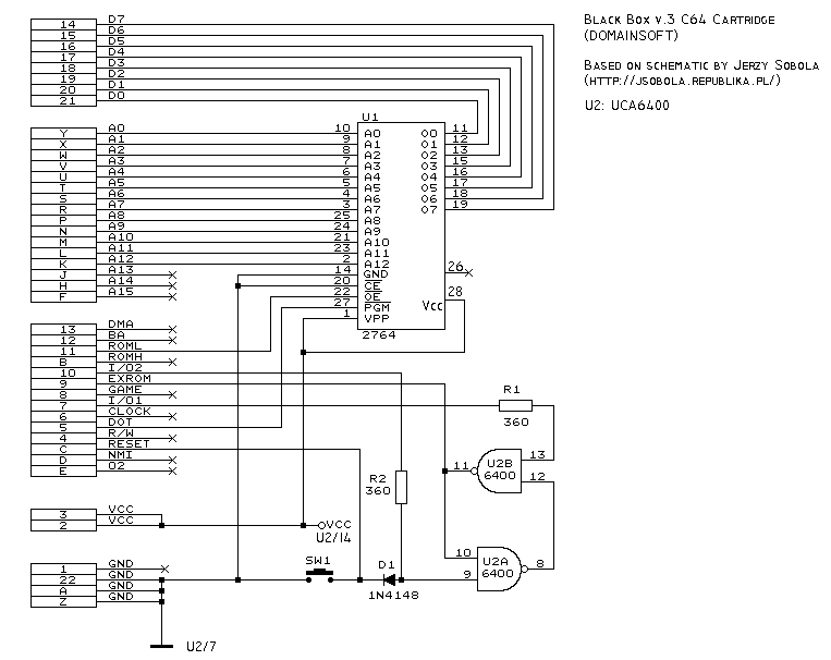
| Black Box |
|
||||
| Manufactured by: ?? |
|
||||
| Features: - Turbo tape - Tape head tuning - SID searching software - Mastermon monitor - Diagnostic system (testing RAM, keyboard, joystick video, SID, etc.) - Synthesizer 64 - simple music synthesizer with nearly all SID controls easy accessible from keyboard.
|
|||||
| Description: This is definitely NOT an original Black Box cartridge, as these were published from version 3.0. It has simple tools, looks like one of many fakes from early 90s. It's name in ROM is Future Box, and Black Box is only printed on label. |
|||||
|
|
|||||
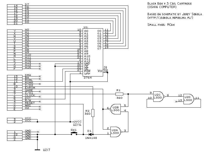
| Black Box 3 |
|
||||
| Manufactured by: Oshin computer |
|
||||
| Features: - Turbo tape - Tape tester - 31 new BASIC commands, making work more efficient. |
|||||
| Description: This is a copy of original Black Box v.3 cartridge. It has probably BBv3 ROM, or slightly modified to cover orignal author's info. Very popular one. |
|||||
| |
|||||
| Black Box 3 |
|
||||
| Manufactured by: Domainsoft |
|
||||
| Features: - Turbo tape - Tape tester - 31 new BASIC commands, making work more efficient. |
|||||
| Description: Another Black Box 3 clone. |
|||||
|
|
|||||
| Bis Plus |
|
||||
| Manufactured by: Micro LUC |
|
||||
| Features: - Turbo tape (incompatible with most standards) - Tape tester - Extended BASIC commands |
|||||
| Description: In early 90s, Micro Luc produced many cartridge clones, this is one of these cartridges. |
|||||
| Cosmic Cruncher |
|
||||
| Manufactured by: Commodore |
|
||||
| Features: - Pacman-like game |
|||||
| Description: There were many programs on cartridges for VIC-20, Commodore released them to make some software library to its new computer.
|
|||||
|
As you may try to read these cartridges to computer, remember that VIC-20 cartridges have different auto-start signature than C64 cartridges. In C64, its C3 C2 CD 38 30 starting at 04h (fifth byte, former 4 ones are auto-starting vectors), where in VIC-20 they're 41 30 C3 C2 CD - placed starting from fifth byte in cart. |
|||||
| To run ROM in emulator, mount it in A000 and reset emu. | |||||