320/520 Planar
rfpcimca.exe
320 / 520 Reference Diskette version 2.07
rdpcimca.exe
320 / 520 Micro Channel Diagnostic Disk v5.30
33l3917.exe
320 / 520 Micro Channel BIOS Flash Update Disk v29A
m30h2591.exe
320 and 520 OS/2 Video Support Disk version 1.23
m30h2594.exe
320 / 520 Windows and Utilties Video Spt 1/2 ver 1.23
m30h2597.exe
320 / 520 Windows and Utilties Video Spt 2/2 ver 1.23
mcantsmp.exe
320 / 520 NT SMP Support Diskette for MC version 1.01
m84h4257.exe
320 /520 NT Spt Disk for Cirrus Logic 5436 Video ver 1.01
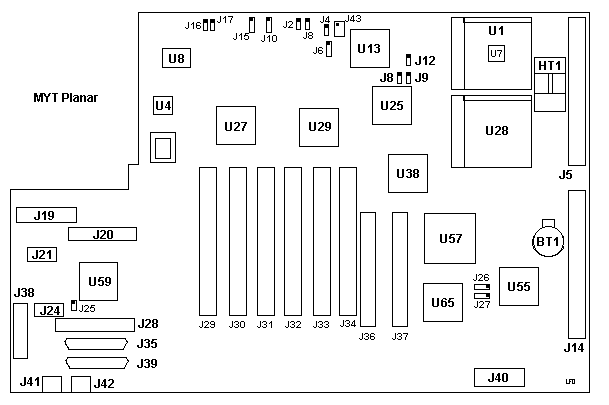
Level E Planar (no J1) FRU 96G3694
BT1 CR2032
J2 SCSI LED
J3 IDE HD LED
J4 Front Panel fan
J5 L2 Cache
J6 Speaker
J8 CPU fan connector
J9 CPU Fan connector
J10 Power LED
J12 Clock multiplier
J14 Memory card
J15 Password write
J16 C2 cover open
J17 C2 Keylock |
J19 Parallel port header
J20 Floppy header
J21 Serial B header
J24 Serial A header
J26 SCSI Select
J27 Video Select
J38 PSU connector
J41 KB connector
J42 PS2 Mouse connector
J43 CPU clock speed
HT1 Voltage regulator
U1 Primary CPU
U28 Secondary CPU
1 |
PCI 2.0 (2 slots) / Intel Neptune 82434NX PCMC
256 KB / 512 KB Shared L2 cache with full SMP support
Write-back (organization: direct mapped; 15 ns) / asynchronous
16 MB / 256 MB / 70 ns / 72 pin / gold connectors / fast-page mode
70 ns (supports 4, 8, 16, 32 MB industry standard parity SIMMs)
Parity / all memory must be installed in matched pairs due to 64 bit
path to memory / all memory addressable by DMA
Supports 4, 8, 16, 32 MB EOS (ECC-on-SIMM) 70ns memory
You can run the MYT motherboard to 120MHz (60MHz x 2.0) but AFAIK, that's
the fastest you can go: based on my experience, if you set J43 to 66MHz,
then the system won't boot. You need the MDx or MZx motherboard to
run at 66MHz.
Gilbert Saint-flour
8640/8641 Micro Channel Processor Planar Jumper Settings
Text
For the PC Server 320 Micro Channel Systems, there are
two System board FRUs: FRU p/n 96G1340 supports 75MHz and 90MHz only. FRU
p/n 96G3694 supports 75MHz, 90MHz, 100MHz, and 133MHz.
For the PC Server 520 Micro Channel Systems, there is
one System board FRU: FRU p/n 96G2648 supports 75MHz, 90MHz, 100MHz, and
133MHz.
In addition there are two versions of 96G3694
and 96G2648: Original planar (Level D & E): No J1, J12 (2-pin), J43
(6-pin). New planar (Level G): J1 (3-pin), J12 (3-pin), J43 (6-pin).
On the new planar (Level G), a new jumper J1 (3-pin) was
added AND J12 was changed from a 2-pin to a 3-pin jumper. Jumpers J1, J12
and J43 control the processor speed.
J1 (new planar) is located to the left of the processor and J12.
J12 is located to the left of the processor.
J43 is located a little less than halfway down the system board
beneath the processors. It has three double jumpers (6-pins) corresponding
to each oscillator located right beneath the processors.
The three oscillators from left to right are
50, 60, and 66 MHz. When you jumper the pins, you are grounding its corresponding
oscillator thus disabling it.
There were two different boards. They're made by Micronics - and the
first series (Board FRU 96G1340) had only 50 and 60MHz available, while
the later series (Board FRU 96G3694) supplied 50, 60 and 66MHz. The Server
520 used basically the same boards, but appears to be 66MHz capable right
from the beginning.
The earlier Level D and E planar had a J43 consisting of 2 x 3 pins
and J 12 of 2 pins. The Level G planar had a J43 with 2 x 3 pins, J 12
with 3 pins and J 1 with 3 pins.
The EPRM has the pinout and use for the various settings. See below:
8640 PC Server Model 320 System Board
(MC-PCI)
System Board Connections
J2 SCSI LED Connector (yellow
/ white)
J3 IDE Hard Drive LED Connector
(red / white)
J4 System Fan Connector
(black / red)
J5 Cache Card Connector
J6 Speaker Connector
J8 Primary CPU Fan Connector
J9 Secondary CPU Fan Connector
J10 Power LED Connector (green
/ white)
J12 Spare Jumper (Clock Multiply)
Pin 1-2 = x2
Pin 1 = x1.5
J13 IDE Hard Drive Connector
J15 Password Write
Disable = Pin 1-2
Enable = Pin 2-3
J16 C2 Cover Open
J17 C2 Keylock
J19 Parallel Port Connector
J20 Diskette Drive Connector
J21 Serial Port B-Connector
J24 Serial Port A-Connector
J25 Reset Switch
J26 SCSI select
System Board = Pin 1-2 (default)
installed Adapter = Pin
2-3
J27 Video select
System Board = Pin 1-2 (default)
installed Adapter = Pin
2-3
J28 SCSI Standard Connector
J35 SCSI Fast/Wide Connector
J38 Power Supply Connector
J39 SCSI Fast/Wide external Connector
J40 Video Connector
J41 Keyboard Connector
J42 Mouse Connector
J43 Clock select
50MHz = Pin 3-4, 5-6
60MHz = Pin 1-2, 5-6
66MHz = Pin 1-2, 3-4
The following diagram indicate the pin
orientation and numbering scheme with respect to the edge of the
planar. Refer to the diagram on the
system frame or door for additional information.
Level D and E Planer
Level G Planar
1 ° ° 2
1 ° ° 2
3 ° ° 4
3 ° ° 4
5 ° ° 6
5 ° ° 6
(J43) 1 °
(J43) 1 ° 1 °
2 °
2 ° 2 °
(J12)
3 ° 3 °
(J1) (J12)
+-----------------------------------------------------------+
|
(Original-Levels)
|
| Level D |
Level E | Level
G |
+----------|----------------|-------------------|----------------------|
|
| 96G1340 (320) | N/A
| N/A
|
| FRU P/N | N/A
| 96G3694 (320) | 96G3694 (320)
|
|
| 96G2648 (520) | 96G2648 (520) |
96G2648 (520) |
|----------|----------------|-------------------|----------------------|
| Jumper | J12 |
J43 | J12 | J43
| J1 | J12 | J43 |
|
| 2-pin | 6-pin | 2-pin | 6-pin | 3-pin|3-pin
| 6-pin |
|------------------|-----------------|-----------------|------|--------|
|Processor |
|
|
| |
|
|------------------|-----------------|-----------------|------|--------|
|50/75MHz | open |3-4, 5-6|
open | 3-4, 5-6 | 1-2 | 1-2 |3-4, 5-6|
|----------|-------|--------|--------|----------|------|------|--------|
|60/90MHz | open |1-2, 5-6|
open | 1-2, 5-6 | 1-2 | 1-2 |1-2, 5-6|
|
| (320 only) |
| |
| |
|
|----------|-------|--------|--------|----------|------|------|--------|
|66/100MHz | open |1-2, 3-4| open
| 1-2, 3-4 | 1-2 | 1-2 |1-2, 3-4|
|
| (520 only) |
| |
| |
|
|----------|----------------|--------|----------|------|------|--------|
|66/133MHz | Not Supported |
1-2 | 1-2, 3-4 | 1-2 | 2-3 |1-2, 3-4|
+----------------------------------------------------------------------+
9595 Main Page
|