Lacuna Planar
7677ref.exe 76/77 Reference Diskette Version 3.10 
7677diag.exe 76/77 Diagnostics Diskette 
G7jt61a.exe 76/77 BIOS revision build 61A
7677dosd IBM Enhanced Local Bus Dos/Win 3.1 driver disk
S3 928 Windows 95 drivers disk
Win95-Setup for S3-928  to PeterWendt's site
86C928 GUI Accelerator  202 pages
Alfred Arnold's VRM Hack

35 / 56 / 76 Power Supply
40 / 57 / 77 Power Supply

Lacuna Planar
BIOS Flash Disk
   BIOS Revisions
   Can't Access System Partition
Processor Upgrade
   5V CPU Jumper Setting
   Installing 83 / 63 MHz POD
Voltage Regulator Module
   VRM Circuit
   VRM Hack
Interposer for POD
   Interposer Source
Dirty Secrets of the POD

IDE Devices
   IDE Hard Drive
   10.2GB Maxtor Under W98
   IDE CDROM
   IDE Zip Drive
   IDE Header
   Boot Sequence
   IDE Capabilities
   IDE CD-R 
Parallel Port
   ECP Support
   Direct Cable Connection under 95
   "!" Under 95
Video
   S3 Drivers for 928
   S3-928 Trivia
   800x600x64k under W95
   AVE Slot
   Video Adapters under W95
   Lacuna Video Glitch
   Mediaburst Module
Cache Modules
   Compatible Cache Sources
   Installing and Removing Cache
   L2 Cache Module Identification
Overclocking the Lacuna board
25/33MHz Lacuna SynchroStream Controller Limits
Speaker Noise



Lacuna Planar (76/77 i/s)


J1 Mouse 
J2 Keyboard 
J3 Parallel Port 
J4 Serial Port 
J5 Serial Port 
J6 Video Port 
J9 Video Memory Socket 
J10 MEM4 
J11 MEM3 
J13 MEM2 
J14 MEM1 
J15 MCA Riser 
J16 IDE Controller (40 Pin) 
J17 Floppy Controller (44 pin) 
J19 Voltage Select Header 
J20 Power Socket 
J21 Power Switch / Speaker 
J23 LogicLock Socket 
JMP1 (J7) Power-On Password
JMP2 (J8) Priviledged Access Password 
JMP3 CPU Speed Select (J12)
OS1 66.6667 MHz 
R6 Keyboard Fuse (PTC Resistor)
U11,12 IBM025160LG5B-70 
U15 10G4672 
U16 68G3088 
U18 AT&T ATT20C490-11 RAMDAC 
U20 S3 86C928-P 
U28 ICS ICS1494M 
U30 Socket 3 237-pin ZIF socket 
U31 52G7656
U39 95G9659 
U47 68G3096 
U51 L2 Cache Socket 
U57 82077SL Floppy Ctrlr 
U58 Dallas DS1585S RTC 
U65 95G9689 
U71 ICS 5402 (?) 
U74 71G0438 (SSC) 
U75 96G1062 
U76 96G1061 
VR1  LT1085CT VR
Y1 14.3 KHz 
Y2 32.768 KHz???

JMP1 is the Power-On Password jumper. The POP can be cleared by moving the jumper to the other set of pins, then powering on. After power on, you can leave the jumper on the pins that you moved it to.

JMP2 is the Privileged Access Password jumper.
Locked State: jumper across middle pin - pin 1 PAP cannot be set, changed, or removed.
Change State:- jumper across pin 0 - middle pin  PAP can be set, changed, or removed.

My humble suggestion - DON'T SET THE PAP! If you forget the PAP, only the last saved configuration is valid. You will never be able to successfully change the configuration again. The PAP function involves writing the state to an unknown area of the NVRAM and another memory chip. If the PAP is dorked, for all intents the planar is hosed.

Memory Supported  4MB, 8MB and 16MB 70-nS SIMMs, Parity or ECC 



Flash Disk, Build 61A 
The 7677 FLASH Disk is for the Lacuna  planar.  Older Model 76 and 77 have the Bermuda planar which does *not* have FLASH BIOS. 
 

BIOS Revisions...

Charles Lasitter
>So how did anyone figure that "8" was an improvement, other than Y2K?  I'm guessing that "4" would have worked after a manual reset. 

Peter Wendt
The later BIOS releases after 02 / 03 contain some few fixes for the nasty Booktree RamDAC problems that cause checkerboard / yellow / half-screen-black / speckled ASCII-garbage video errors under OS/2 and give additional "over 524MB IDE support". Haven't read all the accompanying comments :-) 

Jim Shorney
Hmmm....  Just checked.  My Lacuna is Rev. 7, happily running a POD 83, write-back, no interposer.  Guess I'll leave it at seven. 

Can't Access System Partition on 76s (maybe others)
On the 76i / 77i with the Lacuna planar (and planar IDE, S3-928 SVGA) the "system partition" is only for convenience - but it is not required for getting parts of the BIOS into the memory as on the older 76 / 77 with the "Bermuda" planar. 
   The 76i / 77i are "non-IML" machines and do not support a "real system partition" anyway - they just offer the ability to "park" the reference and diagnostic disk for easier access on the harddisk. Otherwise called a Convenience partition. 

    Ed. But they DO support a Convenience Partition IF you use an IBM SCSI adapter (NOT the FD SCSI-2 that is standard). To install a Convenience Partition and be able to access it, you have to LLF the drive and then restore the partition. Just running "Restore System Partition" without LLFing the drive first will result in the system refusing to access the partition.  I have a Fast/Wide in my 77s, and I can bring up the Convenience partition with F1. So much better when you have a huge pile of poorly titled or untitled floppies on your desk... 

   However: I had similar problems getting a system partition on the drive. There had been one once on your drive (the unused 4MB space) but it has been loused up by what reason - same what happened to me. In this case the MBR of this "hidden" partition is invalid and cannot be used any longer. Therefore "Restore system partition" does not work. The only way to get it back is in fact a Low-Level format. In fact the order is important. 
   You need to instal the system partition first, *then* run FDISK from any other operating system. Some FDISKs (like that from OS/2 2.x) do not always accept the "system partition" as hidden ... :-) ... and simply overwrite it or corrupt the boot / MBR informations. OS/2 2.1 CID installation was famed for lousing up the system partition on the 76i / 77i. 
    My recommendation: If you already have a lot stuff on the drive - leave it as it is. If you'd only installed the Win95 so far - mind running the LLFORMAT and install a system partition. You need to start with the reference in A: and press CTRL+A in the main menu to start (A)dvanced Diagnostic. Then run "Format harddisk" and follow the instructions on the screen. Reboot after finish - restart with the reference disk and run "Restore system partition". Worked fine when I tried it last time ... 



Processor Upgrade 

Installing a 5V Upgrade CPU


  Jumper 3-4, 5-6, 7-8 (pin-9 = N/A).

Installing an 83 or 63 MHz Pentium Overdrive Processor
   Diags Level G7GT55A or higher and interposer required. Jumpers must be set in J19 as for a 5V cpu (the POD has a built in 5v to 3.45v convertor) 

Installing a 3.45V Upgrade CPU
   Remove the jumpers. Install VRM. 

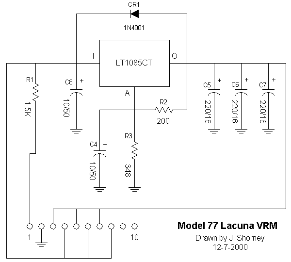
VRM
   The Voltage Regulating Module (VRM), made especially for the 9576/77i system board. It is used to reduce the CPU core voltage from 5.0VDC to 3.45VDC. That makes it possible to put an Intel 486DX4/100 or AMD 5x86/P75 CPU on the board to upgrade the performance.

  R1 1.5K 1/4 w 5% mf 
  R2  200 1/4w 1% mf
  R3 348 1/4w 1% mf 
  CR1  1N4001 
  C4   10uF 50v 105c 
  C5   220uF 16v 105c 
  C6   220uF 16v 105c 
  C7   220uF 16v 105c 
  C8   10uF 50v 105c 
              mf-metal film
 
 

VRM Circuit Diagram

Jim babbles on about some good to know stuff...
   R2 and R3 should be 1% or better precision resistors, since they set the output voltage of the regulator.  NOTE: Don't substitute a 'close' standard value for R3. If you don't have access to the exact value; a 300 ohm resistor in series with a 100 ohm trimpot could be substituted for R3 to allow fine trim of the regulator voltage.

The formula for calculating the resistors is in the regulator data sheet.  Use the simpler formula that ignores reference current.

1083fds.pdf   LT1083/84/85 7.5, 5, 3A Low Dropout Pos Adj Regulator

VRM Hack
  By Alfred Arnold Take a look at it HERE (messy, messy)

Interposer
   Interposer is required to properly support L2 cache on a number of systems. Sometimes, even an interposer isn't enough... 19x19 pin - PGA socket (top-view)  Push out the identified pin using a  solder iron.

From Tam Thi Pham
   Tested out a custom home-brew interposer with the "missing" pin as shown and lo and behold, I can now enable write-back caching on the 256K cache module when run a Pentium 83MHz Overdrive. Previously, I could use the POD but only with the cache set to write-through.



NOTE: Some systems do NOT accept ANY L2 cache modules. I have three Lacunas, none of them supported any of the IBM marked modules or IDT modules. Other people (Bob Watts among others) just seem to drop a POD in their machine, toss in any old L2 module, and it comes up happy. It is NOT the fault of the interposer. Read below for details. 



Dirty Secrets of the POD
From Peter Wendt 
>The whole Pentium Overdrive debacle was a mess from the beginning, with Intel changing specs and making motherboard manufacturer's and BIOS writers crazy. And Louis tried every BIOS level and revision I'm sure. 
   In fact they changed the PODP specs shortly before announcement. This L2 communication problem shows up on all these machines where the design work starts in early 1993. At IBM these are namely the PC-300 and the "Lacuna".  In a way the PODP was the Edsel of the processors: good idea, bad marketing - and outdated in the right after announcement. Intel hurried it a bit - when the problems showed up the major work was already done for the board-makers. 
   The main reason AFAIK: the original concept did not include boards with L2 WB-cache .... the most of the older boards did not have L2 - and if, then it were simple WT-cache. The problem got sharpened with the introduction of the "COAST" specification originally designed for "real Pentiums", when it got adopted by the 486/POPD developers. Good example: the PS/VP Series 2. A straight 486-board with cache SIMM. That wasn't planned that way. 

IDE Devices
Method for Interrupt Sharing with IDE Hard Files in IBM PS/2 Systems 
   Disclosed is a method that allows the interrupt request of an IDE hardfile to be shared with 
another device (e.g., SCSI hardfile) on interrupt level 14 within an IBM PS/2* system. 
   The interrupt request (IRQ) of an IDE interface was designed to be on a non-shared interrupt level. According to PS/2 Micro Channel* system architecture, all hardfile IRQs are shared on interrupt level 14. In a Micro Channel computer system that supports both an IDE hardfile and a  SCSI hardfile, a problem arises. The essence of the problem is that because the IDE interface IRQ was designed to be non-sharing, no IRQ "indicator bit" exists in any of the IDE status registers. In order for interrupt handling software to determine which of two or more devices sharing an IRQ level is the requesting device, an IRQ "indicator bit" or status bit is needed. The Figure shows a simple solution to provide the IRQ "indicator bit". 

   To provide the IRQ "indicator bit" for the Micro Channel IDE interface, bit 2 of port 92 was selected. In previous systems bit 2 (port 92) was connected to a pin in the I/O controller chip called SECURITY OVERRIDE.  SECURITY OVERRIDE is a signal that can be mechanically jumpered to ground by a customer engineer to override and reset the system password.  It sets port 92 bit 2 which is read by POST during system power-up initialization.  In normal functional  operation, SECURITY OVERRIDE is a static signal tied to +5V.  Because SECURITY OVERRIDE will only be jumpered to ground in the unlikely and infrequent case of a customer engineer making a repair to a PS/2 system, bit 2 of port 92 is multiplexed to monitor the IDE IRQ14 line and serve as the needed "indicator bit" as shown in the Figure.  The enable for the multiplexer is bit 4 of port E3 which is an output (ROM_PAGE) from the memory controller.  During POST initialization, bit 4 of port E3 is set to 0, and the SECURITY OVERRIDE signal is selected and its polarity can be read from bit 2 of port 92.  After the necessary testing and  initializations have been done, bit 4 in port E3 is set to a 1 before exiting POST.  IDE IRQ14 is then selected through the mux shown in the Figure and latched with a free-running clock into bit 2 of port 92.  Bit 2 of port 92 then functions as the IDE IRQ "indicator bit". 

IDE CDROM on 76/77 i/s
  I recently bought an IDE CD-ROM for a 9577 (VTG). I connected it on the motherboard IDE controller. It works correctly under DOS with the following commands in CONFIG.SYS: DEVICE=BTCDROM.SYS /D:MSCD001 and C:\WINDOWS\COMMAND\MSCDEX.EXE /D:MSCD001 /V  in AUTOEXEC.BAT 
  But when I try to start Windows 95, everything STOP during the initialisation of Windows. 

Morten Kristensen
You have to manually install an IDE driver in Win95. Controlpanel -> Add New Hardware. Do not let Windows find it automatically! Add an Standard IDE/ESDI Harddisk Controller, IRQ=14, I/O=0x170 (maybe it is 0x1F0). Now you are able to use the CD-rom without DOS-drivers. 

IDE Hard Drive

. I used these to run a WD2540 in 32 bit mode Same as above,  Manual installation. 

Standard IDE/ESDI HD Controller 
IO Range 01F0-01F7 
IO Range 03F6-03F6 
IRQ 14 

 Though others have successfully used the Busmaster IDE HD controller. When I set up the 540, it was for an ISA/PCI machine with built-in IDE controller. I was looking for as much compatibility as possible. 

Maxtor 10.2 GB IDE Under 98
  From Michael Lybarger
   I just installed a Maxtor 10.2 gig "Diamondmax" 7200 rpm unit on my 77s and upgraded to win 98 (from 95).  I could not get the hard drive, CD rom or floppy drive (!) to run with a protected mode driver, as they did with my previous configuration (using 2 SCSI 270 MB drives instead of the big IDE and one SCSI I have now). 
    First I tried to use FDISK, (the latest version, that supports 32 bit), but it would not allow me a partition bigger than 7.23 gig or something like that.  I do not know the reason for this. Anyway, the max blast program worked great- I got the whole 10.2 gig (which was the primary reason for going to win98 anyway- 95a does not support a 32 bit FAT).  As I said, once I got it set up properly on IRQ 14, It ran in protected mode with the windows driver. 

From Ron Doran
   I have recently had great success with on 850MB Western Digital  IDE drive on the connector with no formatting problems, but the machine puked when I tried 2 different 1024MB Seagate drives on it. (puked=low level format) ;) 

From Peter
   If you have a BIOS revision 07 or 08 even if you have a drive over 4GB you don't need a disk-manager ... you only cannot install a convenience partition on that drive. My 9577-BTG has a 4.51 GB Seagate Barracuda installed. Works fine - but I have to fiddle around with the ref- and diags-floppies once I change something.

IDE ZIP + Lacuna ( IDE )
From Bob Watts
 Since the Iomega ZIP drive is an ATAPI compliant device, I was pretty sure it would work,  but you never know. I simply plugged it into my IDE cable, and Windows 95 OSR2 found it and installed it instantly with no problem. 
    For further information, an IDE CD-ROM device was previously on this cable, and it is jumpered as Master, and the ZIP drive is jumpered as Slave. Also, an IBM 0662 1 gig SCSI drive is the boot drive, on the factory installed Future Domain controller. 

Boot Sequence
The "Lacuna" board has a 40-pin single-channel IDE controller port just above the FDD-port. It nicely takes harddisks over 524MB if the Flash.-BIOS release is 08 or 09 (G7GT61A). 
   The IDE-channel accepts two devices in the usual master / slave configuration on a standard IDE-cable. There is however some care required if you want to use it simultaneously with the SCSI adapter. You need to set the boot-sequence in the "features" properly - to avoid problems when the system tries to boot from an IDE CD-ROM ... :-) 

IDE Planar Header
   Based on personal experience, the IDE header on the Lacuna planar uses a polarized plug. BUT look at the header- it uses TWO keys, one near each end. If you have the common IDE polarized plug on your cable, it has ONE centrally located key.... 
  Luckily, I found a non-polarized plug (no keys at all). All you ISA/PCI veterans know what to do if the system refuses to boot- check the cable pin 1... (I just turned the cable 180, plugged it in, and it booted). 
   If you do not have the uncommon dual key plug, simply  use a file or a sharp knife and remove the polarizing key off an IDE cable you have laying around. Note that Pin 1 is toward the riser! Look at the planar illustration. The red marked wire goes toward the riser! 

From Dr. Jim
   If an IDE data cable is plugged in backwards, it can hold the reset line on the motherboard down.  The result is a motherboard that appears dead. 

Pin One Makes a Difference
From Martin Adams
   I tried to install an IDE CD drive. I had read all the stuff on Louis page on installing a IDE CD. And reviewed all of Bob Watts notes, looked very easy. I had a cable with out any external key so it would fit in the weird double keyed socket. (Ed. Look directly above this paragraph!) 
   I had the drive set as master, but what ever I did, 3 different cables 3 different IDE CD's. Another planner. Nothing would work. Damn drive door wouldn't even open. 
   I was looking at the planner and it hit me. I had assumed that pin 1 for the IDE port was on the same end as the FDD cable. I noticed one of the middle pins that was cut for use of a cable the was plugged to act as a key. 
   I had been hooking up the cable on the planer backwards all the time! So note pin one for the IDE is towards the riser card.

IDE Controller Capabilities
The onboard IDE is a "single channel"-IDE but rumors say BIOS 08 is capable to handle drives over 528MB, mine at home currently runs with a 650MB, so it is in a way a "half EIDE" interface. Pretty strange. 

IDE CDR
>I have the IDE version of the Model 9576. I want to add an IDE based CD-Reader Writer BUT can't getr the reference program to recognize the fact that something is there. 

Peter responds 
   Uhm ... do you still use the IDE port for a harddisk ? If so: check if the harddisk requires a particular jumpering for "Master with a Slave". "Single Drive" should be avoided consequently :-) 

   If you don't have a HD on the IDE port: jumper the CD-burner as "Master". The IDE port often dislikes the use of a "Slave only" configuration. And check your systems' BIOS level. Those before 07 had several limitations on the type of supported devices / drive sizes. Take 08 at least. 



Video

S3 928 Video Drivers
   S3 and Diamond merged, lookit HERE

S3-928 Trivia
Peter implies:
1. The S3-928 version used in the Lacuna contains a "special" IBM video bios that includes all XGA-2 modes to allow the use of 951x monitors with that machine.

2. The S3-928 cannot be disabled physically. It goes in some sort of "sleep mode" when another VGA / SVGA capable card is detected - nontheless parts of the card is still activated and *may* cause trouble. 
   Not confirmed: the early BIOS releases below 07 seem to be more vulnerable to video disturbances with S3 and other video cards. One thing IBM tried to fix with 07. In either case you better use a BIOS 08 - also for the "over 524MB HD" capability.

3. The XGA-2 card has not been announced to be used with the "Lacuna" series anyway. IBM seems to have removed the card from the list, because in the first announcement of the 76i / 77i the XGA-2 is still listed - not in the later product / option matrices and product descriptions on the "Lacuna".

4. The 9515 and 9517 monitors are not 800 x 600 capable *per IBM*. They can be tweaked to show an 800 x 600 like picture, but it is distorted and the monitors have no explicit mode for it. These screens are "XGA-2 only" Multi-Mode screens with fixed adjusted presets. They are no Multisyncs. 
   If you want to run the Lacuna with most of the possible modes switch to a 9525 or 9527 monitor. Or any other good SVGA screen. I run my "workhorse" 9595-S30 with XGA-2 on an Eizo F35, the 9577-BTG runs with a NEC 15XE and both do fine.

5. Nontheless the XGA-2 (at least) will run in a Lacuna. There might be some interference to clear out manually during OS installs, which is the primary video system. This is usually the one with the monitor attached. In 99% of all cases OS'es get that right - but sometimes the onboard video is ranked higher and the OS gets confused. (Haven't seen that too often to be true - but can happen).

800x640x64k under W95
   The onboard-video chipset is a S3-928 SVGA. The box runs nicely with Win 95 - will most likely also run nice with Win98, since it has IDE and not IBM MCA SCSI (which is only merely supported with 98). To install the appropriate drivers for DOS/Win 3.x / Win95 see the "W95 Setup for S3 SVGA" setup page. This will enable your machine to use the full potential of the S3 chipset. 

AVE Slot
  Display adapter cards that use the Auxiliary Video Extension when installed in a system require installation in slot one (9576) or slot two (9577) and attachment of a display to the system video connector during configuration of the system. 

Video Adapters under W95
   There is no way I know of disabling the on-board video. W95 says there is a conflict, but none shows up under Device Mangler. You cannot successfully configure the add-in video card. 

Lacuna Video Glitch

 >I have a 77s that has displayed a charming quirk- it waves the top half inch of the screen. Not all the time, but... 
    Please check the type of the Video RAMDAC - and the origin of the S3 chip. Some Thailand-S3s have internal  bugs using an earlier stepping mask. The RamDac should be the AT&T in this case. These were the machines that cause massive faults under OS/2 2.1 ... 
   The S3 chips are famed for a lot "undocumented features" (like using an address for COM4 (? yes - think so)) and this chipset is -basically- a VESA Local Bus chipset which is stitched in the Lacuna planar with a hot needle.

>IIRC, the last three digits of one of the S3's I/O ports is 2e8.  Like B2e8h or something.

Yep. That was it. 

>If I understand this correctly, it wasn't S3's fault that some com port hardware did faulty address decoding.

Yes and No. On MCA it wouldn't have been too bad, because MCA *should* use a full decoding (or: 24 bits at least, 16 bit for the I/O range), but -again- the VLB chipset was a little buggy already, before IBM decided to put that on a MCA platform. Who's to blame ? S3 -in addition- delivered chipsets which were out of specs for some series which made things worser than it already was.

>The workaround was to not use com4/2e8 if possible, or to remap com4 to a different address if it was really needed.

IBM's COM3 - 4 ports on the PS/2 were not "XT-style" so this COM/Video interference wasn't much of a problem here. It was *much* worser on the "Rocket" PS/VP Series 3, which were PCI/ISA with more generic layout and addresses. They used S3 chipsets too ... 

>I have seen Lacunas with S3-928 Rev. G and Rev. P.  Seen both kind with either  a BT or AT&T DAC also. 
        Most likely the -G- revisions are afflicted by what IBM euphemistically called "video timing glitch" ... and which causes the entire machine to crash under OS/2. IBM offered various bug-fixes for OS/2 2.1 and tried to fix the problem with modified hardware as well, which lead to slight incompatibilities with driver versions. The drivers for the original (un-fixed) 2.1 did not work very well with these machines. The APARs offered for Germany were .... now ... not so good. The US-APARs seed to be better, but you should not mix different language versions within any OS. The later series of the "Lacuna" seemed to be more stable and especially with OS/2 Warp the problems rarely occured. 
    Some machines that have been migrated to Win95 show up odd effects recently. Especially when switching to and from DOS-boxes into full-screen hi-res modes may cause the system to hang, fall into GPF or show odd colored icons / missing icons / speckled screen etc. This seems to be caused by a faulty, out-of-time palette read ... haven't noticed that on my machine, so I guess the -P- level of the S3 seems to be stabilized.


Mediaburst Module FRU 71G5839 

CN1 Male 68 pin VMB 
U1, U2 Solder pads 
U3 Vialogic VL i110 A 
X1 32.000 MHz 
X2 25.000 MHz 

mediabst.exe   DOS/Windows drivers 
mediaos2.exe   OS/2 2.11 drivers 
mediaos2.txt   readme for Mediaos2.exe 

U3 is a Vialogic PowerPlay 32 (3 Squared) 

   MediaBurst Movie Adapter expands up to four times the window size of many software motion-video compression algorithms, such as Video for Windows or Ultimotion(TM), and provides access to the VESA Media Channel (VMC) 

 The MediaBurst Movie device driver uses the PowerPlay 32 video accelerator chip to provide enhanced playback of digital video.  This allows viewing of video clips in larger-sized windows or full-screen  without the degradation in speed and picture quality usually associated with software motion video. 

  Key features of the MediaBurst Movie option include: 
  o   Full-screen video at up to 30 frames per second (fps) 
  o   Smooth scaling of the video image for better picture quality 
  o   Support for IBM OS/2 MMPM/2 and Microsoft Video for Windows movie formats: 
   -   INDEO 2.1, 3.1 
   -   Ultimotion 
   -   Audio Video Interleave (AVI) 

RESOLUTION SUPPORTED BY MEDIABURST OPTION 
        Graphics      AVI File      Video        Smooth
       Mode Colors    Format     Acceleration    Scaling
     ---------------------------------------------------
         16           ALL          No             No
         256          8-bit        Yes            No
                      palletized
         256          All Others   No             No
         64K          All          Yes            Yes
         16M          All          No             No

My thanks to Brad Parker for ripping apart his 77s and sending me a scan. 



Parallel Port

ECP Support
Does the 77i even support ECP? My printer/CD/ZIP drive doesn't work... 

From Peter
Do the following: 
- boot into reference (either disk or system partition if one installed) 
- enter "Set configuration" 
- find the "Parallel Port DMA" and set it to "Disable". 
- press [F10] to store the config ... [F3]/[F3] to leave. 

   That should fix the problem. The 9577 -as most PS/2- has a "DMA-arbitrated" LPT-port, which is neither ECP nor EPP, only "sort of". The "Disable" directs the machine not to use DMA during bi-directional transfers and use a contigous data-stream. 
   The DMA-mode tends to miss backcoming signals from PP-devices especially PP CD-ROMs, Tapes and Zip-Drives. Some printer-drivers use the bi-directional communication to signal details from the printer back to the computer 

Direct Connection under W95
  Yes it does work. I even used the ECP port setting with the parallel cable. Both ports were at Parallel 2, and DMA Arbitration 1. 
  For a detailed description of the DCC process, 95 to 95, 95 to 3.1x, etc. check out Connect Pages at Kime.Net.

Parallel Port "!" under W95 with Audiovation
  I was thinking way too hard on this. The default choice for W95 to assign an IO Range for a MCA parallel port is 3BC-3BE. BUT this conflicts with the first memory range of the S3 928 (check resources, the first range is 3B00-3BFF). Set your parallel port to "parallel 2" under system programs, which is the standard 378-37D address. Then under W9x, set the IO range to 378-37A.."!" goes away. 



Cache Modules

Compatable Cache Sources
From Aron Eisenpress
>Aron, spare me some pointless pondering. The two IDT L2 cache modules are for WHAT VP system(s)? 

Sorry.. let me be more clear! 
   The Lacuna cache modules physically fit the ValuePoint 2 systems - the 6382/S, 6384/D, and 6387/T (not the 6384's with 30-pin SIMMs, which are so-called VP 1's, nor the Pentium-60's, nor the Si or  "Performance" models). 
   Here are *all* the IDT modules I know about: 
       7MP6104: 128k WT for Lacuna, as has been mentioned. 
       7MP6107: 128k WB for VP2; works fine there. 
       7MP6108: 256k WB for VP2; works fine in WT but not reliable in WB  mode.  I didn't have a Lacuna to test this in then. 
        7MP6150: 256k WB for VP2; seems to work well. 
        7MP6155: 256k, I think it's WT.  This does not work properly in the VP2 with a cpu faster than a 486DX33, and when I tried it in the 76s  it worked but I got a message saying that the copy of the FAT in memory was bad... so I don't think it works properly there either! Maybe the chips are too slow or something.  We got these as add-ons at the time we bought a bunch of VP2 DX33's, so I presume they're supposed to work in them. 
       7MP6188: 128k, WT.  Seems to work in the 76s and also in the VP2. 
     There's another one which is 256K WB and worked fine in my 6382/S but I can't seem to find a record of what the number was and I no  longer have that system. 

Installing Cache Module

   Note the notch on the bottom of the module on the corner. Now look at the cache socket. Notice the white plastic part that seems to be useless? It isn't. Insert the cache module so that the notch is towards the white latch. If you want to remove the cache module, pull up on the white latch (it's a captive part!) until the notched corner of the cache module is pushed out of the socket. Neat-o, isn't it? (Works fine in my 9585-xNx, but there isn't enough room in the 77s case to effectively pull up on the latch...) 
 
 
 
 



L2 Cache Modules
 
Cypress 128KB L2 Cache PN 06H3306

Cypress 128KB L2 Cache PN 06H3306

Cypress 256K L2 Cache PN 06H3307 

Cypress 256K L2 Cache PN 06H3307 

IDT 128K Write Through IDT7MP6104

IDT 128K Write Through IDT7MP6104

IDT 256KB WB 7MP6150

IDT 256KB WB 7MP6150

IDT 256KB WB 7MP6108

IDT 256KB WB 7MP6108

  There has been a number of efforts to deduce the proper choice of WT/WB with certain processors. But if you search the newsgroup, some boards work one way, then move the CPU and cache to another board, and it bombs. Whatever works for you .... 



Overclocking the Lacuna board
From Zp Gu
   This mod is relatively easy. I changed the 66.667mhz OSC to an 80mhz surface mount crystal/osc from Digikey and the board is now running an AMD-133 at 160mhz without any problem. 
   The board actually has 4 thru-holes under the OSC, but IBM chose to put an SMD instead of a half size socket. Socket would have made life much easier. I didn't attempt to put a socket there since I don't have the right equipment/skill to do so. I just soldered a surface mount 80Mhz to its place. 
   Putting a POD83 in failed POST. I can't imagine Intel being so tight on this, but maybe it's just my bad luck. Running it at 83mhz was no problem. 

From Peter Wendt
   My 9577-BTG chokes at power on with a 2401 "platform video error". Obviously my S3-928 chipset dislikes the 40MHz base clock. On attempting to bypass the error with [F1] - "Start operating system" the system hangs with a GPF-screen at Win95 logon ... or rebooted after the network adapter tried to insert into the TR-network. 
   The effect was much worser with the Kingston Turbochip - but also noticeable with the original DX4-100 ... where in addition the VRM turned really hot ! Significantly hotter than under normal operation - a sign that the power drawn from the DX4 at 40MHz is "a little bit" higher than at 33MHz. 
    I had only a "full size" oscillator and needed to build a sort of "adapter" from half-size holes to full-size socket. But that's a minor problem. *Then* I needed to solder an adapter for the original 66.6667MHz SMD-crystal ... Aaak ! 
   Anyone tried that modification with a "Bermuda" ? These have MCA XGA-2 cards and no "local bus video" as the "Lacuna". Should work a bit better there ... probably. 

From Zp Gu 
   This is definitely another warning to anyone who contemplates the mod. You can't apply enough disclaimers to this kind soldering.  Mine has no VRM, originally DX2/66 with ATT20C490-11 DAC. The cache module feels very warm. But then again, it's always very hot to the touch.  I believe you can't set Kingston TurboChip's level-1 cache to WB, hence it's the most compatible upgrade (and least performing). 

From Peter Wendt 
   Mine has the Booktree Bt495 RAMDAC ... the cache module is the IDT 256K WT/WB with the IBM decals (tested in both modes and without - no change). It already gets really hot during operation - even with the standard 486DX4. 



Early Lacuna Streaming Limitations
Symptom:   LanStreamer and EtherStreamer adapter do not work in 76i/77i with 25MHz planar (FRU P/N 95G9691) 
Problem Isolation Aids:   Adapter cards function correctly in other 9576/9577 models & 76i/77i with 33MHz planar. 
Fix:   Streaming mode adapter cards are not supported for use with 76i/77i systems fitted with 25MHz planar. The problem is caused by a limitation of the level of Bus Interface Controller chip used on this planar. 76i/77i systems with the 33MHz planar are unaffected by this problem. 
Solution: Replace the systemboard FRU P/N 95G9691 with FRU P/N 96G1305. (Identification - 95G9691 = 'yellow' / 96G1305 = 'blue' Synchro Stream Controller. 

   The SPD jumper to the left of the CPU-socket sets the processor base clock of 25 or 33MHz - it is only present on the 25MHz-planars as far as I know. These can be switched up to 33, but the 33MHz planars cannot be switched down to 25MHz (wonder why !). You will have to set the multiplier jumper to 3X when you use the board in the setting with 33MHz. The 4x / 25MHz setting will also work - but the accesses on the board level might be a bit slower. 
   The 25MHz boards are afflicted by a flaw in the "Synchro Stream" controller: a large yellow or blue chip somewhere in the middle of the board.  If yours is P/N 95G9691 and has the yellow synchro-stream controller it might not work with the faster network adapters of the IBM Streamer series. If it is P/N 96G1305 and has the blue synchro-stream controller it is not afflicted by this misbehaviour. In "normal life" this has no affect however - you only will take notice if you use adapters that use the 80MB/s high speed data streaming. 



Speaker Noise
From Peter 
   When the Lacunas came out there was a series of falsely wired "speaker /power switch / LED" units - which had the speaker wired to +5VDC of the HD activity LED instead to GND. Now - these machines made a lot noise when accessing the harddisk :-) 

9595 Main Page