VIDEO SEVEN

V7 VEGA EGA

Card Type

Video Card

Video Chip Set

Unidentified

Maximum Video Memory

256KB DRAM

Video Types Supported

Monochrome, CGA, EGA, Hercules

Highest Resolution Supported

720 x 348

Data Bus

8-bit ISA

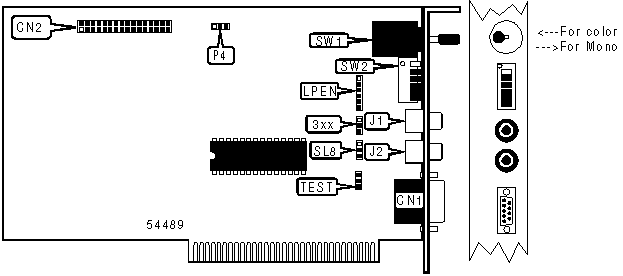
CONNECTIONS

Function

Label

Function

Label

9-pin digital video port

CN1

Composite video in

J1

Feature connector

CN2

Composite video in

J2

USER CONFIGURABLE SETTINGS

Function

Label

Position

»

Factory configured - do not alter

3xx

Pins 1 & 2 closed

»

Factory configured - do not alter

LPEN

Unidentified

»

Factory configured - do not alter

SL8

Pins 2 & 3 closed

 

EGA Display

SW1

On

 

CGA / Monochrome

SW1

Off

»

Factory configured - do not alter

SW2/6

Unidentified

 

VEGA emulation (enabled)

SW2/5

On

 

VEGA emulation (disabled)

SW2/5

Off

»

Factory configured - do not alter

TEST

Open

DISPLAY CONFIGURATION

Primary Display

Secondary Display

SW2/1

SW2/2

SW2/3

SW2/4

Vega with CD

40 x MDA or none 25

On

Off

Off

On

Vega with CD

80 x MDA or none 25

Off

Off

Off

On

Vega with ED

MDA or None (Normal)

On

On

On

Off

Vega with ED

MDA or None (Enhanced)

Off

On

On

Off

Vega with MD

CGA 40 x 25

On

Off

On

Off

Vega with MD

CGA 80 x 25 or None

Off

Off

On

Off

MDA

Vega with CD 40 x 25

On

On

On

On

MDA

Vega with CD 80 x 25

Off

On

On

On

MDA

Vega with ED (Normal)

On

Off

On

On

MDA

Vega with ED (Enhanced)

Off

Off

On

On

CGA (40 x 25)

Vega with MD

On

On

Off

On

CGA (80 x 25)

Vega with MD

Off

On

Off

On