MICRONICS COMPUTERS, INC.

MVC4000LB

Category

Video

Video Types Supported

XVGA

Video Processor

Tseng Labs

Highest Resolution Supported

1280 x 1024

Data Bus Type

32-bit Local VESA Bus

Memory Type

DRAM

Maximum Onboard Memory

1024KB

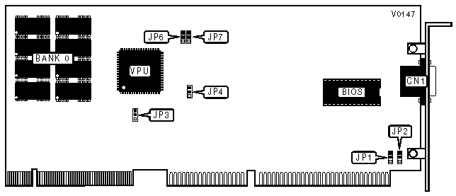
CONNECTIONS

Purpose

Location

15-pin analog video port

CN1

VIDEO INTERRUPT CONFIGURATION

IRQ 2/9

JP2

»

Disabled

Pins 1 & 2 closed

 

Enabled

Pins 2 & 3 closed

FACTORY CONFIGURED - DO NOT ALTER

Jumper

Position

JP1

Pins 2 & 3 closed

JP3

Pins 1 & 2 closed

JP4

Pins 1 & 2 closed

JP6

Pins 2 & 3 closed

JP7

Pins 1 & 2 closed