ZOOM TELEPHONICS, INC.

COMSTAR 28800

Card Type

Fax, Modem (asynchronous), Voice

Chip Set

Unidentified

I/O Options

Speakerphone, Voice mail

Maximum Data Rate

28.8Kbps

Maximum Fax Rate

14.4Kbps

Data Bus

8-bit ISA

Fax Class

Class I & II

Data Modulation Protocol

Bell 103/212A

ITU-T V.21, V.22, V.22bis, V.23, V.32, V.32bis, V.34

Fax Modulation Protocol

ITU-T V.17, V.21CH2, V.27ter, V.29, V.33

Error Correction/Compression

MNP10, V.42bis

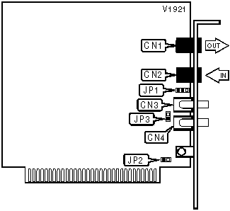
CONNECTIONS

Function

Label

Function

Label

Line out

CN1

Microphone

CN3

Line in

CN2

Speaker

CN4

USER CONFIGURABLE SETTINGS

Function

Label

Position

í Electret microphone

JP1

Pins 1 & 2 closed

Plantronics headset

JP1

Pins 2 & 3 closed

Dynamic microphone

JP1

Open

í Unpowered speaker, volume medium level

JP2

Closed

Powered speaker, volume low level

JP2

Open

Volume high level

JP2

Closed

í Unpowered speaker, volume medium level

JP3

Closed

Powered speaker, volume low level

JP3

Open

Volume high level

JP3

Open

Proprietary AT Command Set

AUTO-RETRAIN - AUTO-FALLBACK/FALL-FORWARD

Type:

Configuration

Format:

AT [cmds] %En [cmds]

Description:

Controls auto-retrain mode and auto-fallback/fall-forward

Command

Function

%E0

Auto-retrain disabled

%E1

Auto-retrain enabled

í %E2

Auto-fallback/fall-forward enabled

%E3

Auto-retrain enabled with fast hang-up

BIT MAPPED REGISTERS

Register

Default

S14

Unidentified

S16

Unidentified

S21

Unidentified

S22

Unidentified

S23

Unidentified

S27

Unidentified

S28

Unidentified

S31

Unidentified

S40

Unidentified

S41

Unidentified

BREAK SEND

Type:

Configuration

Format:

AT [cmds] \Bn [cmds]

Default:

3

Range:

1-9

Unit:

.1 second

Description:

Sends break to modem

BREAK TYPE

Type:

Configuration

Format:

AT [cmds] \Kn [cmds]

Description:

Configures action of break signal

CALLER ID

Type:

Configuration

Format:

AT [cmds] #CID=n [cmds]

Description:

Controls the Caller ID function

Command

Function

#CID=0

Caller ID disabled

#CID=1

Caller ID enabled

COMPRESSION

Type:

Configuration

Format:

AT [cmds] %Cn [cmds]

Description:

Selects data compression

Command

Function

%C0

Data compression disabled

%C1

MNP5 enabled

%C2

V.42bis enabled

í %C3

MNP5 and V.42bis enabled

CONNECT MODE

Type:

Configuration

Format:

AT [cmds] \Nn [cmds]

Description:

Controls the type of connection the modem will operate in

Command

Function

\N0

Normal mode enabled

\N1

Direct mode enabled

\N2

Reliable mode enabled

í \N3

Auto-reliable mode enabled

\N4

LAP-M error correcting only enabled

\N5

MNP error correcting only enabled

DIAL

Type:

Immediate

Format:

AT [cmds] D<#> [cmds]

Description:

Dials telephone number according to any modifiers included in the string

Modifier

Function

L

Redials last number

P

Pulse dialing enabled

T

Tone dialing enabled

W

Dialing resumed following dial tone detection

,

Dialing paused for amount of time specified in S8 register

@

Modem waits for a ring-back signal followed by silence up to 5 second prior to executing the rest of the dial string.

R

Command recognized and not initiated

;

Modem returned to command mode after dialing.

!

Flash function initiated. Goes on-hook for amount of time specified in S29 register

S=(0-3)

Number in memory location &Zn dialed

^

Calling tone enabled, data mode only.

FLASH DIAL MODIFIER TIME

Type:

Register

Format

AT [cmds] S29=n [cmds]

Default:

70

Range:

0-255

Unit:

.01 second

Description:

Time the modem will go on-hook upon receiving the ! dial modifier in dial string.

FLOW CONTROL

Type:

Configuration

Format:

AT [cmds] \Gn [cmds]

Description:

Selects modem port flow control

Command

Function

í \G0

Flow control disabled

\G1

Flow control enabled

FLOW CONTROL

Type:

Register

Format:

AT [cmds] S39=n [cmds]

Description:

Select the type of flow control used

Command

Function

S39=0

Flow control disabled

í S39=3

Hardware flow control enabled

S39=4

Software flow control enabled

S39=5

Transparent software flow control enabled

S39=6

Both hardware and software flow control enabled

FLOW CONTROL CHARACTER - XOFF

Type:

Register

Format:

AT [cmds] S33=n [cmds]

Default:

19

Range:

0-255

Unit:

ASCII

Description:

Sets the character used to represent XOFF

FLOW CONTROL CHARACTER - XON

Type:

Register

Format:

AT [cmds] S32=n [cmds]

Default:

17

Range:

0-255

Unit:

ASCII

Description:

Sets the character used to represent XON

LINE SIGNAL LEVEL

Type:

Immediate

Format:

AT [cmds] %L [cmds]

Description:

Returns a value which indicates the received line signal level (-dBm)

LINE SIGNAL QUALITY

Type:

Immediate

Format:

AT [cmds] %Q [cmds]

Description:

Returns a value which indicates line signal quality

MAXIMUM BLOCK SIZE FOR TRANSMISSION

Type:

Configuration

Format:

AT [cmds] \An [cmds]

Description:

Sets the maximum transmittable block size

Command

Function

\A0

MNP block size is 64 characters

í \A1

MNP block size is 128 characters

\A2

MNP block size is 192 characters

\A3

MNP block size is 256 characters

MNP - STREAM/BLOCK MODE

Type:

Configuration

Format:

AT [cmds] \Ln [cmds]

Description:

Selects the transfer mode for MNP link

Command

Function

í \L0

Stream mode for MNP enabled

\L1

Block mode for MNP enabled

MNP10 - EXTENDED SERVICES

Type:

Configuration

Format:

AT [cmds] -Kn [cmds]

Description:

Selects MNP10 extended services

Command

Function

í -K0

MNP10 disabled

-K1

MNP10 enabled

-K2

MNP10 enabled on originate mode only

MNP10 - FALLBACK

Type:

Configuration

Format:

AT [cmds] -Qn [cmds]

Description:

Allows MNP10 to fall back to 2400bps

Command

Function

-Q0

MNP10 at 2400 disabled

í -Q1

MNP10 at 2400 enabled

MNP10 - LINK NEGOTIATION

Type:

Configuration

Format:

AT [cmds] *Hn [cmds]

Description:

Sets the speed at which MNP10 link negotiation will occur

Command

Function

í *H0

Link will be negotiated at highest possible speed

*H1

Link will be negotiated at 1200bps

*H2

Link will be negotiated at 4800bps

MNP10 - POWER LEVEL ADJUST

Type:

Configuration

Format:

AT [cmds] )Mn [cmds]

Description:

Controls automatic transmit power level adjustment during MNP 10 link negotiation

Command

Function

í )M0

Power level adjustment disabled

)M1

Power level adjustment enabled

MODULATION SELECTION DISPLAY

Type:

Immediate

Format:

AT [cmds] +MS? [cmds]

Description:

Displays modulation, automode, minimum rate and maximum rate settings

MODULATION SELECTION

Type:

Configuration

Format:

AT [cmds] +MS=x,y,z,a [cmds]

Description:

Sets options for active protocol; the transfer rates specified by z and a must be valid for the protocol selected.

Command

Function

x=0

V.21

x=1

V.22

x=2

V.22bis

x=3

V.23

x=9

V.32

x=10

V.32bis

í x=11

V.34

x=64

Bell 103

x=69

Bell 212A

x=74

V.FC

y=0

Automode disabled

í y=1

Auto-detect highest speed enabled

z, a=300

Set minimum or maximum transfer rate at 300bps, respectively.

z, a=1200

Set minimum or maximum transfer rate at 1200bps, respectively.

z, a=2400

Set minimum or maximum transfer rate at 2400bps, respectively.

z, a=4800

Set minimum or maximum transfer rate at 4800bps, respectively.

z, a=7200

Set minimum or maximum transfer rate at 7200bps, respectively.

z, a=9600

Set minimum or maximum transfer rate at 9600bps, respectively.

z, a=12000

Set minimum or maximum transfer rate at 12000bps, respectively.

z, a=14400

Set minimum or maximum transfer rate at 14400bps, respectively.

z, a=16800

Set minimum or maximum transfer rate at 16800bps, respectively.

z, a=19200

Set minimum or maximum transfer rate at 19200bps, respectively.

z, a=21600

Set minimum or maximum transfer rate at 21600bps, respectively.

z, a=24000

Set minimum or maximum transfer rate at 24000bps, respectively.

z, a=26400

Set minimum or maximum transfer rate at 26400bps, respectively.

z, a=28800

Set minimum or maximum transfer rate at 28800bps, respectively.

SLEEP TIMER

Type:

Register

Format

AT [cmds] S24=n [cmds]

Default:

0

Range:

0-255

Unit:

1 second

Description:

Maximum duration of DTE and DCE inactivity allowed prior to initiating low-power sleep mode.

SPEAKERPHONE OPTIONS

Type:

Immediate/Configuration

Format:

AT [cmds] (see below) [cmds]

Description:

Configures the modem to voice mode

Command

Function

#CLS=8

Enable voice mode

#VLS=6

Enable speakerphone

A

Answer in-coming call

#VRN=0

To originate a call, then AT<#><enter>

HZ

Ends the call

SPEAKERPHONE SETTINGS

Type:

Configuration

Format:

AT [cmds] #SPK=x, y, z [cmds]

Description:

Controls the speakerphone settings

Command

Function

x=0

Microphone muted, speaker enabled

í x=1

Microphone and speaker enabled

x=2

Microphone on maximum and speaker disabled

y=(0-16)

Speaker volume; increase the value lowers the volume.

í Y=5

Default setting

Z=(0-3)

Microphone sensitivity; increase the value the microphone becomes more sensitive.

í Z=1

Default setting

TRANSMISSION LEVEL - CELLULAR

Type:

Configuration

Format:

AT [cmds] @Mn [cmds]

Default:

0

Range:

11-30

Unit:

-1 dBm

Description:

Sets the signal level for transmission while in cellular mode

Command

Function

@M0

-26 dBm

@M1

-30 dBm

@M2-@M10

-10 dBm

V.32 - COMPROMISE EQUALIZER

Type:

Configuration

Format:

AT [cmds] :En [cmds]

Description:

Controls V.32 compromise equalizer

Command

Function

:E0

Equalizer disabled

í :E1

Equalizer enabled