RHETOREX, INC.
RTNI-2E1(120ohm)
|
Card Type |
E1 CSU |
|
NIC Type |
E1 |
|
Maximum Onboard Memory |
Unidentified |
|
Boot ROM |
Not available |
|
Network Transfer Rate |
2.048Mbps |
|
Topology |
Star |
|
Wiring Type |
RJ-48C twisted pair copper wire |
|
Data Bus |
16-bit ISA |
|
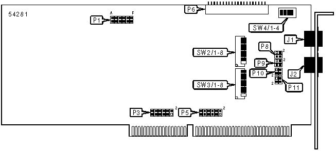
CONNECTIONS | |||
|
Function |
Label |
Function |
Label |
|
RJ-48 connector to trunk line A |
J1 |
RJ-48 connector to trunk line B |
J2 |
|
MVIP connector |
P6 | ||
|
USER CONFIGURABLE SETTINGS | |||
|
Function |
Label |
Position | |
| » |
Factory configured - do not alter (IRQ) |
P3 |
Pins 11 & 12 closed |
| » |
Factory configured - do not alter (IRQ) |
P5 |
Open |
| » |
Factory configured - do not alter |
SW2/8 |
Unidentified |
| » |
Factory configured - do not alter |
SW3/8 |
Unidentified |
|
MVIP TERMINATION | ||||||
|
Function |
P1/A |
P1/B |
P1/C |
P1/D |
P1/E |
P1/F |
|
Clockmaster |
Open |
Open |
Open |
Open |
N/A |
N/A |
|
Terminate MVIP |
Closed |
Closed |
Closed |
Closed |
N/A |
N/A |
|
TRUNK A EQUALIZATION | ||
|
Function |
P8 |
P9 |
|
Network mode |
Pins 1 & 2, 3 & 4 closed |
Pins 1 & 2, 3 & 4 closed |
|
User mode |
Pins 1 & 3, 2 & 4 closed |
Pins 1 & 3, 2 & 4 closed |
|
TRUNK B EQUALIZATION | ||
|
Function |
P10 |
P11 |
|
Network mode |
Pins 1 & 2, 3 & 4 closed |
Pins 1 & 2, 3 & 4 closed |
|
User mode |
Pins 1 & 3, 2 & 4 closed |
Pins 1 & 3, 2 & 4 closed |
|
LINE A EQUALIZATION SETTINGS | |||||||
|
Value |
SW2/1 |
SW2/2 |
SW2/3 |
SW2/4 |
SW2/5 |
SW2/6 |
SW2/7 |
|
10h |
Open |
Open |
Closed |
Open |
Open |
Open |
Open |
|
15h |
Open |
Open |
Closed |
Open |
Closed |
Open |
Closed |
|
20h |
Open |
Closed |
Open |
Open |
Open |
Open |
Open |
|
25h |
Open |
Closed |
Open |
Open |
Closed |
Open |
Closed |
|
40h |
Closed |
Open |
Open |
Open |
Open |
Open |
Open |
|
45h |
Closed |
Open |
Open |
Open |
Closed |
Open |
Closed |
|
1Ah |
Open |
Open |
Closed |
Closed |
Open |
Closed |
Open |
|
2Ah |
Open |
Closed |
Open |
Closed |
Open |
Closed |
Open |
|
4Ah |
Closed |
Open |
Open |
Closed |
Open |
Closed |
Open |
|
1Fh |
Open |
Open |
Closed |
Closed |
Closed |
Closed |
Closed |
|
2Fh |
Open |
Closed |
Open |
Closed |
Closed |
Closed |
Closed |
|
4Fh |
Closed |
Open |
Open |
Closed |
Closed |
Closed |
Closed |
|
Note: 12 equalization values are available. Switch 1 is the most significant bit. Switch 7 is the least significant bit. An equalization setting of 40h is recommended for a ABAM cable 0-150 feet in length, 2Ah for a cable 150-450 feet, & 15h for a cable 450-650 feet. | |||||||
|
LINE B EQUALIZATION SETTINGS | |||||||
|
Value |
SW3/1 |
SW3/2 |
SW3/3 |
SW3/4 |
SW3/5 |
SW3/6 |
SW3/7 |
|
10h |
Open |
Open |
Closed |
Open |
Open |
Open |
Open |
|
15h |
Open |
Open |
Closed |
Open |
Closed |
Open |
Closed |
|
20h |
Open |
Closed |
Open |
Open |
Open |
Open |
Open |
|
25h |
Open |
Closed |
Open |
Open |
Closed |
Open |
Closed |
|
40h |
Closed |
Open |
Open |
Open |
Open |
Open |
Open |
|
45h |
Closed |
Open |
Open |
Open |
Closed |
Open |
Closed |
|
1Ah |
Open |
Open |
Closed |
Closed |
Open |
Closed |
Open |
|
2Ah |
Open |
Closed |
Open |
Closed |
Open |
Closed |
Open |
|
4Ah |
Closed |
Open |
Open |
Closed |
Open |
Closed |
Open |
|
1Fh |
Open |
Open |
Closed |
Closed |
Closed |
Closed |
Closed |
|
2Fh |
Open |
Closed |
Open |
Closed |
Closed |
Closed |
Closed |
|
4Fh |
Closed |
Open |
Open |
Closed |
Closed |
Closed |
Closed |
|
Note: 12 equalization values are available. Switch 1 is the most significant bit. Switch 7 is the least significant bit. An equalization setting of 40h is recommended for a ABAM cable 0-150 feet in length, 2Ah for a cable 150-450 feet, & 15h for a cable 450-650 feet. | |||||||
|
BASE I/O ADDRESS SELECTION | |||||
|
Setting |
SW4/1 |
SW4/2 |
SW4/3 |
SW4/4 | |
| » |
200h |
Off |
Off |
Off |
On |
|
300h |
Off |
Off |
Off |
Off | |
|
2200h |
Off |
Off |
On |
On | |
|
2300h |
Off |
Off |
On |
Off | |
|
4200h |
Off |
On |
Off |
On | |
|
4300h |
Off |
On |
Off |
Off | |
|
6200h |
Off |
On |
On |
On | |
|
6300h |
Off |
On |
On |
Off | |
|
8200h |
On |
Off |
Off |
On | |
|
8300h |
On |
Off |
Off |
Off | |
|
A200h |
On |
Off |
On |
On | |
|
A300h |
On |
Off |
On |
Off | |
|
C200h |
On |
On |
Off |
On | |
|
C300h |
On |
On |
Off |
Off | |
|
E200h |
On |
On |
On |
On | |
|
E300h |
On |
On |
On |
Off | |