RAD DATA COMMUNICATIONS

ASM-20 V.35

Modem Type

Data (Synchronous)

Maximum Data Rate

144Kbps

Data Bus

External

Data Modulation Protocol

Proprietary

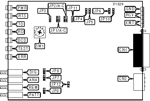
CONNECTIONS

Purpose

Location

Purpose

Location

V.35

CN1

Diagnostic test switch

DIG

AC power

CN2

Analog loopback switch

ANA

Ground

GND

Remote loopback switch

REM

Receive

RCV

Test pattern

PATT

Transmit

XMT

   

ANALOG LOOPBACK

Setting

JP7

» Enabled

Pins 1 & 2 closed

Disabled

Pins 2 & 3 closed

BAUD RATE

Setting

SW1

128Kbps

0

112Kbps/144Kbps

1

» 64Kbps

2

56Kbps/72Kbps

3

48Kbps

4

32Kbps

5

CD SIGNAL

Setting

JP3

CD normal

Pins 1 & 2 closed

» CD forced high

Pins 2 & 3 closed

CHASSIS TO SIGNAL GROUND

Setting

JP10

» Connected

Pins 2 & 3 closed

Disconnected

Pins 1 & 2 closed

CLOCK SOURCE

Setting

JP1/A

JP1/B

JP1/C

» Internal

Closed

Open

Open

External

Open

Closed

Open

Receive

Open

Open

Closed

ENABLE PUSHBUTTONS

Setting

JP9

» DIG, ANA, REM, PATT enabled

Pins 1 & 2 closed

Disabled

Pins 2 & 3 closed

RECEIVE IMPEDANCE

Setting

JP6

» 135omhs

Pins 1 & 2 closed

Low

Pins 2 & 3 closed

REMOTE LOOPBACK

Setting

JP8

» Enabled

Pins 1 & 2 closed

Disabled

Pins 2 & 3 closed

REMOTE POWER FAILURE

Setting

JP12

» Transmit RPF tone

Pins 1 & 2 closed

Doesn’t transmit RPF tone

Pins 2 & 3 closed

RTS/CTS DELAY

Setting

JP2/A

JP2/B

JP2/C

0ms

Closed

Open

Open

» 9ms

Open

Closed

Open

70ms

Open

Open

Closed

TRANSMIT IMPEDANCE

Setting

JP5

» 135omhs

Pins 1 & 2 closed

Low

Pins 2 & 3 closed

TRANSMIT LEVEL

Setting

JP4

» 0dBm

Pins 1 & 2 closed

-6dBm

Pins 2 & 3 closed

V.54 DELAY

Setting

JP11

» On

Pins 2 & 3 closed

Off

Pins 1 & 2 closed

DIAGNOSTIC LED(S)

LED

Color

Status

Condition

PWR

Green

On

Power is on

PWR

Green

Off

Power is off

RTS

Yellow

On

Request to Send enabled

RTS

Yellow

Off

Request to Send disabled

TD

Yellow

On

Modem is transmitting steady SPACE

TD

Yellow

Off

Modem is not transmitting data

TD

Yellow

Blinking

Modem is transmitting data

RD

Yellow

On

Modem is receiving steady SPACE

RD

Yellow

Off

Modem is not receiving data

RD

Yellow

Blinking

Modem is receiving data

DCD

Yellow

On

Carrier signal detected

DCD

Yellow

Off

Carrier signal not detected

TEST

Red

On

Modem in test mode

TEST

Red

Off

Modem not in test mode

ERR

Yellow

On

Errors in test pattern

ERR

Yellow

Off

Good test pattern