HAYES MICROCOMPUTER PRODUCTS, INC.

ACCURA ISDN

Card Type

ISDN TA

Chipset

Siemens

ISDN Protocol

V.110, V.120, X.75, PPP

Switch Type

5ESS, DMS100, 1TR6, EWSD, DSS1, NI-1

Data Bus

Serial

Error Correction/Compression

V.42bis

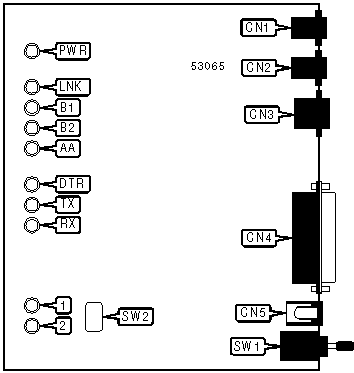
CONNECTIONS

Function

Label

Function

Label

Analog line 1 in

CN1

DC power in

CN5

Analog line 2 in

CN2

Power switch

SW1

ISDN line out

CN3

Auto-dial switch

SW2

Serial port

CN4

   

Note: Pressing the auto-dial switch while connected will disconnect the call.

DIAGNOSTIC LED(S) (POWER-UP)

LED

Color

Status

Condition

LNK

Unidentified

On

TA is testing memory

LNK

Unidentified

Blinking

Memory test failed

B1

Unidentified

On

TA is testing ISDN controller interface

B1

Unidentified

Blinking

ISDN controller interface test failed

B2

Unidentified

On

TA is testing ISDN controller functions

B2

Unidentified

Blinking

ISDN controller function test failed

AA

Unidentified

On

TA is testing HDLC functions

AA

Unidentified

Blinking

HDLC function test failed

LNK

Unidentified

On

All tests passed

Note: On power-up, the TA should go through the tests in the order indicated above. A blinking LED or any pattern other than the ones shown above indicate an error.

DIAGNOSTIC LED(S) (NORMAL OPERATION)

LED

Color

Status

Condition

PWR

Unidentified

On

Power is on

PWR

Unidentified

Off

Power is off

LNK

Unidentified

On

Physical ISDN layer active

LNK

Unidentified

Off

Physical ISDN layer inactive

LNK

Unidentified

Blinking

D-channel link layer in multi-frame mode

B1

Unidentified

On

B1 channel connected

B1

Unidentified

Off

B1 channel not connected

B1

Unidentified

Random blink

B1 channel is retransmitting packets

B1

Unidentified

1 blink

B1 channel is protected by single DES encryption

B1

Unidentified

3 blinks

B1 channel is protected by triple DES encryption

B2

Unidentified

On

B2 channel connected

B2

Unidentified

Off

B2 channel not connected

B2

Unidentified

Random blink

B2 channel is retransmitting packets

B2

Unidentified

1 blink

B2 channel is protected by single DES encryption

B2

Unidentified

3 blinks

B2 channel is protected by triple DES encryption

AA

Unidentified

On

Auto-answer enabled

AA

Unidentified

Off

Auto-answer disabled

AA

Unidentified

Blinking

Phone is ringing

DTR

Unidentified

On

DTR signal is high

DTR

Unidentified

Off

DTR signal is low

TX

Unidentified

Blinking

Serial port is transmitting data to TA

TX

Unidentified

Off

Serial port is not transmitting data to TA

RX

Unidentified

Blinking

Serial port is receiving data from TA

RX

Unidentified

Off

Serial port is not receiving data from TA

1

Unidentified

On

Analog line 1 is off-hook

1

Unidentified

Off

Analog line 1 is on-hook

2

Unidentified

On

Analog line 2 is off-hook

2

Unidentified

Off

Analog line 2 is on-hook

SUPPORTED STANDARD COMMANDS

Basic AT Commands

+++, ‘comma’, A/

A, E, L, M, O, V

&C, &D, &F, &W, &Z

S-Registers

S0, S1, S2, S3, S4, S5, S7, S8

Note: See MHI help file for complete information.

Proprietary AT Command Set

ADDRESS IDENTIFICATION

Type:

Immediate

Format:

AT [cmds] &ZOy=YaNb<#>/Zcxxxx/ [cmds]

AT [cmds] &ZOy=A/Zcxxxx/ [cmds]

Description:

Sets the modem’s call identification to identify itself to remote ISDN devices. A indicates that no number is specified.

Note:

One of either the YaNb<#> arguments or the A/Zcxxxx/ must be present.

Argument

Function

y=A

Set address for analog adapter 1.

y=B

Set address for analog adapter 2.

y=I

Set address for ISDN.

í a=0

Unknown number locality.

a=1

International number.

a=2

National number.

a=3

Network number.

a=4

Subscriber number.

a=6

Abbreviated number.

í b=0

Unknown number type.

b=1

ISDN type number.

b=3

X.121 data type number.

b=8

National standard number.

b=9

Private number.

í c=0

NSAP subaddress of IA5 characters, AFI=0x50.

c=2

User specified subaddress of IA5 characters.

ADDRESS IDENTIFICATION - INCOMING CALL

Type:

Immediate

Format:

AT [cmds] &ZIn=<#> [cmds]

Description:

Compares the number for an incoming call to the address stored for each value of n. If the numbers match, the call is routed to the appropriate mode and protocol.

Argument

Function

n=0

Set address for X.75 ISDN.

n=1

Set address for V.110 ISDN.

n=2

Set address for V.120 ISDN.

n=3

Set address for PPP asynchronous to HDLC conversion.

n=4

Set address for protocol auto-detection.

n=6

Set address for analog adapter 1.

n=7

Set address for analog adapter 2.

AUTO-ANSWER PRIORITY

Type:

Configuration

Format:

AT [cmds] &Ln [cmds]

Description:

Selects which analog adapter will answer incoming analog calls first.

Command

Function

í &L0

Analog adapter 1 answers first.

&L1

Analog adapter 2 answers first.

BANDWIDTH ON DEMAND - HIGH TRAFFIC THRESHOLD

Type:

Register

Format:

AT [cmds] JAn [cmds]

Default:

48

Range:

0 - 255

Unit:

1 Kbps

Description:

Sets the level that the bandwidth in use must be over for the time set by the KAM and KAS commands for the TA to attempt to add another B channel connection.

BANDWIDTH ON DEMAND - HIGH TRAFFIC TIME, MINUTES

Type:

Register

Format:

AT [cmds] KAMn [cmds]

Default:

0

Range:

0 - 63

Unit:

1 minute

Description:

Sets the amount of time, in minutes, that the bandwidth in use set by the JA command must be exceeded for the TA to attempt to add another B channel connection.

BANDWIDTH ON DEMAND - HIGH TRAFFIC TIME, SECONDS

Type:

Register

Format:

AT [cmds] KASn [cmds]

Default:

0

Range:

0 - 63

Unit:

1 second

Description:

Sets the amount of time, in seconds, that the bandwidth in use set by the JA command must be exceeded for the TA to attempt to add another B channel connection.

BANDWIDTH ON DEMAND - LOW TRAFFIC THRESHOLD

Type:

Register

Format:

AT [cmds] JSn [cmds]

Default:

32

Range:

0 - 255

Unit:

1 Kbps

Description:

Sets the level that the bandwidth in use must be under for the time set by the KSM and KSS commands for the TA to drop a B channel connection.

BANDWIDTH ON DEMAND - LOW TRAFFIC TIME, MINUTES

Type:

Register

Format:

AT [cmds] KSMn [cmds]

Default:

0

Range:

0 - 63

Unit:

1 minute

Description:

Sets the amount of time, in minutes, that the bandwidth in use set by the JS command must be under for the TA to drop a B channel connection.

BANDWIDTH ON DEMAND - LOW TRAFFIC TIME, SECONDS

Type:

Register

Format:

AT [cmds] KSSn [cmds]

Default:

0

Range:

0 - 63

Unit:

1 second

Description:

Sets the amount of time, in seconds, that the bandwidth in use set by the JS command must be under for the TA to drop a B channel connection.

BIT-MAPPED REGISTER S15

Format:

AT [cmds] S15=n [cmds]

Default:

130

Range:

0 - 158

Description:

Controls active profile and data format.

Bit

Value

Function

1, 0

00

01

í 10

Use even parity.

Use odd parity.

Do not use parity.

2

í 0

1

Use 1 stop bit.

Use 2 stop bit.

4, 3

í 00

01

10

11

Use 10-bit characters.

Use 11-bit characters.

Use 9-bit characters.

Use 8-bit characters.

7, 6, 5

000

001

010

011

í 100

Profile 0 active at power-up.

Profile 1 active at power-up.

Profile 2 active at power-up.

Profile 3 active at power-up.

Factory defaults active at power-up.

BIT-MAPPED REGISTER S21

Format:

AT [cmds] S21=n [cmds]

Default:

154

Range:

0 - 220

Description:

Controls DTR, CTS, CD, and DSR signals, and speaker options.

Bit

Value

Function

0

0

Not used.

2, 1

00

í 01

10

Speaker disabled.

Speaker enabled until carrier signal detected

Speaker enabled.

3

í 0

1

DSR forced high.

DSR normal.

4

0

í 1

CD forced high.

CD normal.

5

0

Not used.

7, 6

00

01

í 10

11

DTR is forced on.

Dial default number on high DTR; hang up on low DTR.

Low DTR hangs up and returns to command mode.

Low DTR hangs up and resets the modem to profile 0.

BIT-MAPPED REGISTER S23

Format:

AT [cmds] S23=n [cmds]

Default:

105

Range:

0 - 127

Description:

Controls result codes, dialing, and echo.

Bit

Value

Function

0

0

í 1

Command echoing disabled.

Command echoing enabled.

1

0

Not used.

2

í 0

1

Insertion during phone call disabled.

Insertion during phone call enabled.

5, 4, 3

000

001

010

011

100

í 101

110

111

Basic result codes only enabled.

Basic and connection speed result codes enabled.

Basic and connection speed result codes and dialtone detection enabled.

All result codes except dialtone detection enabled.

All result codes enabled.

All result codes plus DTE speed and error control level enabled.

All result codes plus ARQ enabled.

All result codes plus ARQ and error control level enabled.

6

0

í 1

Display result codes in numeric form.

Display result codes in long form.

BIT-MAPPED REGISTER S35

Format:

AT [cmds] S35=n [cmds]

Default:

0

Range:

0 - 144

Description:

Controls 4800bps V.32, handshake interruption, V.26bis mode, leased line transmission attenuation, Selective Reject, password protection, and extended result codes.

Bit

Value

Function

3 - 0

0000

Not used.

4

í 0

1

Modem will not dial default number when Data/Voice button is pressed

Modem will dial default number when Data/Voice button is pressed

6, 5

00

Not used.

7

í 0

1

Connection speed result codes disabled on error correcting connection.

Connection speed result codes enabled on error correcting connection.

BIT-MAPPED REGISTER S38

Format:

AT [cmds] S38=n [cmds]

Default:

0

Range:

0 - 9

Description:

Controls auto-dial and CD signal.

Bit

Value

Function

0

í 0

1

Auto-dial of default number disabled.

Auto-dial of default number enabled.

2-1

00

Not used.

3

í 0

1

CD normal.

CD according to UNIX standard.

BIT-MAPPED REGISTER S42

Format:

AT [cmds] S42=n [cmds]

Default:

0

Range:

0 - 104

Description:

Controls escape sequence, data/voice switch, and RING result codes.

Bit

Value

Function

2 - 0

000

Not used.

3

í 0

1

Escape sequence enabled in answer mode.

Escape sequence disabled in answer mode.

4

0

Not used.

5

í 0

1

Data/Voice switch enabled.

Data/Voice switch disabled.

6

í 0

1

Enable RING result.

Disable RING result.

BIT-MAPPED REGISTER S44

Format:

AT [cmds] S44=n [cmds]

Default:

0

Range:

0 - 24

Description:

Controls cyclic dialing and DSR signal.

Bit

Value

Function

3

í 0

1

Modem will dial only stored number specified by an executed DS command.

Modem will cycle through stored numbers on DS command until modem connects.

4

í 0

1

DSR normal.

DSR follows DTR.

BIT-MAPPED REGISTER S80

Format:

AT [cmds] S80=n [cmds]

Default:

0

Range:

0 - 208

Description:

Controls originate/answer mode and low-layer compatibility information.

Bit

Value

Function

3 - 0

0000

Not used.

4

í 0

1

Analog adapter 2 does not send low-level compatibility information.

Analog adapter 2 sends low-level compatibility information.

5

0

Not used.

6

í 0

1

ISDN does not send low-level compatibility information.

ISDN sends low-level compatibility information.

7

í 0

1

Analog adapter 1 does not send low-level compatibility information.

Analog adapter 1 sends low-level compatibility information.

BIT-MAPPED REGISTER S83

Format:

AT [cmds] S83=n [cmds]

Default:

Unidentified

Range:

0 - 53

Description:

Controls the Loopback 4 function, V.42bis compression, and the default dialing device.

Bit

Value

Function

0

0

1

Loopback 4 disabled.

Loopback 4 enabled.

1

0

Not used.

2

0

1

V.42bis compression disabled.

V.42bis compression enabled.

3

0

Not used.

5, 4

í 00

10

11

Originate calls with analog adapter 1 by default.

Originate calls with ISDN by default.

Originate calls with analog adapter 2 by default.

BIT-MAPPED REGISTER S118

Format:

AT [cmds] S118=n [cmds]

Default:

Unidentified

Range:

0 - 245

Description:

Controls dial-in mode, default line speed, low-speed service type, and analog call acceptance.

Bit

Value

Function

0

0

1

Dial-in calls may be answered.

Dial-in calls may not be answered.

1

0

Not used.

2

0

1

Use 64Kbps speed for ISDN.

Use 56Kbps speed for ISDN.

3

0

Not used.

4

í 0

1

Use 3.1KHz service for analog line 2.

Use voice service for analog line 2.

5

í 0

1

Use 3.1KHz service for analog line 1.

Use voice service for analog line 1.

6

í 0

1

All analog calls will be answered.

Only analog calls with matching MSN will be answered.

7

í 0

1

Incoming analog calls will be answered.

Incoming analog calls will be ignored.

BIT-MAPPED REGISTER S119

Format:

AT [cmds] S119=n [cmds]

Default:

Unidentified

Range:

0 - 54

Description:

Controls callback function, signalling DDI, call acceptance, V.110 minimum speed, and MSN function.

Bit

Value

Function

0

í 0

1

Callback function disabled.

Callback function enabled.

1

í 0

1

Point-to-point signaling DDI function disabled.

Point-to-point signaling DDI function enabled.

2

í 0

1

Multipoint signaling DDI function disabled.

Multipoint signaling DDI function enabled.

3

í 0

1

All calls will be answered.

Only calls with matching MSN will be answered.

4

í 0

1

V.110 speed set to 19.2Kbps if local serial port speed is 19.2Kbps or faster.

V.110 speed set to 38.4Kbps if local serial port speed is 38.4Kbps or faster.

5

í 0

1

MSN functions normally.

Treat MSN settings as subaddresses.

CALL CHARGE - B1

Type:

Register

Format:

AT [cmds] S120? S121? [cmds]

Default:

Read-only

Range:

0-65535

Unit:

N/A

Description:

These registers store the accumulated call charge for the first ISDN B channel. S120 stores the Most Significant Byte, and S121 stores the Least Significant Byte. To obtain the correct value, use S120 * 256 + S121.

CALL CHARGE - B2

Type:

Register

Format:

AT [cmds] S122? S123? [cmds]

Default:

Read-only

Range:

0-65535

Unit:

N/A

Description:

These registers store the accumulated call charge for the second ISDN B channel. S122 stores the Most Significant Byte, and S123 stores the Least Significant Byte. To obtain the correct value, use S122 * 256 + S123.

CALLER ID

Type:

Register

Format:

AT [cmds] S84=n [cmds]

Description:

Controls the Caller ID function of the TA.

Command

Function

í S84=0

Caller ID enabled.

S84=16

Caller ID disabled.

CALLER ID INFORMATION

Type:

Immediate

Format:

AT [cmds] *T [cmds]

Description:

Displays the last caller ID information.

CHARACTER LENGTH

Type:

Configuration

Format:

AT [cmds] *Cn [cmds]

Description:

Sets length of character.

Command

Function

í *C0

Set 10-bit character.

*C1

Set 11-bit character.

*C2

Set 9-bit character.

*C3

Set 8-bit character.

COMPRESSION AND ERROR CORRECTION MODE

Type:

Configuration

Format:

AT [cmds] &Knn [cmds]

Description:

Selects the type of data compression used over ISDN connections.

Command

Function

&K00

Compression disabled for ISDN calls.

&K44

V.42bis enabled for ISDN calls.

CONFIGURATION PROFILES

Type:

Immediate

Format:

AT [cmds] &Vn [cmds]

Description:

Displays active and stored configuration profiles.

Command

Function

&V0

Displays current settings.

&V1

Displays profile 0.

&V2

Displays profile 1.

&V3

Displays profile 2.

&V4

Displays profile 3.

&V5

Displays factory defaults.

&V6

Displays analog adapter 1 settings.

&V7

Displays analog adapter 2 settings.

DEFAULT PHONE NUMBER

Type:

Configuration

Format:

AT [cmds] *Dn [cmds]

Default:

0

Range:

0-39

Unit:

N/A

Description:

Sets the default phone number to memory location n.

DEFAULT PHONE NUMBER

Type:

Register

Format:

AT [cmds] S29=n [cmds]

Default:

0

Range:

0-39

Unit:

N/A

Description:

Sets the default phone number to memory location n.

DES KEY SET

Type:

Configuration

Format:

AT [cmds] CKxxxx [cmds]

Description:

Sets the key to be used for DES encryption. The key must be between 15 and 65 characters.

DIAGNOSTICS

Type:

Immediate

Format:

AT [cmds] CG [cmds]

Description:

Performs modem diagnostics.

DIAL

Type:

Immediate

Format:

AT [cmds] D<#>

AT [cmds] DYaNb<#>/Zcxxxx/

AT [cmds] DA/Zcxxxx/

Description:

Dials telephone number according to any modifiers included in the string.

Modifier

Function

DA

Dial with analog adapter 1.

DB

Dial with analog adapter 2.

DI

Dial with ISDN.

DL

Re-dial last number.

DSm+n

Number in memory location m dialed. If n is also specified, TA will make a bundled call.

DW

Dialing resumed following dial tone detection.

D,

Dialing paused for amount of time specified in S8 register.

N0

Unknown number type.

N1

ISDN type number.

N3

X.121 data type number.

N8

National standard number.

N9

Private number.

Y0

Unknown number locality.

Y1

International number.

Y2

National number.

Y3

Network number.

Y4

Subscriber number.

Y6

Abbreviated number.

Z0

NSAP subaddress of IA5 characters, AFI=0x50.

Z2

User specified subaddress of IA5 characters.

DIALING MODE DEFAULT

Type:

Configuration

Format:

AT [cmds] &On [cmds]

Description:

Selects which device the TA will originate calls with by default.

Command

Function

&O0

Originate calls with analog adapter 2.

&O2

Originate calls with ISDN.

&O3

Originate calls with analog adapter 1.

DISPLAY CALL CHARGE

Type:

Immediate

Format:

AT [cmds] CH? [cmds]

Description:

Displays the number of charge units for the last call.

DYNAMIC BANDWIDTH ALLOCATION

Type:

Configuration

Format:

AT [cmds] CEn [cmds]

Description:

Selects whether dynamic bandwidth allocation will be used to allow simultaneous data and voice calls.

Command

Function

CE0

Dynamic bandwidth allocation disabled.

í CE1

Dynamic bandwidth allocation enabled.

ENDPOINT DISCRIMINATOR ADDRESS

Type:

Configuration

Format:

AT [cmds] EPD=<a,b,c,d...s,t> [cmds]

Example:

ATEPD=<284,254,124,62,5>

Range:

0 - 255

Description:

Sets the endpoint discriminator address for multipoint PPP systems. Up to twenty numbers may be specified.

FIRMWARE DOWNLOAD

Type:

Immediate

Format:

AT [cmds] UPX

Description:

Begins an XMODEM download to the modem firmware.

FLOW CONTROL

Type:

Configuration

Format:

AT [cmds] &Hn [cmds]

Description:

Selects the type of flow control to use.

Command

Function

&H0

Flow control disabled.

í &H3

Hardware flow control enabled.

&H4

Software flow control enabled.

FLOW CONTROL

Type:

Register

Format:

AT [cmds] S27=n [cmds]

Description:

Selects the type of flow control to use.

Command

Function

S27=0

Flow control disabled.

í S27=24

Hardware flow control enabled.

S27=32

Software flow control enabled.

FLOW CONTROL CHARACTER - XOFF

Type:

Register

Format:

AT [cmds] S32=n [cmds]

Default:

19

Range:

0-255

Unit:

1 ASCII character

Description:

Sets the character used to represent XOFF.

FLOW CONTROL CHARACTER - XON

Type:

Register

Format:

AT [cmds] S31=n [cmds]

Default:

17

Range:

0-255

Unit:

1 ASCII character

Description:

Sets the character used to represent XON.

HELP

Type:

Immediate

Format:

AT [cmds] $ [cmds]

Description:

Displays help on the basic (no prefix) AT commands.

HIGH LAYER COMPATIBILITY - ANALOG ADAPTER 1

Type:

Register

Format:

AT [cmds] S111=n [cmds]

Description:

Sets high layer compatibility information for analog adapter 1 in non-1TR6 modes.

Note:

This table should not be used in 1TR6 mode; see SERVICE INDICATOR DETAILS for settings.

Command

Function

í S111=0

High layer compatibility information not sent.

S111=1

HLC information set to telephone.

S111=4

HLC information set to fax.

S111=40

HLC information set to F.220 Teletex.

S111=49

HLC information set to F.200 Teletex.

S111=50

HLC information set to F.300/T110 video service.

S111=53

HLC information set to F.60 telex.

S111=56

HLC information set to X.400 message handling.

S111=65

HLC information set to X.200 OSI application.

HIGH LAYER COMPATIBILITY - ANALOG ADAPTER 2

Type:

Register

Format:

AT [cmds] S108=n [cmds]

Description:

Sets high layer compatibility information for analog adapter 2 in non-1TR6 modes.

Note:

This table should not be used in 1TR6 mode; see SERVICE INDICATOR DETAILS for settings.

Command

Function

í S108=0

High layer compatibility information not sent.

S108=1

HLC information set to telephone.

S108=4

HLC information set to fax.

S108=40

HLC information set to F.220 Teletex.

S108=49

HLC information set to F.200 Teletex.

S108=50

HLC information set to F.300/T110 video service.

S108=53

HLC information set to F.60 telex.

S108=56

HLC information set to X.400 message handling.

S108=65

HLC information set to X.200 OSI application.

HIGH LAYER COMPATIBILITY - ISDN INTERFACE

Type:

Register

Format:

AT [cmds] S110=n [cmds]

Description:

Sets high layer compatibility information for the ISDN interface in non-1TR6 modes.

Note:

This table should not be used in 1TR6 mode; see SERVICE INDICATOR DETAILS for settings.

Command

Function

í S110=0

High layer compatibility information not sent.

S110=1

HLC information set to telephone.

S110=4

HLC information set to fax.

S110=40

HLC information set to F.220 Teletex.

S110=49

HLC information set to F.200 Teletex.

S110=50

HLC information set to F.300/T110 video service.

S110=53

HLC information set to F.60 telex.

S110=56

HLC information set to X.400 message handling.

S110=65

HLC information set to X.200 OSI application.

HOOK CONTROL

Type:

Immediate

Format:

AT [cmds] Hn [cmds]

Description:

Hangs up ISDN and analog lines.

Command

Function

H0

Hangs up line currently in use.

H3

Hangs up analog line 1.

H4

Hangs up analog line 2.

HOOK FLASH TIME

Type:

Register

Format:

AT [cmds] S56=n [cmds]

Default:

50

Range:

0-255

Unit:

10ms

Description:

Selects the amount of time the analog adapter goes on-hook for a hook flash.

I-FIELD DATA LENGTH

Type:

Register

Format:

AT [cmds] S114=n [cmds]

AT [cmds] S115=n [cmds]

Default:

Unidentified

Range:

0-65535

Unit:

N/A

Description:

These registers set the data length for the I-field. S114 stores the Most Significant Byte, and S115 stores the Least Significant Byte. To set the correct value for S114, use the formula S114 = INT(value/256). To set S115, use the formula S115 = value - S114 * 256.

ISDN BUNDLE CONNECTION

Type:

Configuration

Format:

AT [cmds] &Jn [cmds]

Description:

Selects when the modem will attempt to make a two-channel bundle connection.

Command

Function

í &J0

Bundle connections disabled.

&J1

Bundle connections enabled on answer only.

&J2

Bundle connections enabled on originate only.

&J3

Bundle connections enabled.

ISDN BUNDLE CONNECTION

Type:

Configuration

Format:

AT [cmds] S87=n [cmds]

Description:

Selects when the modem will attempt to make a two-channel bundle connection.

Command

Function

í S87=0

Bundle connections disabled.

S87=32

Bundle connections enabled on answer only.

S87=64

Bundle connections enabled on originate only.

S87=96

Bundle connections enabled.

ISDN PACKET SIZE

Type:

Configuration

Format:

AT [cmds] CLn [cmds]

Default:

252

Range:

0-2048

Unit:

1 byte

Description:

Sets the maximum packet size for transmitting data on the ISDN line.

ISDN SPEED - B-CHANNEL

Type:

Configuration

Format:

AT [cmds] &En [cmds]

Description:

Selects the base speed that will be used for ISDN B-channel communications.

Command

Function

í &E0

64Kbps base speed.

&E1

56Kbps base speed.

LOCAL SERIAL PORT SPEED

Type:

Register

Format:

AT [cmds] S18=n [cmds]

Description:

Sets serial port speed.

Value

Meaning

0

Serial port speed follows connect speed.

1

Sets 921.6Kbps speed.

2

Sets 460.8Kbps speed.

3

Sets 230.4Kbps speed.

8

Sets 115.2Kbps speed.

9

Sets 57.6Kbps speed.

10

Sets 38.4Kbps speed.

11

Sets 19.2Kbps speed.

12

Sets 9600bps speed.

13

Sets 4800bps speed.

14

Sets 2400bps speed.

15

Sets 1200bps speed.

LOCAL SERIAL PORT SPEED ON AUTO-ANSWER

Type:

Register

Format:

AT [cmds] S20=n [cmds]

Description:

Sets the speed of the local serial port when the modem auto-answers an incoming call.

Value

Meaning

0

Sets 921.6Kbps speed.

1

Sets 460.8Kbps speed.

2

Sets 230.4Kbps speed.

3

Sets 115.2Kbps speed.

8

Sets 57.6Kbps speed.

9

Sets 38.4Kbps speed.

10

Sets 19.2Kbps speed.

11

Sets 9600bps speed.

12

Sets 4800bps speed.

13

Sets 2400bps speed.

14

Sets 1200bps speed.

LOOPBACK 4

Type:

Configuration

Format:

AT [cmds] CPn [cmds]

Description:

Selects the Loopback 4 function.

Command

Function

í CP0

Loopback 4 disabled.

CP1

Loopback 4 enabled.

LOOPBACK TEST SIGNALS

Type:

Register

Format:

AT [cmds] S41=n [cmds]

Description:

Selects whether loopback test signals 140 and 141 on the RS-232 interface will be used.

Command

Function

S41=0

Loopback test signals disabled.

S41=8

Loopback test signals enabled.

METERING PULSE

Format:

AT [cmds] S89=n [cmds]

Default:

0

Range:

0 - 96

Description:

Selects whether the TA will generate metering pulses on either of the analog adapters.

Bit

Value

Function

3 - 0

0000

Not used.

5

í 0

1

Metering pulse disabled on analog adapter 2.

Metering pulse enabled on analog adapter 2.

6

í 0

1

Metering pulse disabled on analog adapter 1.

Metering pulse enabled on analog adapter 1.

PPP IDLE OUT PREVENTION

Type:

Register

Format:

AT [cmds] S124=n [cmds]

Default:

0

Range:

0-255

Unit:

1 second

Description:

Sends an empty packet to avoid disconnection on PPP connections.

PREFIX FOR INTERNATIONAL NUMBERS

Type:

Configuration

Format:

AT [cmds] CIxxxx [cmds]

Description:

Sets the prefix that the modem will prepend to international numbers when reporting them in result codes.

PREFIX FOR LONG-DISTANCE NUMBERS

Type:

Configuration

Format:

AT [cmds] CNxxxx [cmds]

Description:

Sets the prefix that the modem will prepend to long-distance (but not international) numbers when reporting them in result codes.

PROTOCOL/SPEED - ISDN B-CHANNEL

Type:

Configuration

Format:

AT [cmds] Bnn [cmds]

Description:

Selects the protocol and speed that will be used for ISDN B-channel communications.

Command

Function

B00

Use X.75 transparent.

B01

Use X.75 with T.70.

B04

Use X.75 with BTX.

B10

Use V.110 autospeed.

B13

Use V.110 at 2400bps.

B14

Use V.110 at 4800bps.

B15

Use V.110 at 9600bps.

B16

Use V.110 at 14.4Kbps.

B17

Use V.110 at 19.2Kbps.

B18

Use V.110 at 38.4Kbps.

B19

Use V.110 at 57.6Kbps.

B20

Use V.120.

B40

Use PPP asynchronous to HDLC conversion.

PROTOCOL/SPEED - ISDN B-CHANNEL

Type:

Register

Format:

AT [cmds] S82=n [cmds]

Description:

Selects the protocol and speed that will be used for ISDN B-channel communications.

Command

Function

S82=60

Use V.120 at 64Kbps.

S82=61

Use V.120 at 56Kbps.

S82=62

Use X.75 transparent at 64Kbps.

S82=63

Use X.75 transparent at 56Kbps.

S82=64

Use X.75 with T.70 at 64Kbps.

S82=65

Use X.75 with T.70 at 56Kbps.

S82=70

Use X.75 with BTX at 64Kbps.

S82=71

Use X.75 with BTX at 56Kbps.

S82=72

Use V.110 at 64Kbps.

S82=73

Use V.110 at 56Kbps.

S82=74

Use PPP asynchronous to HDLC conversion at 64Kbps.

S82=75

Use PPP asynchronous to HDLC conversion at 56Kbps.

S82=76

Use SLIP asynchronous to HDLC conversion at 64Kbps.

S82=77

Use SLIP asynchronous to HDLC conversion at 56Kbps.

PROTOCOL/SPEED - ISDN B-CHANNEL BUNDLING

Type:

Register

Format:

AT [cmds] S100=n [cmds]

Description:

Selects the protocol that will be used for ISDN B-channel bundling.

Command

Function

í S100=0

Use Multiple Link Protocol.

S100=1

Use cFossil Channel Bundling.

PROTOCOL/SPEED - ISDN D-CHANNEL

Type:

Configuration

Format:

AT [cmds] Pn [cmds]

Description:

Selects the protocol and speed that will be used for ISDN D-channel communications.

Command

Function

í P0

Use Northern Telecom.

P1

Use National ISDN for 1 SPID.

P2

Use National ISDN for 2 SPIDs.

P4

Use AT&T point-to-point.

P5

Use AT&T multipoint for 1 SPID.

P6

Use AT&T multipoint for 2 SPIDs.

PROTOCOL/SPEED - ISDN D-CHANNEL

Type:

Configuration

Format:

AT [cmds] S86=n [cmds]

Description:

Selects the protocol and speed that will be used for ISDN D-channel communications.

Command

Function

í S86=0

Use Northern Telecom.

S86=1

Use National ISDN for 1 SPID.

S86=2

Use National ISDN for 2 SPIDs.

S86=4

Use AT&T point-to-point.

S86=5

Use AT&T multipoint for 1 SPID.

S86=6

Use AT&T multipoint for 2 SPIDs.

PROTOCOL/SPEED - OUTGOING ISDN

Type:

Register

Format:

AT [cmds] S102=n [cmds]

Description:

Selects the protocol and speed that will be used for outgoing ISDN communications.

Command

Function

S102=60

Use V.120 at 64Kbps.

S102=61

Use V.120 at 56Kbps.

S102=62

Use X.75 transparent at 64Kbps.

S102=63

Use X.75 transparent at 56Kbps.

S102=64

Use X.75 with T.70 at 64Kbps.

S102=65

Use X.75 with T.70 at 56Kbps.

S102=70

Use X.75 with BTX at 64Kbps.

S102=71

Use X.75 with BTX at 56Kbps.

S102=72

Use V.110 at 64Kbps.

S102=73

Use V.110 at 56Kbps.

S102=74

Use PPP asynchronous to HDLC conversion at 64Kbps.

S102=75

Use PPP asynchronous to HDLC conversion at 56Kbps.

S102=76

Use SLIP asynchronous to HDLC conversion at 64Kbps.

S102=77

Use SLIP asynchronous to HDLC conversion at 56Kbps.

REPORT INFORMATION

Type:

Immediate

Format:

AT [cmds] In [cmds]

Description:

Displays information about the TA.

Command

Function

I0

Displays product code.

I1

Displays product information and ROM checksum.

I3

Displays firmware revision.

I6

Displays statistics on current connection.

I9

Displays Plug-N-Play code.

RESULT CODES

Type:

Configuration

Format:

AT [cmds] Qn [cmds]

Description:

Enables modem to send result codes to the DTE.

Command

Function

í Q0

Result code sending enabled.

Q1

Result code sending disabled.

Q2

Result code sending enabled in originate mode only.

RESULT CODES

Type:

Configuration

Format:

AT [cmds] Xn [cmds]

Description:

Selects which result codes will be displayed.

Command

Function

X0

Standard result codes only are enabled.

X1

Standard and DCE connection speed result codes are enabled.

X2

Standard and DCE connection speed result codes and dial tone detection are enabled.

X3

All result codes except dial tone detection are enabled.

X4

All result codes are enabled.

í X5

All result codes plus DTE speed and error control level are enabled.

X6

All result codes plus ARQ are enabled.

X7

All result codes plus ARQ and error control level are enabled.

RESULT CODES - ANSWER MODE

Type:

Register

Format:

AT [cmds] S40=n [cmds]

Description:

Enables modem to send result codes to the DTE in answer mode.

Command

Function

í S40=0

Result code sending in answer mode enabled.

S40=2

Result code sending in answer mode disabled.

RING VOLUME

Format:

AT [cmds] Nn [cmds]

Default:

3

Range:

0 - 3

Unit:

N/A

Description:

Sets the volume of the ring sound. N0 disables the ring sound.

SERVICE INDICATOR - ANALOG ADAPTER 1

Type:

Configuration

Format:

AT [cmds] S107=n [cmds]

Description:

Sets the 1TR6 Service Indicator for calls made with analog adapter 1.

Command

Function

í S107=1

Service Indicator set for voice call.

S107=2

Service Indicator set for data/fax call.

S107=7

Service Indicator set for ISDN call.

SERVICE INDICATOR - ANALOG ADAPTER 2

Type:

Configuration

Format:

AT [cmds] S104=n [cmds]

Description:

Sets the 1TR6 Service Indicator for calls made with analog adapter 2.

Command

Function

í S104=1

Service Indicator set for voice call.

S104=2

Service Indicator set for data/fax call.

S104=7

Service Indicator set for ISDN call.

SERVICE INDICATOR - ISDN

Type:

Configuration

Format:

AT [cmds] S106=n [cmds]

Description:

Sets the 1TR6 Service Indicator for ISDN calls.

Command

Function

S106=1

Service Indicator set for voice call.

S106=2

Service Indicator set for data/fax call.

í S106=7

Service Indicator set for ISDN call.

SERVICE INDICATOR DETAILS - ANALOG ADAPTER 1

Type:

Configuration

Format:

AT [cmds] S111=n [cmds]

Description:

Sets additional details for the 1TR6 Service Indicator for calls made with analog adapter 1.

Note:

This table should only be used in 1TR6 mode.

Service Indicator

Command

Function

S107=1

S111=1

Set SI for 3.1KHz digital voice call.

 

S111=2

Set SI for analog voice call.

S107=2

S111=2

Set SI for fax call.

 

S111=3

Set SI for data call.

 

S111=4

Set SI for BTX call.

S107=7

Bit

Value

Function

 

1, 0

00

01

10

11

Set SI for X.75 protocol.

Set SI for asynchronous V.110 protocol.

Set SI for asynchronous V.110 protocol.

Set SI for synchronous V.110 protocol.

 

For V.110 asynchronous mode:

 

2

0

1

Set SI for 8 data bits.

Set SI for 7 data bits.

 

3

0

1

Set SI for 1 stop bit.

Set SI for 2 stop bits.

 

4

0

1

Set SI for no parity.

Set SI for even parity.

 

7-5

 

Bits 1, 0: 01

Bits 1, 0: 10

   

000

Set speed to 1200bps.

Set speed to 38.4Kbps.

   

011

100

101

110

111

Set speed to 2400bps.

Set speed to 4800bps.

Set speed to 9600bps.

Set speed to 14.4Kbps.

Set speed to 19.2Kbps.

 

For V.110 synchronous mode:

 

3, 2

01

Not used

 

7-4

0000

0011

0100

1010

0110

0111

1000

1001

1010

1111

Set speed to 1200bps.

Set speed to 2400bps.

Set speed to 4800bps.

Set speed to 9600bps.

Set speed to 14.4Kbps.

Set speed to 19.2Kbps.

Set speed to 48Kbps.

Set speed to 56Kbps.

Set speed to 56Kbps on 56Kbps line only.

Negotiate highest common speed.

SERVICE INDICATOR DETAILS - ANALOG ADAPTER 2

Type:

Configuration

Format:

AT [cmds] S108=n [cmds]

Description:

Sets additional details for the 1TR6 Service Indicator for calls made with analog adapter 2.

Note:

This table should only be used in 1TR6 mode.

Service Indicator

Command

Function

S104=1

S108=1

Set SI for 3.1KHz digital voice call.

 

S108=2

Set SI for analog voice call.

S104=2

S108=2

Set SI for fax call.

 

S108=3

Set SI for data call.

 

S108=4

Set SI for BTX call.

S104=7

Bit

Value

Function

 

1, 0

00

01

10

11

Set SI for X.75 protocol.

Set SI for asynchronous V.110 protocol.

Set SI for asynchronous V.110 protocol.

Set SI for synchronous V.110 protocol.

 

For V.110 asynchronous mode:

 

2

0

1

Set SI for 8 data bits.

Set SI for 7 data bits.

 

3

0

1

Set SI for 1 stop bit.

Set SI for 2 stop bits.

 

4

0

1

Set SI for no parity.

Set SI for even parity.

 

7-5

 

Bits 1, 0: 01

Bits 1, 0: 10

   

000

Set speed to 1200bps.

Set speed to 38.4Kbps.

   

011

100

101

110

111

Set speed to 2400bps.

Set speed to 4800bps.

Set speed to 9600bps.

Set speed to 14.4Kbps.

Set speed to 19.2Kbps.

 

For V.110 synchronous mode:

 

3, 2

01

Not used

 

7-4

0000

0011

0100

1010

0110

0111

1000

1001

1010

1111

Set speed to 1200bps.

Set speed to 2400bps.

Set speed to 4800bps.

Set speed to 9600bps.

Set speed to 14.4Kbps.

Set speed to 19.2Kbps.

Set speed to 48Kbps.

Set speed to 56Kbps.

Set speed to 56Kbps on 56Kbps line only.

Negotiate highest common speed.

SERVICE INDICATOR DETAILS - ISDN ADAPTER

Type:

Configuration

Format:

AT [cmds] S110=n [cmds]

Description:

Sets additional details for the 1TR6 Service Indicator for calls made with the ISDN interface.

Note:

This table should only be used in 1TR6 mode.

Service Indicator

Command

Function

S106=1

S110=1

Set SI for 3.1KHz digital voice call.

 

S110=2

Set SI for analog voice call.

S106=2

S110=2

Set SI for fax call.

 

S110=3

Set SI for data call.

 

S110=4

Set SI for BTX call.

S106=7

Bit

Value

Function

 

1, 0

00

01

10

11

Set SI for X.75 protocol.

Set SI for asynchronous V.110 protocol.

Set SI for asynchronous V.110 protocol.

Set SI for synchronous V.110 protocol.

 

For V.110 asynchronous mode:

 

2

0

1

Set SI for 8 data bits.

Set SI for 7 data bits.

 

3

0

1

Set SI for 1 stop bit.

Set SI for 2 stop bits.

 

4

0

1

Set SI for no parity.

Set SI for even parity.

 

7-5

 

Bits 1, 0: 01

Bits 1, 0: 10

   

000

Set speed to 1200bps.

Set speed to 38.4Kbps.

   

011

100

101

110

111

Set speed to 2400bps.

Set speed to 4800bps.

Set speed to 9600bps.

Set speed to 14.4Kbps.

Set speed to 19.2Kbps.

 

For V.110 synchronous mode:

 

3, 2

01

Not used

 

7-4

0000

0011

0100

1010

0110

0111

1000

1001

1010

1111

Set speed to 1200bps.

Set speed to 2400bps.

Set speed to 4800bps.

Set speed to 9600bps.

Set speed to 14.4Kbps.

Set speed to 19.2Kbps.

Set speed to 48Kbps.

Set speed to 56Kbps.

Set speed to 56Kbps on 56Kbps line only.

Negotiate highest common speed.

SERVICE PROFILE ID NUMBER

Type:

Configuration

Format:

AT [cmds] SPIDn=aaaa [cmds]

Description:

Sets service profile ID number n to aaaa.

SOFT RESET

Type:

Immediate

Format:

AT [cmds] Zn [cmds]

Description:

Restores modem profiles previously saved in non-volatile RAM using the &W command.

Command

Function

Z0

Restore profile 0.

Z1

Restore profile 1.

Z2

Restore profile 2.

Z3

Restore profile 3.

Z4

Restore factory defaults and use them as power-on defaults.

STATUS REGISTER BIT

Type:

Configuration

Format:

Read: AT [cmds] Sn.m=0 or 1 [cmds]

Write: AT [cmds] Sn.m=? [cmds]

Example:

AT S40.4=1 S51.3?<CR>

Description:

Sets/clears or reads bit m of register n.

TEST MODES

Type:

Immediate

Format:

AT [cmds] &Tn

Description:

Performs test modes.

Command

Function

&T0

End current test.

&T9

Begin ISDN loopback.

&T10

Begin ISDN loopback and self-test.

TEST MODES IN PROGRESS

Type:

Register

Format:

AT [cmds] S16? [cmds]

Description:

Returns a value indicating any test modes in progress.

Value

Meaning

0

No test in progress.

1

Loopback test in progress.

9

ISDN loopback test in progress.

10

ISDN loopback test and self-test in progress.

TRANSMIT MESSAGE

Type:

Immediate

Format:

AT [cmds] Tnxxxx [cmds]

Description:

Sends a text message xxxx to the remote modem with the specified protocol. If no parameters are specified, the last message will be retransmitted.

Command

Function

T0

Send in user-defined protocol.

T1

Send in OSI high-layer protocol.

T2

Send in X.244.

T3

Used for system management.

í T4

Send in IA5 format.

T7

Send in ITU-T V.120 protocol.

T8

Send in Q.931 call control protocol.

V.110 SPEED

Type:

Configuration

Format:

AT [cmds] S117=n [cmds]

Description:

Selects the speed that will be used for V.110 communications.

Command

Function

S117=0

V.110 autospeed.

S117=3

V.110 at 2400bps.

S117=4

V.110 at 4800bps.

S117=5

V.110 at 9600bps.

S117=6

V.110 at 14.4Kbps.

S117=7

V.110 at 19.2Kbps.

S117=8

V.110 at 38.4Kbps.

S117=9

V.110 at 57.6Kbps.