DIGITAN
DS24M
|
Modem Type |
Data |
|
Maximum Data Rate |
2400 bps |
|
Maximum Fax Rate |
N/A |
|
Data Bus |
8-bit ISA |
|
Fax Class |
N/A |
|
Data Modulation Protocol |
Unidentified |
|
Fax Modulation Protocol |
N/A |
|
Error Correction/Compression |
Unidentified |

|
CONNECTIONS | |||
|
Purpose |
Location |
Purpose |
Location |
|
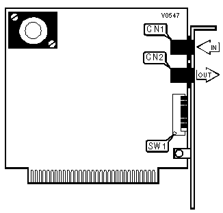
Line in |
CN1 |
Line out |
CN2 |
|
COM PORT SETTINGS | ||||
|
COM |
SW1/1 |
SW1/2 |
SW1/3 |
SW1/4 |
|
í COM2 |
Off |
On |
On |
Off |
|
COM1 |
On |
Off |
On |
Off |
|
COM3 |
On |
Off |
Off |
On |
|
COM4 |
Off |
On |
Off |
On |
|
INTERRUPT SELECT | ||||
|
IRQ |
SW1/5 |
SW1/6 |
SW1/7 |
SW1/8 |
|
í IRQ3 |
Off |
On |
Off |
Off |
|
IRQ2 |
On |
Off |
Off |
Off |
|
IRQ4 |
Off |
Off |
On |
Off |
|
IRQ5 |
Off |
Off |
Off |
On |