CISCO SYSTEMS, INC.

CDDI DUAL ATTACHMENT SBUS ADAPTER

Card Type

Network Interface Card

NIC Type

CDDI

Maximum Onboard Memory

Unidentified

Boot ROM

Unidentified

Network Transfer Rate

Unidentified

Topology

Star

Wiring Type

Unshielded twisted pair

Data Bus

SBus

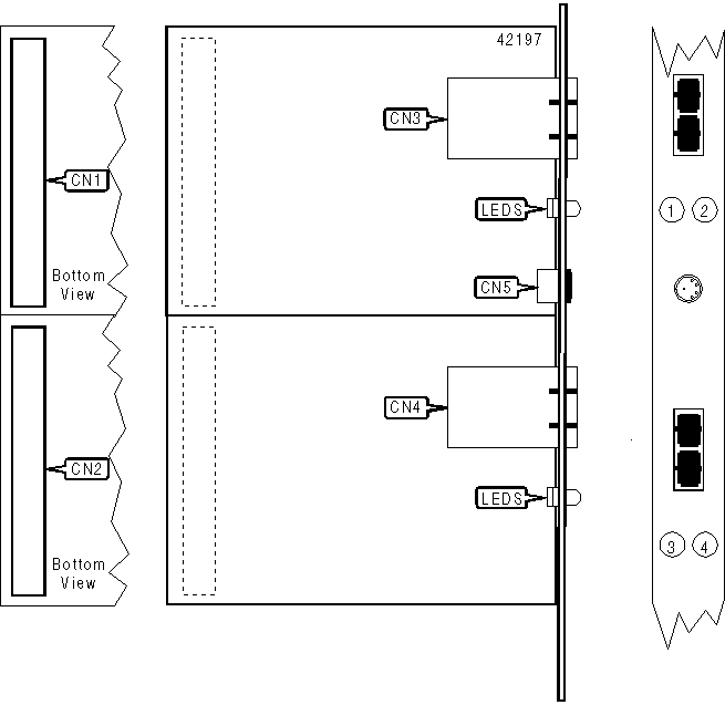
CONNECTIONS

Function

Label

Function

Label

SBus interface connector

CN1

UTP via RJ-45 connector

CN4

SBus interface connector

CN2

Bypass connector

CN5

UTP via RJ-45 connector

CN3

   

DIAGNOSTIC LED(S)

LED

Color

Status

Condition

LED1

Unidentified

On

Internal diagnostics passed

LED1

Unidentified

Off

Internal diagnostics failed

LED2

Unidentified

On

Network connection is good

LED2

Unidentified

Off

Network connection is broken

LED3

Unidentified

On

Internal diagnostics passed

LED3

Unidentified

Off

Internal diagnostics failed

LED4

Unidentified

On

Network connection is good

LED4

Unidentified

Off

Network connection is broken