COMPU-SHACK PRODUCTION, GMBH
FASTLINE-PCI FO (100BASE TX)
|
Card Type |
Network Interface Card |
|
NIC Type |
Ethernet |
|
Maximum Onboard Memory |
Unidentified |
|
Boot ROM |
Unavailable |
|
Network Transfer Rate |
100Mbps (200Mbps full duplex) |
|
Topology |
Star |
|
Wiring Type |
Duplex-SC Fiber optic |
|
Data Bus |
32-bit PCI |
|
CONNECTIONS | |||
|
Function |
Label |
Function |
Label |
|
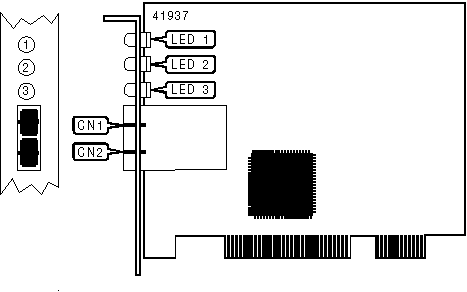
Fiber optic connector (SC) |
CN1 |
Fiber optic connector (SC) |
CN2 |
|
DIAGNOSTIC LED(S) | |||
|
LED |
Color |
Status |
Condition |
|
LED1 |
Green |
On |
Network connection is good |
|
LED1 |
Green |
Off |
Network connection is broken |
|
LED2 |
Green |
On |
Data is being received |
|
LED2 |
Green |
Off |
Data is not being received |
|
LED3 |
Green |
On |
Data is being transmitted |
|
LED3 |
Green |
Off |
Data is not being transmitted |