ZIDA TECHNOLOGIES, INC.

EX98 (VER. 1.40)

Device Type

Mainboard

Processor

Pentium II/Celeron

Processor Speed

233/266/300/333MHz

Chip Set

Intel 440LX/EX

Video Chip Set

None

Maximum Onboard Memory

256MB (SDRAM supported)

Maximum Video Memory

None

Cache

512KB (located on Pentium II CPU)

BIOS

AMI

Dimensions

254mm x 218mm

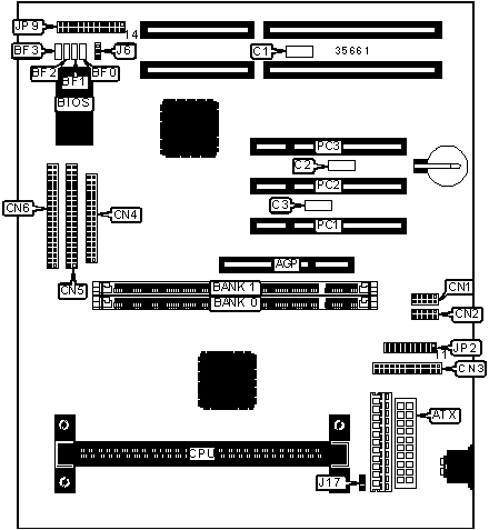
I/O Options

32-bit PCI slots (3), floppy drive interface, green PC connector, IDE interfaces (2), parallel port, PS/2 mouse interface, serial ports (2), IR connector, USB connectors (2), ATX power connector, AGP slot

CONNECTIONS

Purpose

Location

Purpose

Location

AGP slot

AGP

USB connector 1

JP2/pins 1 –5

ATX power connector

ATX

PS/2 mouse port

JP2/pins 6 – 10

TB-link connector

C1

USB connector 2

JP2/pins 11 – 15

Wake up link connector

C2

IR connector

JP2/pins 16 - 20

TB/SB-link connector

C3

Power LED & keylock

JP9/pins 1 – 5

Serial port 2

CN1

Green PC connector

JP9/pins 7 & 8

Serial port 1

CN2

Speaker

JP9/pins 10 – 13

Parallel port

CN3

IDE interface LED

JP9/pins 14 & 15

Floppy drive interface

CN4

Soft off power supply

JP9/pins 17 & 18

IDE interface 2

CN5

Reset switch

JP9/pins 22 & 23

IDE interface 1

CN6

Turbo LED

JP9/pins 25 & 26

CPU fan power

J17

32-bit PCI slots

PC1 – PC3

USER CONFIGURABLE SETTINGS

Function

Label

Position

»

Factory configured - do not alter

BF0

Unidentified

»

Factory configured - do not alter

BF1

Unidentified

»

Factory configured - do not alter

BF2

Unidentified

»

Factory configured - do not alter

BF3

Unidentified

»

Factory configured - do not alter

J6

Unidentified

DIMM CONFIGURATION

Size

Bank 0

Bank 1

8MB

(1) 1M x 64

None

16MB

(1) 2M x 64

None

16MB

(1) 1M x 64

(1) 1M x 64

24MB

(1) 2M x 64

(1) 1M x 64

32MB

(1) 4M x 64

None

32MB

(1) 2M x 64

(1) 2M x 64

40MB

(1) 4M x 64

(1) 1M x 64

48MB

(1) 4M x 64

(1) 2M x 64

64MB

(1) 8M x 64

None

64MB

(1) 4M x 64

(1) 4M x 64

72MB

(1) 8M x 64

(1) 1M x 64

DIMM CONFIGURATION (CON’T)

Size

Bank 0

Bank 1

80MB

(1) 8M x 64

(1) 2M x 64

96MB

(1) 8M x 64

(1) 4M x 64

128MB

(1) 16M x 64

None

128MB

(1) 8M x 64

(1) 8M x 64

136MB

(1) 16M x 64

(1) 1M x 64

144MB

(1) 16M x 64

(1) 2M x 64

160MB

(1) 16M x 64

(1) 4M x 64

192MB

(1) 16M x 64

(1) 8M x 64

256MB

(1) 16M x 64

(1) 16M x 64

Note: Board accepts SDRAM memory.

CACHE CONFIGURATION

Note: 512KB cache is located on the Pentium II CPU.