TYAN COMPUTER CORPORATION
S1576S
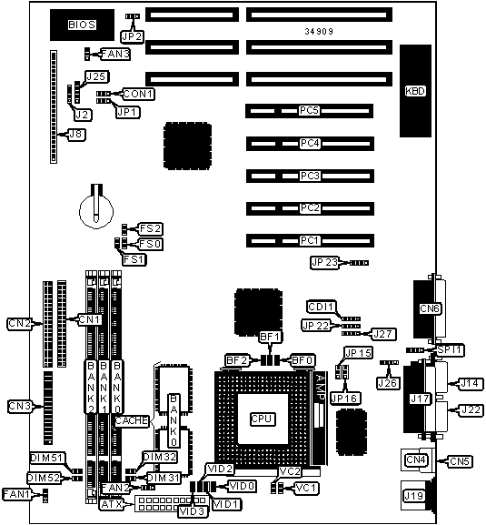
|
Device Type |
Mainboard |
|
Processor |
CX 6X86/CX 6X86L/CX 686MX/AM K5/AM K6/Pentium |
|
Processor Speed |
75/90/100/120/133/150/166/200/233MHz |
|
Chip Set |
Intel |
|
Video Chip Set |
None |
|
Maximum Onboard Memory |
256MB (EDO & SDRAM supported) |
|
Maximum Video Memory |
None |
|
Cache |
512KB |
|
BIOS |
Award |
|
Dimensions |
305mm x 244mm |
|
I/O Options |
32-bit PCI slots (5), floppy drive interface, game port, green PC connector, IDE interfaces (2), parallel port, PS/2 mouse port, serial ports (2), IR connector, USB connectors (2), ATX power connector |
|
NPU Options |
None |
|
CONNECTIONS | |||
|
Purpose |
Location |
Purpose |
Location |
|
ATX power connector |
ATX |
Green PC connector |
J8/pins 3 & 4 |
|
IDE interface 2 |
CN1 |
IR connector |
J8/pins 6 - 11 |
|
IDE interface 1 |
CN2 |
IDE interface LED 1 |
J8/pins 13 & 14 |
|
Floppy drive interface |
CN3 |
IDE interface LED 2 |
J8/pins 15 & 16 |
|
USB connector 1 |
CN4 |
Power LED |
J8/pins 18 & 20 |
|
USB connector 2 |
CN5 |
Reset switch |
J8/pins 22 & 23 |
|
Game port |
CN6 |
Speaker |
J8/pins 24 - 27 |
|
Wake on LAN connector |
CON1 |
Serial port 1 |
J14 |
|
Chassis fan power |
FAN1 |
Parallel port |
J17 |
|
Chassis fan power |
FAN2 |
PS/2 mouse port |
J19 |
|
Chassis fan power |
FAN3 |
Serial port 2 |
J22 |
|
IR connector |
J2 |
32-bit PCI slots |
PC1 – PC5 |
|
Soft off power supply |
J8/pins 1 & 2 | ||
|
USER CONFIGURABLE SETTINGS | |||
|
Function |
Label |
Position | |
|
» |
Factory configured - do not alter |
CDI1 |
Unidentified |
|
» |
Factory configured - do not alter |
J25 |
Unidentified |
|
» |
Factory configured - do not alter |
J26 |
Unidentified |
|
» |
Factory configured - do not alter |
J27 |
Unidentified |
|
» |
CMOS memory normal operation |
JP1 |
Pins 1 & 2 closed |
|
CMOS memory clear |
JP1 |
Pins 2 & 3 closed | |
|
Flash BIOS voltage select 12v |
JP2 |
Pins 2 & 3 closed | |
|
Flash BIOS voltage select 5v |
JP2 |
Pins 1 & 2 closed | |
|
» |
Factory configured - do not alter |
JP22 |
Unidentified |
|
» |
Factory configured - do not alter |
JP23 |
Unidentified |
|
DIMM CONFIGURATION | |||
|
Size |
Bank 0 |
Bank 1 |
Bank 2 |
|
8MB |
(1) 1M x 64 |
None |
None |
|
16MB |
(1) 2M x 64 |
None |
None |
|
16MB |
(1) 1M x 64 |
(1) 1M x 64 |
None |
|
24MB |
(1) 2M x 64 |
(1) 1M x 64 |
None |
|
24MB |
(1) 1M x 64 |
(1) 1M x 64 |
(1) 1M x 64 |
|
DIMM CONFIGURATION (CON’T) | |||
|
Size |
Bank 0 |
Bank 1 |
Bank 2 |
|
32MB |
(1) 4M x 64 |
None |
None |
|
32MB |
(1) 2M x 64 |
(1) 1M x 64 |
(1) 1M x 64 |
|
32MB |
(1) 2M x 64 |
(1) 2M x 64 |
None |
|
40MB |
(1) 4M x 64 |
(1) 1M x 64 |
None |
|
40MB |
(1) 2M x 64 |
(1) 2M x 64 |
(1) 1M x 64 |
|
48MB |
(1) 4M x 64 |
(1) 1M x 64 |
(1) 1M x 64 |
|
48MB |
(1) 4M x 64 |
(1) 2M x 64 |
None |
|
48MB |
(1) 2M x 64 |
(1) 2M x 64 |
(1) 2M x 64 |
|
56MB |
(1) 4M x 64 |
(1) 2M x 64 |
(1) 1M x 64 |
|
64MB |
(1) 8M x 64 |
None |
None |
|
64MB |
(1) 4M x 64 |
(1) 2M x 64 |
(1) 2M x 64 |
|
64MB |
(1) 4M x 64 |
(1) 4M x 64 |
None |
|
72MB |
(1) 8M x 64 |
(1) 1M x 64 |
None |
|
72MB |
(1) 4M x 64 |
(1) 4M x 64 |
(1) 1M x 64 |
|
80MB |
(1) 8M x 64 |
(1) 1M x 64 |
(1) 1M x 64 |
|
80MB |
(1) 8M x 64 |
(1) 2M x 64 |
None |
|
80MB |
(1) 4M x 64 |
(1) 4M x 64 |
(1) 2M x 64 |
|
88MB |
(1) 8M x 64 |
(1) 2M x 64 |
(1) 1M x 64 |
|
96MB |
(1) 8M x 64 |
(1) 2M x 64 |
(1) 2M x 64 |
|
96MB |
(1) 8M x 64 |
(1) 4M x 64 |
None |
|
96MB |
(1) 4M x 64 |
(1) 4M x 64 |
(1) 4M x 64 |
|
104MB |
(1) 8M x 64 |
(1) 4M x 64 |
(1) 1M x 64 |
|
112MB |
(1) 8M x 64 |
(1) 4M x 64 |
(1) 2M x 64 |
|
128MB |
(1) 16M x 64 |
None |
None |
|
128MB |
(1) 8M x 64 |
(1) 4M x 64 |
(1) 4M x 64 |
|
128MB |
(1) 8M x 64 |
(1) 8M x 64 |
None |
|
136MB |
(1) 16M x 64 |
(1) 1M x 64 |
None |
|
136MB |
(1) 8M x 64 |
(1) 8M x 64 |
(1) 1M x 64 |
|
144MB |
(1) 16M x 64 |
(1) 1M x 64 |
(1) 1M x 64 |
|
144MB |
(1) 16M x 64 |
(1) 2M x 64 |
None |
|
144MB |
(1) 8M x 64 |
(1) 8M x 64 |
(1) 2M x 64 |
|
152MB |
(1) 16M x 64 |
(1) 2M x 64 |
(1) 1M x 64 |
|
160MB |
(1) 16M x 64 |
(1) 2M x 64 |
(1) 2M x 64 |
|
160MB |
(1) 16M x 64 |
(1) 4M x 64 |
None |
|
DIMM CONFIGURATION (CON’T) | |||
|
Size |
Bank 0 |
Bank 1 |
Bank 2 |
|
160MB |
(1) 8M x 64 |
(1) 8M x 64 |
(1) 4M x 64 |
|
168MB |
(1) 16M x 64 |
(1) 4M x 64 |
(1) 1M x 64 |
|
176MB |
(1) 16M x 64 |
(1) 4M x 64 |
(1) 2M x 64 |
|
192MB |
(1) 16M x 64 |
(1) 4M x 64 |
(1) 4M x 64 |
|
192MB |
(1) 16M x 64 |
(1) 8M x 64 |
None |
|
192MB |
(1) 8M x 64 |
(1) 8M x 64 |
(1) 8M x 64 |
|
200MB |
(1) 16M x 64 |
(1) 8M x 64 |
(1) 1M x 64 |
|
208MB |
(1) 16M x 64 |
(1) 8M x 64 |
(1) 2M x 64 |
|
224MB |
(1) 16M x 64 |
(1) 8M x 64 |
(1) 4M x 64 |
|
256MB |
(1) 16M x 64 |
(1) 8M x 64 |
(1) 8M x 64 |
|
Note: Board accepts EDO & SDRAM memory. | |||
|
DIMM VOLTAGE CONFIGURATION | ||||
|
Voltage |
DIM31 |
DIM32 |
DIM51 |
DIM52 |
|
3.3v |
Closed |
Closed |
Open |
Open |
|
5v |
Open |
Open |
Closed |
Closed |
|
CACHE CONFIGURATION | |
|
Size |
Bank 0 |
|
512KB |
(2) 64K x 32 |
|
CPU SPEED SELECTION (CX 6X86) | ||||||||
|
CPU speed |
Clock speed |
Multiplier |
BF0 |
BF1 |
BF2 |
FS0 |
FS1 |
FS2 |
|
120MHz |
50MHz |
2x |
Closed |
Open |
Open |
Closed |
Closed |
Closed |
|
150MHz |
60MHz |
2x |
Closed |
Open |
Open |
Closed |
Open |
Open |
|
166MHz |
66MHz |
2x |
Closed |
Open |
Open |
Open |
Open |
Open |
|
200MHz |
75MHz |
2x |
Closed |
Open |
Open |
Open |
Closed |
Open |
|
CPU SPEED SELECTION (CX 6X86L) | ||||||||
|
CPU speed |
Clock speed |
Multiplier |
BF0 |
BF1 |
BF2 |
FS0 |
FS1 |
FS2 |
|
150MHz |
60MHz |
2x |
Closed |
Open |
Open |
Closed |
Open |
Open |
|
166MHz |
66MHz |
2x |
Closed |
Open |
Open |
Open |
Open |
Open |
|
200MHz |
75MHz |
2x |
Closed |
Open |
Open |
Open |
Closed |
Open |
|
CPU SPEED SELECTION (CX 6X86MX) | ||||||||
|
CPU speed |
Clock speed |
Multiplier |
BF0 |
BF1 |
BF2 |
FS0 |
FS1 |
FS2 |
|
166MHz |
60MHz |
2.5x |
Closed |
Closed |
Open |
Closed |
Open |
Open |
|
166MHz |
66MHz |
2x |
Closed |
Open |
Open |
Open |
Open |
Open |
|
200MHz |
66MHz |
2.5x |
Closed |
Closed |
Open |
Open |
Open |
Open |
|
200MHz |
75MHz |
2x |
Closed |
Open |
Open |
Open |
Closed |
Open |
|
233MHz |
66MHz |
3x |
Open |
Closed |
Open |
Open |
Open |
Open |
|
233MHz |
75MHz |
2.5x |
Closed |
Closed |
Open |
Open |
Closed |
Open |
|
CPU SPEED SELECTION (AM K5) | ||||||||
|
CPU speed |
Clock speed |
Multiplier |
BF0 |
BF1 |
BF2 |
FS0 |
FS1 |
FS2 |
|
90MHz |
60MHz |
1.5x |
Open |
Open |
Open |
Closed |
Open |
Open |
|
100MHz |
66MHz |
1.5x |
Open |
Open |
Open |
Open |
Open |
Open |
|
120MHz |
60MHz |
2x |
Closed |
Open |
Open |
Closed |
Open |
Open |
|
133MHz |
66MHz |
2x |
Closed |
Open |
Open |
Open |
Open |
Open |
|
166MHz |
66MHz |
2.5x |
Closed |
Closed |
Open |
Open |
Open |
Open |
|
CPU SPEED SELECTION (AM K6) | ||||||||
|
CPU speed |
Clock speed |
Multiplier |
BF0 |
BF1 |
BF2 |
FS0 |
FS1 |
FS2 |
|
166MHz |
66MHz |
2.5x |
Closed |
Closed |
Open |
Open |
Open |
Open |
|
200MHz |
66MHz |
3x |
Open |
Closed |
Open |
Open |
Open |
Open |
|
233MHz |
66MHz |
3.5x |
Open |
Open |
Open |
Open |
Open |
Open |
|
CPU SPEED SELECTION (INTEL) | ||||||||
|
CPU speed |
Clock speed |
Multiplier |
BF0 |
BF1 |
BF2 |
FS0 |
FS1 |
FS2 |
|
75MHz |
50MHz |
1.5x |
Open |
Open |
Open |
Closed |
Closed |
Closed |
|
90MHz |
60MHz |
1.5x |
Open |
Open |
Open |
Closed |
Open |
Open |
|
100MHz |
66MHz |
1.5x |
Open |
Open |
Open |
Open |
Open |
Open |
|
120MHz |
60MHz |
2x |
Closed |
Open |
Open |
Closed |
Open |
Open |
|
133MHz |
66MHz |
2x |
Closed |
Open |
Open |
Open |
Open |
Open |
|
150MHz |
60MHz |
2.5x |
Closed |
Closed |
Open |
Closed |
Open |
Open |
|
166MHz |
66MHz |
2.5x |
Closed |
Closed |
Open |
Open |
Open |
Open |
|
200MHz |
66MHz |
3x |
Open |
Closed |
Open |
Open |
Open |
Open |
|
CPU SPEED SELECTION (INTEL MMX) | ||||||||
|
CPU speed |
Clock speed |
Multiplier |
BF0 |
BF1 |
BF2 |
FS0 |
FS1 |
FS2 |
|
166MHz |
66MHz |
2.5x |
Closed |
Closed |
Open |
Open |
Open |
Open |
|
200MHz |
66MHz |
3x |
Open |
Closed |
Open |
Open |
Open |
Open |
|
233MHz |
66MHz |
3.5x |
Open |
Open |
Open |
Open |
Open |
Open |
|
CPU TYPE SELECTION | ||
|
Type |
VC1 |
VC2 |
|
AM K5 |
Open |
Open |
|
AM K6 |
Closed |
Closed |
|
CX 6X86 |
Open |
Open |
|
CX 6X86L |
Closed |
Closed |
|
CX 6X86MX |
Closed |
Closed |
|
P54C |
Open |
Open |
|
P55C |
Closed |
Closed |
|
CPU VOLTAGE SELECTION | ||||
|
Voltage |
VID0 |
VID1 |
VID2 |
VID3 |
|
2.0v |
Open |
Open |
Open |
Open |
|
2.1v |
Closed |
Open |
Open |
Open |
|
2.2v |
Open |
Closed |
Open |
Open |
|
2.3v |
Closed |
Closed |
Open |
Open |
|
2.4v |
Open |
Open |
Closed |
Open |
|
2.5v |
Closed |
Open |
Closed |
Open |
|
2.6v |
Open |
Closed |
Closed |
Open |
|
2.7v |
Closed |
Closed |
Closed |
Open |
|
2.8v |
Open |
Open |
Open |
Closed |
|
2.9v |
Closed |
Open |
Open |
Closed |
|
3.0v |
Open |
Closed |
Open |
Closed |
|
3.1v |
Closed |
Closed |
Open |
Closed |
|
3.2v |
Open |
Open |
Closed |
Closed |
|
3.3v |
Closed |
Open |
Closed |
Closed |
|
3.4v |
Open |
Closed |
Closed |
Closed |
|
3.5v |
Closed |
Closed |
Closed |
Closed |
|
SERIAL PORT SELECTION | ||
|
Setting |
JP15 |
JP16 |
|
Used as serial port |
Pins 1 & 2 closed |
Pins 1 & 2 closed |
|
Used as IR port |
Pins 2 & 3 closed |
Pins 2 & 3 closed |