PACKARD BELL

PB301 386SXIIE/386SXIIES (REV. B)

Processor

80386DX

Processor Speed

16/20MHz

Chip Set

ACC

Max. onboard DRAM

16MB

SRAM Cache

None

BIOS

Phoenix

Dimensions

220mm x 220mm

I/O Options

Fax/modem daughterboard, floppy drive interface, game port, IDE interface, parallel port, PS/2 keyboard port, PS/2 mouse port, serial port, VGA port

NPU Options

80837SX

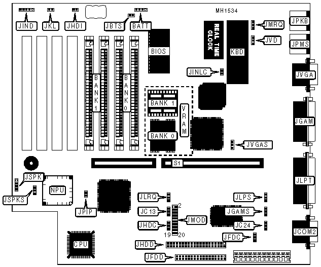
CONNECTIONS

Purpose

Location

Purpose

Location

External battery

BATT

Parallel port

JLPT

Serial port

JCOM2

Proprietary modem daughterboard

JMOD

Floppy drive interface

JFDD

PS/2 keyboard

JPKB

Game port

JGAM

PS/2 mouse

JPMS

IDE interface

JHDD

Speaker

JSPK

IDE interface LED

JHDI

VGA port

JVGA

Front panel connector

JIND

Riser card

S1

Keylock

JKL

   

USER CONFIGURABLE SETTINGS

Function

Jumper/Switch

Position

»

Onboard battery enabled

JBTS

Open

 

Onboard battery disabled

JBTS

Closed

»

Onboard floppy drive interface select primary address

JFDC

pins 1 & 2 closed

 

Onboard floppy drive interface select secondary address

JFDC

pins 2 & 3 closed

»

Onboard Game port enabled

JGAMS

pins 1 & 2 closed

 

Onboard Game port disabled

JGAMS

pins 2 & 3 closed

»

Onboard IDE interface select primary address

JHDC

pins 1 & 2 closed

 

Onboard IDE interface select secondary address

JHDC

pins 2 & 3 closed

»

PS/2 mouse port enabled (IRQ12)

JMRQ

Closed

 

PS/2 mouse port disabled

JMRQ

Open

»

Pipeline mode enabled

JPIP

Closed

 

Pipeline mode disabled

JPIP

Open

»

Onboard speaker enabled

JSPKS

pins 1 & 2 closed

 

Onboard speaker disabled

JSPKS

pins 2 & 3 closed

»

Monitor type select color

JVD

Closed

 

Monitor type select monochrome

JVD

Open

Note:Some boards have the game port jumper (JGAMS) reversed.

DRAM CONFIGURATION

Size

Bank 0

Bank 1

Bank 2

Bank 3

1MB

(4) 44256

(4) 44256

NONE

NONE

1.5MB

(4) 44256

(4) 44256

(2) 256K x 9

NONE

2MB

(4) 44256

(4) 44256

(2) 256K x 9

(2) 256K x 9

3MB

(4) 44256

(4) 44256

(2) 1M x 9

NONE

3,5MB

(4) 44256

(4) 44256

(2) 1M x 9

(2) 256K x 9

5MB

(4) 44256

(4) 44256

(2) 1M x 9

(2) 1M x 9

Note:4M x 9 SIMMs are not supported. Banks 0 & 1 are soldered to the board and should not be altered.

VRAM CONFIGURATION

Size

Bank 0

Bank 1

512KB

(2) 256K x 9

NONE

1MB

(2) 256K x 9

(2) 256K x 9

2MB

(2) 1M x 9

NONE

2.5MB

(2) 1M x 9

(2) 256K x 9

4MB

(2) 1M x 9

(2) 1M x 9

8MB

(2) 4M x 9

NONE

12MB

(2) 4M x 9

(2) 1M x 9

16MB

(2) 4M x 9

(2) 4M x 9

Note:Board contains traces for additional SIMM banks. Additional SIMM sockets will not function if installed.

VIDEO CONFIGURATION

Mode

IRQ

Monitor

JINLC

JVGAS

JVRQ

»

Enabled

IRQ9

Interlaced

Closed

pins 1 & 2

Closed

 

Enabled

None

Interlaced

Closed

pins 1 & 2

Open

 

Enabled

IRQ9

Non-Interlaced

Open

pins 1 & 2

Closed

 

Enabled

None

Non-Interlaced

Open

pins 1 & 2

Open

 

Disabled

N/A

N/A

N/A

pins 2 & 3

N/A

SERIAL PORT CONFIGURATION

Modem (JMOD)

Port B (JCOM2)

ISA Modem

JC13

JC24

JMODJ

Disabled

COM2

None

N/A

pins 1 & 2

Closed

Disabled

COM2

COM1

pins 2 & 3

pins 1 & 2

Closed

Disabled

COM2

COM3

pins 1 & 2

pins 1 & 2

Closed

COM1

COM2

None

pins 1 & 2

pins 1 & 2

Open

COM3

COM2

None

pins 2 & 3

pins 1 & 2

Open

Disabled

COM4

None

N/A

pins 2 & 3

Closed

Disabled

COM4

COM1

pins 2 & 3

pins 2 & 3

Closed

Disabled

COM4

COM3

pins 1 & 2

pins 2 & 3

Closed

COM1

COM4

None

pins 1 & 2

pins 2 & 3

Open

COM3

COM4

None

pins 2 & 3

pins 2 & 3

Open

Note:* JMODJ is a special block placed on JMOD iteself, connecting pins 10 and 11 together diagonally. Permanent damage to the board will occur if the JMODJ jumper is installed improperly.

Pins designated should be in the closed position.

PARALLEL PORT CONFIGURATION

LPT

IRQ

JLPS

JLRQ

»

LPT1

IRQ7

pins 1 & 2 closed

pins 1 & 2 closed

 

LPT1

IRQ5

pins 1 & 2 closed

pins 2 & 3 closed

 

LPT2

IRQ7

pins 2 & 3 closed

pins 1 & 2 closed

 

LPT2

IRQ5

pins 2 & 3 closed

pins 2 & 3 closed