IBM CORPORATION
APTIVA 2139 SL-A
|
Device Type |
Mainboard |
|
Processor |
Pentium II |
|
Processor Speed |
350/400/450MHz |
|
Chip Set |
Unidentified |
|
Video Chip Set |
ATI |
|
Maximum Onboard Memory |
384MB (EDO & SDRAM supported) |
|
Maximum Video Memory |
4MB |
|
Cache |
512KB (located on Pentium II CPU) |
|
BIOS |
Unidentified |
|
Dimensions |
305mm x 244mm |
|
I/O Options |
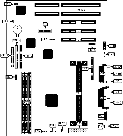
32-bit PCI slots (3), floppy drive interface, game/MIDI port, IDE interfaces (2), parallel port, PS/2 mouse port, serial ports (2), VGA port, USB connectors (2), ATX power connector, line in, line out, microphone in, audio in – CD-ROM |
|
CONNECTIONS | |||
|
Purpose |
Location |
Purpose |
Location |
|
ATX power connector |
ATX |
AMC connector |
CN7 |
|
USB connector 1 |
CN2 |
Modem connector |
CN8 |
|
USB connector 2 |
CN2A |
Audio in – CD-ROM |
CN9 |
|
PS/2 mouse port |
CN3 |
Wake on modem connector |
CN10 |
|
Parallel port |
CN4 |
Floppy drive interface |
CN11 |
|
Serial port 1 |
CN4B |
IDE interface 1 |
CN12 |
|
VGA port |
CN4C |
IDE interface 2 |
CN13 |
|
Game/MIDI port |
CN5 |
CS4610 connector |
CN15 |
|
Microphone in |
CN5A |
CPU fan power |
FN1 |
|
Line in |
CN5B |
CPU fan power |
FN2 |
|
Line out |
CN5C |
Power LED & keylock |
JP4 |
|
IDE interface LED |
CN6 |
32-bit PCI slots |
PC1 – PC3 |
|
Note: The location of CN10 is unidentified. | |||
|
USER CONFIGURABLE SETTINGS | |||
|
Function |
Label |
Position | |
|
Audio resource write protected |
J1 |
Pins 1 & 2 closed | |
|
Audio resource programmable |
J1 |
Pins 2 & 3 closed | |
|
VGA IRQ disabled |
JP2 |
Pins 1 & 2 closed | |
|
VGA IRQ enabled |
JP2 |
Pins 2 & 3 closed | |
|
» |
Factory configured - do not alter |
JP3 |
Unidentified |
|
» |
Factory configured - do not alter |
JPX2 |
Unidentified |
|
Password enabled |
S1/2 |
Off | |
|
Password disabled |
S1/2 |
On | |
|
» |
Factory configured - do not alter |
S1/3 |
Unidentified |
|
» |
Factory configured - do not alter |
S1/4 |
Unidentified |
|
Note: The location of J1 is unidentified. | |||
|
DIMM CONFIGURATION | |||
|
Size |
Bank 0 |
Bank 1 |
Bank 2 |
|
16MB |
(1) 2M x 64 |
None |
None |
|
32MB |
(1) 4M x 64 |
None |
None |
|
32MB |
(1) 2M x 64 |
(1) 2M x 64 |
None |
|
48MB |
(1) 4M x 64 |
(1) 2M x 64 |
None |
|
DIMM CONFIGURATION (CON’T) | |||
|
Size |
Bank 0 |
Bank 1 |
Bank 2 |
|
48MB |
(1) 2M x 64 |
(1) 2M x 64 |
(1) 2M x 64 |
|
64MB |
(1) 8M x 64 |
None |
None |
|
64MB |
(1) 4M x 64 |
(1) 2M x 64 |
(1) 2M x 64 |
|
64MB |
(1) 4M x 64 |
(1) 4M x 64 |
None |
|
80MB |
(1) 8M x 64 |
(1) 2M x 64 |
None |
|
80MB |
(1) 4M x 64 |
(1) 4M x 64 |
(1) 2M x 64 |
|
96MB |
(1) 8M x 64 |
(1) 2M x 64 |
(1) 2M x 64 |
|
96MB |
(1) 8M x 64 |
(1) 4M x 64 |
None |
|
96MB |
(1) 4M x 64 |
(1) 4M x 64 |
(1) 4M x 64 |
|
112MB |
(1) 8M x 64 |
(1) 4M x 64 |
(1) 2M x 64 |
|
128MB |
(1) 16M x 64 |
None |
None |
|
128MB |
(1) 8M x 64 |
(1) 4M x 64 |
(1) 4M x 64 |
|
128MB |
(1) 8M x 64 |
(1) 8M x 64 |
None |
|
144MB |
(1) 16M x 64 |
(1) 2M x 64 |
None |
|
144MB |
(1) 8M x 64 |
(1) 8M x 64 |
(1) 2M x 64 |
|
160MB |
(1) 16M x 64 |
(1) 2M x 64 |
(1) 2M x 64 |
|
160MB |
(1) 16M x 64 |
(1) 4M x 64 |
None |
|
160MB |
(1) 8M x 64 |
(1) 8M x 64 |
(1) 4M x 64 |
|
176MB |
(1) 16M x 64 |
(1) 4M x 64 |
(1) 2M x 64 |
|
192MB |
(1) 16M x 64 |
(1) 4M x 64 |
(1) 4M x 64 |
|
192MB |
(1) 16M x 64 |
(1) 8M x 64 |
None |
|
192MB |
(1) 8M x 64 |
(1) 8M x 64 |
(1) 8M x 64 |
|
208MB |
(1) 16M x 64 |
(1) 8M x 64 |
(1) 2M x 64 |
|
224MB |
(1) 16M x 64 |
(1) 8M x 64 |
(1) 4M x 64 |
|
256MB |
(1) 16M x 64 |
(1) 8M x 64 |
(1) 8M x 64 |
|
384MB |
(1) 16M x 64 |
(1) 16M x 64 |
(1) 16M x 64 |
|
Note: Board accepts SDRAM memory. | |||
|
CACHE CONFIGURATION |
|
Note: 512KB cache is located on the Pentium II CPU. |
|
VIDEO MEMORY CONFIGURATION |
|
Note: 4MB video memory is factory installed and is not configurable. The location is unidentified. |
|
CPU SPEED SELECTION | |||||||
|
CPU speed |
Clock speed |
Multiplier |
S1/1 |
S1/5 |
SW1/6 |
S1/7 |
S1/8 |
|
350MHz |
100MHz |
3.5x |
Off |
On |
On |
Off |
On |
|
400MHz |
100MHz |
4x |
Off |
Off |
On |
On |
On |
|
450MHz |
100MHz |
4.5x |
Off |
Off |
On |
Off |
On |