IWILL CORPORATION
BS100
|
Device Type |
Mainboard |
|
Processor |
Pentium II |
|
Processor Speed |
233/266/300/333/400/450/500MHz |
|
Chip Set |
Intel |
|
Video Chip Set |
None |
|
Maximum Onboard Memory |
1GB (EDO & SDRAM supported) |
|
Maximum Video Memory |
None |
|
Cache |
256/512KB (located on Pentium II CPU) |
|
BIOS |
Award |
|
Dimensions |
305mm x 245mm |
|
I/O Options |
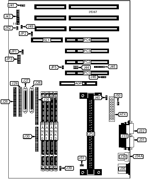
32-bit PCI slots (4), floppy drive interface, IDE interfaces (2), SCSI interface, Wide Ultra SCSI interfaces (2), parallel port, PS/2 mouse port, serial ports (2), IR connector, USB connectors (2), ATX power connector, AGP slot, RAID slot |
|
NPU Options |
None |
|
CONNECTIONS | |||
|
Purpose |
Location |
Purpose |
Location |
|
AGP slot |
AGP |
Chassis fan power |
J41 |
|
ATX power connector |
ATX |
Soft off power supply |
J42 |
|
SCSI interface |
J25 |
IDE interface LED |
J43/pins 5 & 6 |
|
Ultra Wide SCSI interface |
J26 |
SCSI interface LED |
J43/pins 7 & 8 |
|
Ultra Wide SCSI interface |
J27 |
Reset switch |
J43/pins 9 & 10 |
|
IDE interface 1 |
J28 |
Power LED & keylock |
J43/pins 11 – 15 |
|
IDE interface 2 |
J29 |
Speaker |
J43/pins 17 - 20 |
|
Floppy drive interface |
J30 |
SB link connector |
J44 |
|
Serial port 1 |
J31 |
IR connector |
J45 |
|
Serial port 2 |
J32 |
Wake on LAN connector |
J46 |
|
Parallel port |
J33 |
Temperature sensor 1 |
J49 |
|
USB connector 2 |
J34 |
Temperature sensor 2 |
J50 |
|
USB connector 1 |
J34A |
Temperature sensor 3 |
J51 |
|
PS/2 mouse port |
J35 |
32-bit PCI slots |
PC1 – PC4 |
|
CPU fan power |
J39 |
RAID slot |
SL1 |
|
Chassis fan power |
J40 | ||
|
USER CONFIGURABLE SETTINGS | |||
|
Function |
Label |
Position | |
|
» |
CMOS memory normal operation |
JP1 |
Pins 1 & 2 closed |
|
CMOS memory clear |
JP1 |
Pins 2 & 3 closed | |
|
SCSI enabled |
JP2 |
Pins 1 & 2 closed | |
|
SCSI enabled |
JP2 |
Pins 2 & 3 closed | |
|
» |
Factory configured - do not alter |
JP5 |
Unidentified |
|
DIMM CONFIGURATION | ||||
|
Size |
Bank 0 |
Bank 1 |
Bank 2 |
Bank 3 |
|
8MB |
(1) 1M x 64 |
None |
None |
None |
|
16MB |
(1) 2M x 64 |
None |
None |
None |
|
16MB |
(1) 1M x 64 |
(1) 1M x 64 |
None |
None |
|
24MB |
(1) 2M x 64 |
(1) 1M x 64 |
None |
None |
|
24MB |
(1) 1M x 64 |
(1) 1M x 64 |
(1) 1M x 64 |
None |
|
32MB |
(1) 4M x 64 |
None |
None |
None |
|
32MB |
(1) 2M x 64 |
(1) 2M x 64 |
None |
None |
|
32MB |
(1) 1M x 64 |
(1) 1M x 64 |
(1) 1M x 64 |
(1) 1M x 64 |
|
40MB |
(1) 4M x 64 |
(1) 1M x 64 |
None |
None |
|
DIMM CONFIGURATION (CON’T) | ||||
|
Size |
Bank 0 |
Bank 1 |
Bank 2 |
Bank 3 |
|
48MB |
(1) 4M x 64 |
(1) 2M x 64 |
None |
None |
|
48MB |
(1) 2M x 64 |
(1) 2M x 64 |
(1) 2M x 64 |
None |
|
64MB |
(1) 2M x 64 |
(1) 2M x 64 |
(1) 2M x 64 |
(1) 2M x 64 |
|
64MB |
(1) 8M x 64 |
None |
None |
None |
|
64MB |
(1) 4M x 64 |
(1) 4M x 64 |
None |
None |
|
72MB |
(1) 8M x 64 |
(1) 1M x 64 |
None |
None |
|
80MB |
(1) 8M x 64 |
(1) 2M x 64 |
None |
None |
|
96MB |
(1) 8M x 64 |
(1) 4M x 64 |
None |
None |
|
96MB |
(1) 4M x 64 |
(1) 4M x 64 |
(1) 4M x 64 |
None |
|
128MB |
(1) 16M x 64 |
None |
None |
None |
|
128MB |
(1) 8M x 64 |
(1) 8M x 64 |
None |
None |
|
128MB |
(1) 4M x 64 |
(1) 4M x 64 |
(1) 4M x 64 |
(1) 4M x 64 |
|
136MB |
(1) 16M x 64 |
(1) 1M x 64 |
None |
None |
|
144MB |
(1) 16M x 64 |
(1) 2M x 64 |
None |
None |
|
152MB |
(1) 16M x 64 |
(1) 1M x 64 |
(1) 1M x 64 |
(1) 1M x 64 |
|
160MB |
(1) 16M x 64 |
(1) 4M x 64 |
None |
None |
|
176MB |
(1) 16M x 64 |
(1) 2M x 64 |
(1) 2M x 64 |
(1) 2M x 64 |
|
192MB |
(1) 16M x 64 |
(1) 8M x 64 |
None |
None |
|
192MB |
(1) 8M x 64 |
(1) 8M x 64 |
(1) 8M x 64 |
None |
|
224MB |
(1) 16M x 64 |
(1) 4M x 64 |
(1) 4M x 64 |
(1) 4M x 64 |
|
256MB |
(1) 32M x 64 |
None |
None |
None |
|
256MB |
(1) 16M x 64 |
(1) 16M x 64 |
None |
None |
|
256MB |
(1) 8M x 64 |
(1) 8M x 64 |
(1) 8M x 64 |
(1) 8M x 64 |
|
272MB |
(1) 16M x 64 |
(1) 16M x 64 |
(1) 1M x 64 |
(1) 1M x 64 |
|
280MB |
(1) 32M x 64 |
(1) 1M x 64 |
(1) 1M x 64 |
(1) 1M x 64 |
|
288MB |
(1) 16M x 64 |
(1) 16M x 64 |
(1) 2M x 64 |
(1) 2M x 64 |
|
304MB |
(1) 32M x 64 |
(1) 2M x 64 |
(1) 2M x 64 |
(1) 2M x 64 |
|
320MB |
(1) 16M x 64 |
(1) 16M x 64 |
(1) 4M x 64 |
(1) 4M x 64 |
|
320MB |
(1) 16M x 64 |
(1) 8M x 64 |
(1) 8M x 64 |
(1) 8M x 64 |
|
352MB |
(1) 32M x 64 |
(1) 4M x 64 |
(1) 4M x 64 |
(1) 4M x 64 |
|
384MB |
(1) 16M x 64 |
(1) 16M x 64 |
(1) 16M x 64 |
None |
|
448MB |
(1) 32M x 64 |
(1) 8M x 64 |
(1) 8M x 64 |
(1) 8M x 64 |
|
512MB |
(1) 32M x 64 |
(1) 32M x 64 |
None |
None |
|
512MB |
(1) 16M x 64 |
(1) 16M x 64 |
(1) 16M x 64 |
(1) 16M x 64 |
|
640MB |
(1) 32M x 64 |
(1) 16M x 64 |
(1) 16M x 64 |
(1) 16M x 64 |
|
768MB |
(1) 32M x 64 |
(1) 32M x 64 |
(1) 32M x 64 |
None |
|
1024MB |
(1) 32M x 64 |
(1) 32M x 64 |
(1) 32M x 64 |
(1) 32M x 64 |
|
Note: Board accepts EDO & SDRAM memory. | ||||
|
CACHE CONFIGURATION |
|
Note: 256KB/512KB cache is located on the Pentium II CPU. |
|
CPU SPEED SELECTION | |||
|
CPU speed |
Clock speed |
Multiplier |
JP3 |
|
233MHz |
66MHz |
3.5x |
1 & 2, 9 & 10 |
|
266MHz |
66MHz |
4x |
3 & 4, 9 & 10 |
|
300MHz |
66MHz |
4.5x |
5 & 6, 9 & 10 |
|
333MHz |
66MHz |
5x |
7 & 8, 9 & 10 |
|
350MHz |
100MHz |
5.5x |
1 & 2 |
|
400MHz |
100MHz |
6x |
3 & 4 |
|
450MHz |
100MHz |
6.5x |
5 & 6 |
|
500MHz |
100MHz |
7x |
7 & 8 |
|
Note: Pins designated should be in the closed position. | |||