INTEL CORPORATION

LT430TX

Processor

Pentium

Processor Speed

90/100/120/133/150/166/200/233MHz

Chip Set

Intel

Video Chip Set

ATI

Maximum Onboard Memory

256MB (EDO supported)

Maximum Video Memory

2MB

Cache

256/512KB

BIOS

Unidentified

Dimensions

305mm x 244mm

I/O Options

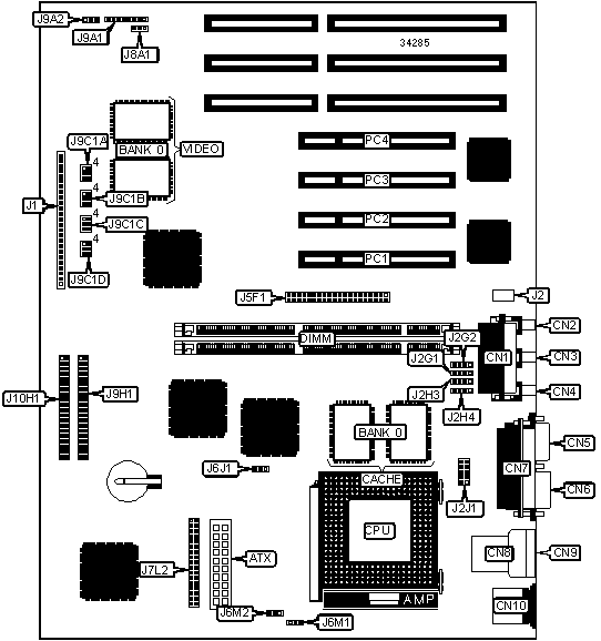
32-bit PCI slots (4), floppy drive interface, green PC connector, IDE interfaces (2), parallel port, PS/2 mouse port, serial ports (2), VGA port, IR connector, USB connectors (2), ATX power connector, microphone in, line in, line out, game/MIDI port, telephony connector, wavetable connector, wake on LAN connector, VESA/ATI Multimedia connector, CD-ROM audio in, ATAPI audio in, line audio in

NPU Options

None

CONNECTIONS

Purpose

Location

Purpose

Location

ATX power connector

ATX

Speaker

J1/pins 24 - 27

Game/MIDI port

CN1

Wavetable connector

J2

Microphone in

CN2

ATAPI audio in

J2G1

Line in

CN3

CD-ROM audio in

J2G2

Line out

CN4

Line in audio

J2H3

VGA port

CN5

Telephony connector

J2H4

Serial port 1

CN6

Serial port 2

J2J1

Parallel port

CN7

VESA/ATI Multimedia connector

J5F1

USB connector 1

CN8

Wake on LAN connector

J6J1

USB connector 2

CN9

CPU fan power

J6M1

PS/2 mouse port

CN10

Floppy drive interface

J7L2

Soft on power supply

J1/pins 1 & 2

GPI connector

J9A1

Green PC connector

J1/pins 3 & 4

Chassis fan power

J9A2

IR connector

J1/pins 6 - 11

IDE interface 2

J9H1

IDE interface LED

J1/pins 13 - 16

IDE interface 1

J10H1

Green PC LED

J1/pins 18 - 20

32-bit PCI slots

PC1 – PC4

Reset switch

J1/pins 22 & 23

   

USER CONFIGURABLE SETTINGS

Function

Label

Position

»

Flash BIOS normal operation

J8A1

Pins 1 & 2 closed

 

Flash BIOS recovery mode

J8A1

Pins 2 & 3 closed

»

Password enabled

J9C1A

Pins 1 & 2 closed

 

Password disabled

J9C1A

Pins 2 & 3 closed

»

CMOS memory normal operation

J9C1A

Pins 4 & 5 closed

 

CMOS memory clear

J9C1A

Pins 5 & 6 closed

»

Flash BIOS write protect disabled

J9C1B

Pins 1 & 2 closed

 

Flash BIOS write protect enabled

J9C1B

Pins 2 & 3 closed

»

Factory configured - do not alter

J9C1B

Pins 4 - 6 open

DIMM CONFIGURATION

Size

Bank 0

Bank 1

8MB

(1) 1M x 64

None

16MB

(1) 2M x 64

None

16MB

(1) 1M x 64

(1) 1M x 64

24MB

(1) 2M x 64

(1) 1M x 64

32MB

(1) 4M x 64

None

32MB

(1) 2M x 64

(1) 2M x 64

40MB

(1) 4M x 64

(1) 1M x 64

48MB

(1) 4M x 64

(1) 2M x 64

64MB

(1) 8M x 64

None

64MB

(1) 4M x 64

(1) 4M x 64

72MB

(1) 8M x 64

(1) 1M x 64

80MB

(1) 8M x 64

(1) 2M x 64

96MB

(1) 8M x 64

(1) 4M x 64

128MB

(1) 16M x 64

None

128MB

(1) 8M x 64

(1) 8M x 64

136MB

(1) 16M x 64

(1) 1M x 64

144MB

(1) 16M x 64

(1) 2M x 64

160MB

(1) 16M x 64

(1) 4M x 64

192MB

(1) 16M x 64

(1) 8M x 64

256MB

(1) 16M x 64

(1) 16M x 64

Note: Board accepts EDO memory.

CACHE CONFIGURATION

Size

Bank 0

256KB

(2) 32K x 32

512KB

(2) 64K x 32

Note: Board will be factory installed with one of the above configurations.

VIDEO MEMORY CONFIGURATION

Note: Bank 0 is factory installed with 2MB of video memory and is not configurable.

CPU SPEED SELECTION

CPU speed

Clock speed

Multiplier

J9C1C

J9C1D

90MHz

60MHz

1.5x

4 & 5

1 & 2, 4 & 5

100MHz

66MHz

1.5x

5 & 6

1 & 2, 4 & 5

120MHz

60MHz

2x

4 & 5

2 & 3, 4 & 5

133MHz

66MHz

2x

5 & 6

2 & 3, 4 & 5

150MHz

60MHz

2.5x

4 & 5

2 & 3, 5 & 6

166MHz

66MHz

2.5x

5 & 6

2 & 3, 5 & 6

200MHz

66MHz

3x

5 & 6

1 & 2, 5 & 6

233MHz

66MHz

1.5x

5 & 6

1 & 2, 4 & 5

Note: Pins designated should be in the closed position.

CPU TYPE SELECTION

Type

J6M2

»

VRE

Pins 2 & 3 closed

 

STD

Pins 1 & 2 closed