EPOX COMPUTER CO., LTD.

P55-VA

Processor

CX M1/AM K5/Pentium

Processor Speed

75/90/100/120/133/150/166/180/200MHz

Chip Set

Intel

Video Chip Set

None

Maximum Onboard Memory

128MB (EDO supported)

Maximum Video Memory

None

Cache

256/512KB

BIOS

Award

Dimensions

330mm x 218mm

I/O Options

32-bit PCI slots (4), floppy drive interface, green PC connector, IDE interfaces (2), parallel port, PS/2 mouse port, serial ports (2), cache slot, IR connector, USB connector, ATX power connector

NPU Options

None

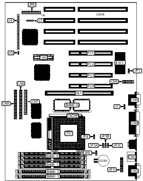
CONNECTIONS

Purpose

Location

Purpose

Location

ATX power connector

ATX

Power on connector

J3

PS/2 mouse port

CN1

Power LED & keylock

J4 pins 1 - 5

Serial port 1

CN3

Speaker

J4 pins 7 - 10

Parallel port

CN4

Reset switch

J4 pins 12 & 13

Serial port 2

CN5

Turbo LED

J4 pins 15 & 16

USB connector

CN6

Green PC connector

J4 pins 18 & 19

Floppy drive interface

CN7

Green PC LED

J4 pins 21 & 22

IDE interface 1

CN8

IDE interface LED

J4 pins 24 & 25

IDE interface 2

CN9

32-bit PCI slots

PC1 - PC4

Chassis fan power

J1

Cache slot

SL1

IR connector

J2

   

USER CONFIGURABLE SETTINGS

Function

Label

Position

 

Flash BIOS voltage select 12v

JP1

Pins 2 & 3 closed

 

Flash BIOS voltage select 5v

JP1

Pins 1 & 2 closed

»

CMOS memory normal operation

JP5

Pins 1 & 2 closed

 

CMOS memory clear

JP5

Pins 2 & 3 closed

DRAM CONFIGURATION

Size

Bank 0

Bank 1

Bank 2

Bank 3

8MB

(2) 1M x 36

None

None

None

8MB

None

None

(1) 1M x 64

None

16MB

(2) 1M x 36

(2) 1M x 36

None

None

16MB

(2) 2M x 36

None

None

None

16MB

(2) 1M x 36

None

(1) 1M x 64

None

16MB

None

None

(1) 2M x 64

None

24MB

(2) 2M x 36

(2) 1M x 36

None

None

24MB

(2) 1M x 36

None

(1) 2M x 64

None

32MB

(2) 2M x 36

(2) 2M x 36

None

None

32MB

(2) 4M x 36

None

None

None

32MB

(2) 2M x 36

None

(1) 2M x 64

None

32MB

None

None

(1) 4M x 64

None

32MB

(2) 1M x 36

(2) 1M x 36

(1) 1M x 64

(1) 1M x 64

40MB

(2) 4M x 36

(2) 1M x 36

None

None

40MB

(2) 4M x 36

None

(1) 1M x 64

None

48MB

(2) 2M x 36

(2) 4M x 36

None

None

48MB

(2) 2M x 36

None

(1) 4M x 64

None

64MB

(2) 4M x 36

(2) 4M x 36

None

None

64MB

(2) 8M x 36

None

None

None

64MB

(2) 4M x 36

None

(1) 4M x 64

None

64MB

None

None

(1) 8M x 64

None

DRAM CONFIGURATION (CON’T)

Size

Bank 0

Bank 1

Bank 2

Bank 3

72MB

(2) 1M x 36

(2) 8M x 36

None

None

72MB

(2) 1M x 36

None

(1) 8M x 64

None

72MB

(2) 2M x 36

(2) 2M x 36

(1) 1M x 64

(1) 4M x 64

80MB

(2) 2M x 36

(2) 8M x 36

None

None

80MB

(2) 2M x 36

None

(1) 8M x 64

None

80MB

(2) 4M x 36

(2) 4M x 36

(1) 1M x 64

(1) 1M x 64

96MB

(2) 4M x 36

(2) 8M x 36

None

None

96MB

(2) 4M x 36

None

(1) 8M x 64

None

96MB

(2) 2M x 36

(2) 2M x 36

(1) 4M x 64

(1) 4M x 64

104MB

(2) 4M x 36

(2) 4M x 36

(1) 1M x 64

(1) 4M x 64

128MB

(2) 8M x 36

(2) 8M x 36

None

None

128MB

(2) 8M x 36

None

(1) 8M x 64

None

128MB

(2) 4M x 36

(2) 4M x 36

(1) 4M x 64

(1) 4M x 64

Note: Board accepts EDO memory. Banks are interchangeable.

CACHE CONFIGURATION

Size

Bank 0

SL1

TAG

256KB

(2) 32K x 32

Not installed

Unidentified

512KB

(2) 32K x 32

Installed

Unidentified

512KB

(2) 64K x 32

Not installed

Unidentified

CPU SPEED SELECTION (CYRIX)

CPU speed

Clock speed

Multiplier

JP8

120MHz

50MHz

2x

Pins 10 & 23 closed

133MHz

55MHz

2x

Pins 13 & 26 closed

150MHz

60MHz

2x

Pins 4 & 17 closed

166MHz

66MHz

2x

Pins 5 & 18 closed

200MHz

75MHz

2x

Pins 12 & 25 closed

CPU SPEED SELECTION (INTEL)

CPU speed

Clock speed

Multiplier

JP8

75MHz

50MHz

1.5x

Pins 1 & 14 closed

90MHz

60MHz

1.5x

Pins 2 & 15 closed

100MHz

66MHz

1.5x

Pins 3 & 16 closed

120MHz

60MHz

2x

Pins 4 & 17 closed

133MHz

66MHz

2x

Pins 5 & 18 closed

150MHz

60MHz

2.5x

Pins 6 & 19 closed

166MHz

66MHz

2.5x

Pins 7 & 20 closed

180MHz

60MHz

3x

Pins 8 & 21 closed

200MHz

66MHz

3x

Pins 9 & 22 closed

CPU TYPE SELECTION

Type

JP3A

JP3B

JP3C

CX M1

Pins 1 & 2 closed

Pins 1 & 2 closed

Pins 1 & 2 closed

AM K5

Pins 1 & 2 closed

Pins 1 & 2 closed

Pins 1 & 2 closed

P54C/CTB

Pins 1 & 2 closed

Pins 1 & 2 closed

Pins 1 & 2 closed

P55C

Pins 2 & 3 closed

Pins 2 & 3 closed

Pins 2 & 3 closed

CPU VOLTAGE SELECTION

Voltage

JP4

 

2.5v

Pins 1 & 2 closed

»

2.8v

Pins 2 & 3 closed

 

2.9v

Open

MISCELLANEOUS TECHNICAL NOTE

If 200MHz Cyrix chip is installed, do not install the COAST module. Also, do not install a PCI 2.0 SCSI card. Either of the above cases will cause the mainboard to lock up. A PCI 2.1 SCSI card may be installed with no problems.