CHAINTECH COMPUTER COMPANY, LTD.
CT-6ESA
|
Device Type |
Mainboard |
|
Processor |
Pentium II/Celeron |
|
Processor Speed |
233/266/300/333MHz |
|
Chip Set |
Intel 440EX |
|
Video Chip Set |
None |
|
Maximum Onboard Memory |
256MB (SDRAM supported) |
|
Maximum Video Memory |
None |
|
Cache |
0/128/256/512KB (located on the CPU) |
|
BIOS |
Award |
|
Dimensions |
244mm x 220mm |
|
I/O Options |
32-bit PCI slots (2), floppy drive interface, game/MIDI port, green PC connector, IDE interfaces (2), parallel port, PS/2 mouse port, serial ports (2), IR connector, USB connectors (2), ATX power connector, AGP slot, line in, line out, microphone in, audio in - CD-ROM, SB-link connector, wake on LAN connector |

|
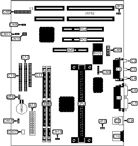
CONNECTIONS |
|||
|
Purpose |
Location |
Purpose |
Location |
|
AGP slot |
AGP |
IR connector |
CN6 |
|
ATX power connector |
ATX |
Power LED & keylock |
CN8/pins 1 - 5 |
|
Game/MIDI port |
C1 |
Speaker |
CN8/pins 7 - 10 |
|
Microphone in |
C2 |
Soft off power supply |
CN8/pins 11 & 12 |
|
Line in |
C3 |
Turbo LED |
CN8/pins 13 & 14 |
|
Line out |
C4 |
Green PC connector |
CN8/pins 16 & 17 |
|
Parallel port |
C5 |
Green PC LED |
CN8/pins 18 & 19 |
|
Serial port 2 |
C6 |
Reset switch |
CN8/pins 21 & 22 |
|
Serial port 1 |
C7 |
IDE interface LED |
CN8/pins 23 & 24 |
|
USB connector 1 |
C8 |
Chassis fan power |
CN9 |
|
USB connector 2 |
C9 |
SB-link connector |
CN10 |
|
PS/2 mouse port |
C10 |
Wake on LAN connector |
CN11 |
|
Floppy drive interface |
C11 |
CPU fan power |
CN15 |
|
IDE interface 1 |
C12 |
Fan-II connector |
CN17 |
|
IDE interface 2 |
C13 |
Chassis intrusion connector |
CN18 |
|
Audio in - CD-ROM |
CN5 |
32-bit PCI slots |
PC1 - PC2 |
|
USER CONFIGURABLE SETTINGS |
|||
|
Function |
Label |
Position |
|
|
» |
On board audio enabled |
JP1 |
Pins 1 & 2 closed |
|
|
On board audio disabled |
JP1 |
Pins 2 & 3 closed |
|
» |
Keyboard power on disabled |
JP2 |
Pins 1 & 2 closed |
|
|
Keyboard power on enabled |
JP2 |
Pins 2 & 3 closed |
|
» |
CMOS memory normal operation |
JP4 |
Pins 1 & 2 closed |
|
|
CMOS memory clear |
JP4 |
Pins 2 & 3 closed |
|
DIMM CONFIGURATION |
||
|
Size |
Bank 0 |
Bank 1 |
|
8MB |
(1) 1M x 64 |
None |
|
16MB |
(1) 2M x 64 |
None |
|
16MB |
(1) 1M x 64 |
(1) 1M x 64 |
|
24MB |
(1) 2M x 64 |
(1) 1M x 64 |
|
32MB |
(1) 4M x 64 |
None |
|
32MB |
(1) 2M x 64 |
(1) 2M x 64 |
|
40MB |
(1) 4M x 64 |
(1) 1M x 64 |
|
DIMM CONFIGURATION (CON'T) |
||
|
Size |
Bank 0 |
Bank 1 |
|
48MB |
(1) 4M x 64 |
(1) 2M x 64 |
|
64MB |
(1) 8M x 64 |
None |
|
64MB |
(1) 4M x 64 |
(1) 4M x 64 |
|
72MB |
(1) 8M x 64 |
(1) 1M x 64 |
|
80MB |
(1) 8M x 64 |
(1) 2M x 64 |
|
96MB |
(1) 8M x 64 |
(1) 4M x 64 |
|
128MB |
(1) 16M x 64 |
None |
|
128MB |
(1) 8M x 64 |
(1) 8M x 64 |
|
136MB |
(1) 16M x 64 |
(1) 1M x 64 |
|
144MB |
(1) 16M x 64 |
(1) 2M x 64 |
|
160MB |
(1) 16M x 64 |
(1) 4M x 64 |
|
192MB |
(1) 16M x 64 |
(1) 8M x 64 |
|
256MB |
(1) 16M x 64 |
(1) 16M x 64 |
|
Note: Board accepts SDRAM memory. |
||
|
CACHE CONFIGURATION |
|
Note: 256KB/512KB cache is located on the Pentium II CPU. 128KB cache is located on the Celeron 300A & 333 CPU. |