AST RESEARCH, INC.
PREMMIA 486
(202514-000,202557-000,101,202613-X0X)
|
Processor |
80486SX/80487SX/ODP486SX/80486DX/80486DX2/Pentium Overdrive/Pentium |
|
Processor Speed |
25/33/50(internal)/60/66(internal)MHz |
|
Chip Set |
Unidentified |
|
Max. Onboard DRAM |
128MB |
|
Cache |
128/256/512KB |
|
BIOS |
Unidentified |
|
Dimensions |
355mm x 305mm |
|
I/O Options |
Floppy drive interface, IDE interfaces (2), parallel port, PS/2 mouse port, serial ports (2), VGA port, CPU/cache slot, LAN connectors (3) |
|
NPU Options |
None |
|
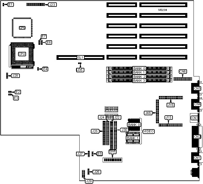
CONNECTIONS | |||
|
Purpose |
Location |
Purpose |
Location |
|
Serial port |
CN1 |
Floppy drive interface 2 |
J25 |
|
Parallel port |
CN2 |
External battery |
J26 |
|
PS/2 mouse port |
CN3 |
Speaker |
J27 |
|
Serial port |
CN4 |
Chassis fan power |
J28 |
|
VGA port |
CN5 |
Front panel connector |
J29 |
|
LAN module connector |
J15 |
Test connector |
J30 |
|
LAN module connector |
J16 |
IDE interface LED |
J35 |
|
IDE interface |
J22 |
LAN module connector |
J46 |
|
Test connector |
J23 |
CPU/cache slot |
SL1 |
|
Floppy drive interface 1 |
J24 | ||
|
USER CONFIGURABLE SETTINGS | |||
|
Function |
Jumper/Switch |
Position | |
|
» |
Factory configured - do not alter |
CN6 |
N/A |
|
» |
Factory configured - do not alter |
E2 |
Open |
|
» |
Parity enabled |
E3 |
Closed |
|
Parity disabled |
E3 |
Open | |
|
» |
Factory configured - do not alter |
E5 |
pins 2 & 3 closed |
|
» |
On board video enabled |
SW1/1 |
On |
|
On board video disabled |
SW1/1 |
Off | |
|
» |
Factory configured - do not alter |
SW1/2 |
Off |
|
» |
CMOS memory normal operation |
SW1/3 |
Off |
|
CMOS memory clear |
SW1/3 |
On | |
|
» |
Flash BIOS normal operation |
SW1/4 |
Off |
|
Flash BIOS force update at boot |
SW1/4 |
On | |
|
» |
Password enabled |
SW1/5 |
Off |
|
Password disabled |
SW1/5 |
On | |
|
» |
Factory configured - do not alter |
SW1/6 |
Off |
|
» |
Factory configured - do not alter |
SW1/7 |
Off |
|
» |
Factory configured - do not alter |
SW1/8 |
Off |
|
» |
I/O address select 398h |
SW1/9 |
On |
|
I/O address select 26Eh |
SW1/9 |
Off | |
|
» |
Monitor type select color |
SW1/10 |
On |
|
Monitor type select monochrome |
SW1/10 |
Off | |
|
Note: E5 may not be present on all revisions. | |||
|
DRAM CONFIGURATION | ||||
|
Size |
Bank 0 |
Bank 1 |
Bank 2 |
Bank 3 |
|
2MB |
(1) 256K x 36 |
(1) 256K x 36 |
NONE |
NONE |
|
4MB |
(1) 256K x 36 |
(1) 256K x 36 |
(1) 256K x 36 |
(1) 256K x 36 |
|
4MB |
(1) 512K x 36 |
(1) 512K x 36 |
NONE |
NONE |
|
6MB |
(1) 256K x 36 |
(1) 256K x 36 |
(1) 512K x 36 |
(1) 512K x 36 |
|
8MB |
(1) 512K x 36 |
(1) 512K x 36 |
(1) 512K x 36 |
(1) 512K x 36 |
|
8MB |
(1) 1M x 36 |
(1) 1M x 36 |
NONE |
NONE |
|
10MB |
(1) 256K x 36 |
(1) 256K x 36 |
(1) 1M x 36 |
(1) 1M x 36 |
|
12MB |
(1) 512K x 36 |
(1) 512K x 36 |
(1) 1M x 36 |
(1) 1M x 36 |
|
16MB |
(1) 1M x 36 |
(1) 1M x 36 |
(1) 1M x 36 |
(1) 1M x 36 |
|
16MB |
(1) 2M x 36 |
(1) 2M x 36 |
NONE |
NONE |
|
18MB |
(1) 256K x 36 |
(1) 256K x 36 |
(1) 2M x 36 |
(1) 2M x 36 |
|
20MB |
(1) 512K x 36 |
(1) 512K x 36 |
(1) 2M x 36 |
(1) 2M x 36 |
|
24MB |
(1) 1M x 36 |
(1) 1M x 36 |
(1) 2M x 36 |
(1) 2M x 36 |
|
32MB |
(1) 2M x 36 |
(1) 2M x 36 |
(1) 2M x 36 |
(1) 2M x 36 |
|
32MB |
(1) 4M x 36 |
(1) 4M x 36 |
NONE |
NONE |
|
34MB |
(1) 256K x 36 |
(1) 256K x 36 |
(1) 4M x 36 |
(1) 4M x 36 |
|
36MB |
(1) 512K x 36 |
(1) 512K x 36 |
(1) 4M x 36 |
(1) 4M x 36 |
|
40MB |
(1) 1M x 36 |
(1) 1M x 36 |
(1) 4M x 36 |
(1) 4M x 36 |
|
48MB |
(1) 2M x 36 |
(1) 2M x 36 |
(1) 4M x 36 |
(1) 4M x 36 |
|
64MB |
(1) 4M x 36 |
(1) 4M x 36 |
(1) 4M x 36 |
(1) 4M x 36 |
|
64MB |
(1) 8M x 36 |
(1) 8M x 36 |
NONE |
NONE |
|
66MB |
(1) 256K x 36 |
(1) 256K x 36 |
(1) 8M x 36 |
(1) 8M x 36 |
|
68MB |
(1) 512K x 36 |
(1) 512K x 36 |
(1) 8M x 36 |
(1) 8M x 36 |
|
72MB |
(1) 1M x 36 |
(1) 1M x 36 |
(1) 8M x 36 |
(1) 8M x 36 |
|
80MB |
(1) 2M x 36 |
(1) 2M x 36 |
(1) 8M x 36 |
(1) 8M x 36 |
|
96MB |
(1) 4M x 36 |
(1) 4M x 36 |
(1) 8M x 36 |
(1) 8M x 36 |
|
128MB |
(1) 8M x 36 |
(1) 8M x 36 |
(1) 8M x 36 |
(1) 8M x 36 |
|
CACHE CONFIGURATION | |
|
Size |
SL1 |
|
128KB |
Installed |
|
256KB |
Installed |
|
512KB |
Installed |
|
Note: Only one size can be installed at any one time. If CPU card is installed, cache cannot be installed. | |
|
CPU TYPE CONFIGURATION | ||||
|
Type |
E1 |
E4 |
E6 |
E7 |
|
80486SX (PQFP) |
pins 2 & 3 closed |
pins 1 & 2 closed |
pins 1 & 2 closed |
pins 1 & 2 closed |
|
80486SX (PGA) |
pins 1 & 2 closed |
Open |
pins 2 & 3 closed |
pins 2 & 3 closed |
|
80487SX |
pins 2 & 3 closed |
pins 1 & 2 closed |
pins 1 & 2 closed |
pins 1 & 2 closed |
|
odp486sx |
pins 2 & 3 closed |
pins 1 & 2 closed |
pins 1 & 2 closed |
pins 1 & 2 closed |
|
80486DX |
pins 1 & 2 closed |
pins 2 & 3 closed |
pins 1 & 2 closed |
pins 1 & 2 closed |
|
80486DX2 |
pins 1 & 2 closed |
pins 2 & 3 closed |
pins 1 & 2 closed |
pins 1 & 2 closed |
|
Pentium Overdrive |
pins 1 & 2 closed |
pins 1 & 2 closed |
pins 1 & 2 closed |
pins 1 & 2 closed |
|
Pentium |
pins 1 & 2 closed |
pins 1 & 2 closed |
pins 1 & 2 closed |
pins 1 & 2 closed |
|
Note: If PQFP is used, E1 is open. | ||||
|
VIDEO MEMORY CONFIGURATION | ||
|
Size |
Bank 0 |
Bank 1 |
|
1MB |
1MB |
NONE |
|
2MB |
1MB |
(2) 256K x 16 |
|
Note: Bank 0 is factory installed and is not configurable. | ||
|
MISCELLANEOUS TECHNICAL NOTE |
|
Note: The location of pin 1 is unidentified. |