UNIDENTIFIED
SPG-530/540 CARD
|
Card Type |
Multi-I/O card |
|
Chip Set |
Unidentified |
|
Maximum Onboard Memory |
Unidentified |
|
I/O Options |
Game port, Parallel port, Serial ports (2) |
|
Hard Drives supported |
None |
|
Floppy drives supported |
None |
|
Data Bus |
8-bit ISA |
|
Card Size |
Half-length |
|
CONNECTIONS | |||
|
Function |
Label |
Function |
Label |
|
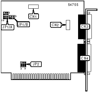
Serial Port 1 |
CN1 |
Game Port |
CN3 |
|
Serial Port 2 |
CN2 |
Parallel Port |
CN4 |
|
USER CONFIGURABLE SETTINGS | ||
|
Function |
Label |
Position |
|
Game Port disabled |
JP1/B |
Pins 1 & 2 closed |
|
Game Port enabled |
JP1/B |
Pins 2 & 3 closed |
|
PARALLEL PORT ADDRESS SELECTION | |
|
Setting |
JP1/B |
|
LPT2 (378H) |
Pins 5 & 6 closed |
|
LPT3 (278H) |
Pins 4 & 5 closed |
|
SERIAL PORT 1 ADDRESS SELECTION | |
|
Setting |
JP1/A |
|
COM1 (3F8h) |
Pins 1 & 2 closed |
|
COM2 (2F8h) |
Pins 4 & 5 closed |
|
COM3 (3E8h) |
Pins 7 & 8 closed |
|
COM4 (2E8h) |
Pins 10 & 11 closed |
|
SERIAL PORT 2 ADDRESS SELECTION | |
|
Setting |
JP1/A |
|
COM1 (3F8h) |
Pins 2 & 3 closed |
|
COM2 (2F8h) |
Pins 5 & 6 closed |
|
COM3 (3E8h) |
Pins 8 & 9 closed |
|
COM4 (2E8h) |
Pins 11 & 12 closed |
|
Note: Serial port 2 (COM B) is not available on the SPG-530 | |
|
SERIAL PORT 1 INTERRUPT SELECTION | |
|
IRQ |
JP2 |
|
IRQ4 |
Pins 2 & 3 closed |
|
IRQ3 |
Pins 1 & 2 closed |
|
SERIAL PORT 2 INTERRUPT SELECTION | |
|
IRQ |
JP2 |
|
IRQ3 |
Pins 4 & 5 closed |
|
IRQ4 |
Pins 5 & 6 closed |
|
PARALLEL PORT INTERRUPT SELECTION | |
|
IRQ |
JP2 |
|
IRQ7 |
Pins 7 & 8 closed |
|
IRQ5 |
Pins 8 & 9 closed |