SEAGATE TECHNOLOGY, INC

HIGH SPEED TAPE CONTROLLER

Card Type

Tape controller card

Chip Set

Unidentified

Maximum Onboard Memory

Unidentified

I/O Options

Parallel port, proprietary interface

Hard Drives supported

None

Floppy drives supported

None

Data Bus

8-bit ISA

Card Size

Half-length, half-height card

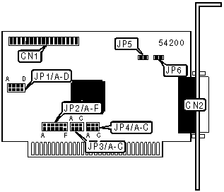
CONNECTIONS

Function

Label

Function

Label

34-pin proprietary connector

CN1

25-pin parallel port

CN2

USER CONFIGURABLE SETTINGS

Function

Label

Position

»

Factory configured - do not alter (power jumper)

JP5

Closed

»

Factory configured - do not alter (power jumper)

JP6

Closed

DMA CHANNEL SELECTION

Channel

JP3/A

JP3/B

JP3/C

JP4/A

JP4/B

JP4/C

 

1

Closed

Open

Open

Closed

Open

Open

»

2

Open

Closed

Open

Open

Closed

Open

 

3

Open

Open

Closed

Open

Open

Closed

BASE I/O ADDRESS SELECTION

Setting

JP1/A

JP1/B

JP1/C

JP1/D

 

360h

Open

Open

Open

Closed

»

370h

Open

Open

Closed

Open

 

3E0h

Open

Closed

Open

Open

 

3F0h

Closed

Open

Open

Open

IRQ INTERRUPT SELECTION

IRQ

JP2/A

JP2/B

JP2/C

JP2/D

JP2/E

JP2/F

 

IRQ2

Open

Open

Open

Open

Open

Closed

 

IRQ3

Open

Open

Open

Open

Closed

Open

 

IRQ4

Open

Open

Open

Closed

Open

Open

 

IRQ5

Open

Open

Closed

Open

Open

Open

»

IRQ6

Open

Closed

Open

Open

Open

Open

 

IRQ7

Closed

Open

Open

Open

Open

Open

MISCELLANEOUS TECHNICAL NOTES

Seagate tape controller is designed to operate at 2 Megabits per second when used with the 1700 Travan internal model tape drive and the 3200 Travan internal model tape drive. When used with the 250, 420, 800, and 850 internal model tape drives, the Seagate tape controller operates at a reduced speed of 1 Megabit per second.