MEDIAFORTE PRODUCTS PTE., LTD.
SOUNDFORTE RADIOLINK (SF16-FMR)
|
Card Type |
Tuner card |
|
Chip Set |
Unidentified |
|
Maximum Onboard Memory |
Unidentified |
|
I/O Options |
Antenna, speaker/line out |
|
Data Bus |
8-bit ISA |
|
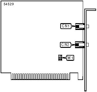
CONNECTIONS | |||
|
Function |
Label |
Function |
Label |
|
Antenna out |
CN1 |
Speaker/Line out |
CN2 |
|
USER CONFIGURABLE SETTINGS | |||
|
Function |
Label |
Position | |
| » |
Output via speakers |
W1 |
Pins 1 & 2, 4 & 5 closed |
|
Output via line out |
W1 |
Pins 2 & 3, 5 & 6 closed | |