CENTRAL POINT SOFTWARE, INC.

COPY II PC DELUXE OPTION BOARD

Card Type

Floppy enhancer

Chipset

Central Point Software TransCopy 3

I/O Options

Floppy drive daisy-chain ports

Data Bus

8-bit ISA

Floppy Drives Supported

Two 360KB, 720KB, 1.2MB, or 1.44MB drives

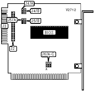
CONNECTIONS

Function

Label

Function

Label

34-pin floppy drive connector

J2

Card-edge floppy connector

J3

DMA CHANNEL

Setting

J6/A

J6/B

J6/C

 

DMA1

Pins 1 & 2 closed

Pins 1 & 2 closed

Pins 1 & 2 closed

»

DMA2

Pins 2 & 3 closed

Pins 2 & 3 closed

Pins 2 & 3 closed

FLOPPY CONNECTOR CONFIGURATION

J2

J3

J4/A

J4/B

J5/A

J5/B

From controller

To drive

Pins 1 & 2

Pins 1 & 2

Pins 1 & 2

Pins 1 & 2

To drive

From controller

Pins 2 & 3

Pins 2 & 3

Pins 2 & 3

Pins 2 & 3

Note:Pins designated are in the closed position.