TECHWAY
8W5241 EXTERNAL DRIVE CARD
|
Card Type |
Floppy drive controller |
|
Hard Drives supported |
None |
|
Floppy drives supported |
Two 360KB, 720KB, 1.2MB, or 1.44MB drives |
|
Data Bus |
8-bit ISA |
|
Card Size |
Half-length, full-height card |
|
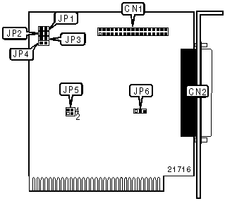
CONNECTIONS | |||
|
Function |
Location |
Function |
Location |
|
34-pin cable connector - floppy drive - internal |
CN1 |
34-pin cable connector - floppy drive - external |
CN2 |
|
USER CONFIGURABLE SETTINGS | |||
|
Function |
Label |
Position | |
| » |
3.5" drive interface AT |
JP6 |
Pins 1 & 2 closed |
|
3.5" drive interface PS2 |
JP6 |
Pins 2 & 3 closed | |
|
FLOPPY DRIVE A TYPE SELECTION | ||
|
Type |
JP1 |
JP2 |
|
360K |
Closed |
Closed |
|
720K |
Closed |
Open |
|
1.2M |
Open |
Closed |
|
1.44M |
Open |
Open |
|
FLOPPY DRIVE B TYPE SELECTION | ||
|
Type |
JP3 |
JP4 |
|
360K |
Closed |
Closed |
|
720K |
Closed |
Open |
|
1.2M |
Open |
Closed |
|
1.44M |
Open |
Open |
|
BIOS ADDRESS SELECTION | ||
|
Address |
JP5 Pins 1 & 2 |
JP5 Pins 3 & 4 |
|
CA00h |
Open |
Closed |
|
CC00h |
Closed |
Open |